恢复二极管,简称FRD,它是一种具有开关特性好、反向恢复时间短特点的半导体二极管,与普通二极管一样具有单向导电性,主要应用于开关电源、脉宽调制器、变频器等电子电路中,主要作为高频整流二极管、续流二极管或阻尼二极管使用。


1、快恢复二极管在继电器方面的应用
如下图,在继电器两端并联一个UF4007,它的反向重复峰值电压1000V、正向浪涌电流30A。继电器线圈是可以储存能量的,一旦线圈断电,它两端就会产生很大的反向电动势,如果在线圈两端并联一个快恢复二极管,使它产生一个回路,电动势通过这个回路使线圈储存的能量泄放。


2、快恢复二极管在IGBT开关管的应用
如下图是电磁炉全桥控制的LC振荡电路,Q1-Q4相互导通,在导通-关断过程中,会产生能量,这个二极管经常被称为寄生二极管或者续流二极管,IGBT作为开关用时候一般电压达到上千伏,因此肖特基二极管不适合。


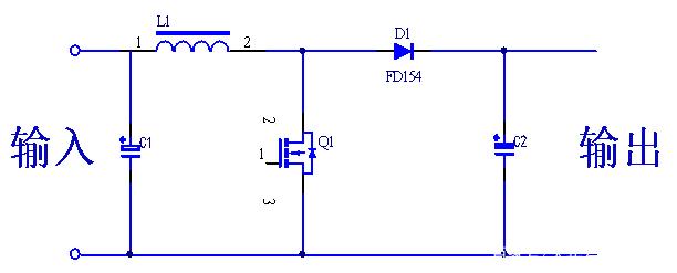
3、快恢复二极管在BOOST升压等开关电源应用
1)如下图是BOOST升压电路,FR154为400V/1.5A快恢复二极管,起到防止电流倒灌作用


2)在RCD等钳位吸收回路应用,如下图D1/UF4007与R1、C2组成吸收回路


二、肖特基二极管
而肖特基二极管,简称SBD,它不是利用PN结原理制作的,它是以金属为正极,以N型半导体为负极,利用二者接触面上形成的势垒具有整流特性而制成的一种半导体器件,是一种热载流子二极管,肖特基二极管在电路中主要是作整流二极管、续流二极管、保护二极管等,主要用在低电压、大电流的电路中,如开关电源、变频器、逆变器、微波通信


1、肖特基二极管在开关电源的应用
如下图,开关电源整流采用D1和D2是整流对管MBR20150CT(20A 150V), 这样可把二次绕组以及整流管损耗降至一定限度


三、快恢复二极管与肖特基二极管特点
1、快恢复二极管的反向恢复时间为几百纳秒,而肖特基二极管比它快,甚至几纳秒;
2、快恢复二极管的反向击穿电压高,一般都高于200V,甚至几千伏,而肖特基二极管的反向击穿电压很低,普遍在100以下,有些会高一点;
3、快恢复二极管的功耗较大,而肖特基二极管反向恢复时间短、损耗小、噪声低。
烜芯微专业制造二三极管20年,工厂直销省20%,1500家电路电器生产企业选用,专业的工程师帮您稳定好每一批产品,如果您有遇到什么需要帮助解决的,可以点击右边的工程师,或者点击销售经理给您精准的报价以及产品介绍
烜芯微专业制造二三极管20年,工厂直销省20%,1500家电路电器生产企业选用,专业的工程师帮您稳定好每一批产品,如果您有遇到什么需要帮助解决的,可以点击右边的工程师,或者点击销售经理给您精准的报价以及产品介绍

