电源逆变器应用中隔离架构、电路和元件的选择
电机和电源控制逆变器设计人员都会遇到相同的问题,即如何将控制和用户接口电路与危险的功率线路电压隔离。隔离最主要的要求是方式功率线路电压损坏控制电路,更重要的是,保护用户受到危险电压伤害。系统必须符合相应国际标准规定的安全要求,例如涵盖电机驱动和太阳能逆变器的IEC 61800和IEC62109。这些标准主要注重符合性测试。标准的符合性测试会如何赋予工程师自由度?标准会在安全性方面为工程师提供指导,但如何赋予工程师自由度,以便可以选择符合目标系统规格以及标准的相应架构、电路和元件呢?这些是由电路满足在效率、带宽和精度方面提供系统所需性能,同时又满足安全隔离要求来决定的。设计创新系统的难题是,为现有架构、电路和元件制定的设计规则可能不再适用。因此,工程师需要花时间认真评估新电路或元件符合EMC和安全性标准的能力。某些地区工程师的责任更大,一旦所设计系统的安全功能失效并导致伤害,工程师可能需要承担个人责任。本文探讨了系统架构选择对电源和控制电路设计以及系统性能的影响。本文还将说明最新可用隔离元件的性能提升如何帮助替代架构在不影响安全性的前提下提升系统性能。
1、隔离架构
我们关心的问题是您需要根据用户提供的命令,安全地控制从交流电源到负载的能量流动。此问题在图1所示的高电平电机驱动系统图中针对以下三个电源域进行了阐述:给定、控制和功率。安全性要求是,用户给定电路必须与功率电路上的危险电压进行电位隔离。架构决策取决于隔离栅放置在给定和控制电路之间还是控制和功率电路之间。在电路之间引入隔离栅会影响信号完整性并增加成本。模拟反馈信号的隔离尤其困难,因为传统变压器方法会抑制直流信号分量并引入非线性。低速时的数字信号隔离相当简单,但在高速或需要低延迟时则非常困难,并且耗电量巨大。带3相逆变器的系统中的电源隔离尤为困难,因为有多个电源域连接至电源电路。电源电路有四个不同域,这些域需彼此之间需要功能性隔离;所以高端栅极驱动和绕组电流信号需要与控制电路功能性隔离,即使两者可能与功率地共地。


电源逆变器
图1. 电机控制系统中的隔离架构
非隔离式控制架构在控制和电源电路之间存在共同的接地连接。这样电机控制ADC可获取电源电路中的所有信号。电机绕组电流流入低侧逆变器臂时,ADC在基于中心的PWM信号的中点处进行采样。低侧IGBT栅极的驱动器可以是简单的非隔离式,但PWM信号须经由具有功能性隔离或电平移位转换实现与三个高侧IGBT栅极隔离。命令和控制电路之间的隔离造成的复杂性取决于最终应用,但通常涉及使用独立系统和通信处理器。简单处理器即可管理前面板接口并在慢速串行接口上发送速度命令的架构在家用设备或低端工业应用中可以接受。由于命令接口的高带宽要求,非隔离式架构在用于机器人和自动化应用的高性能驱动器中较少见。
隔离式控制架构在控制和命令电路之间存在共同的接地连接。这使得控制和命令接口之间可以实现非常紧密的耦合,并且可使用单个处理器。隔离问题转到电源逆变器信号上来,从而带来一系列不同挑战。栅极驱动信号需要相对高速的数字隔离来满足逆变器的时序要求。由于存在非常高的电压,磁性或光学耦合的驱动器在隔离要求极高的逆变器应用中表现良好。直流母线电压隔离电路的要求则适中,这是因为其需要的动态范围和带宽较低。电机电流反馈是高性能驱动器中最大的难题,因为其需要高带宽和线性隔离。电流互感器(CT)是很好的选择,因为它们提供的隔离信号能够轻松测量。CT在低电流时具有非线性,不会传输直流电平,但广泛用于低端逆变器中。CT还用于带非隔离式控制架构的大功率逆变器,因为这些场合下采用分流电阻采样会导致损耗太大。开环和闭环霍尔效应电流传感器可测量交流信号,因此更适合高端驱动器,但受失调影响。阻性分流器可提供高带宽、线性信号,而且偏移低,但需要与高带宽、低偏移隔离放大器相匹配。通常,电机控制ADC可直接采样隔离电流信号,但下一节描述的替代测量架构可将隔离问题转移到数字域,并且能够大幅提升性能。
2、使用隔离式转换器的逆变器反馈
改善隔离系统线性度的一种常见方法是将ADC移至隔离栅的另一侧并隔离数字信号。在许多情况下,这需要将串联ADC与数字信号隔离器结合使用。由于对电机电流反馈存在高频的特殊要求,以及需要对驱动保护进行快速响应,因此可选择Σ-Δ型ADC。Σ-Δ型ADC配有一个可将模拟信号转换为一位码流的线性调制器,其后配备可将信号重构为高分辨率数字字的数字滤波器。此方法的好处是可使用两种不同的数字滤波器:较慢的用于高保真反馈,另一个低保真快速滤波器用于保护逆变器。在图2中,绕组分流器用于测量电机绕组电流,隔离式ADC用于在隔离栅上传输10 MHz数据流。Sinc滤波器可将高分辨率电流数据提交给电机控制算法,该算法会计算施加所需逆变器电压需要的逆变器占空比。另一个低分辨率滤波器可检测电流过载,并在出现故障时将跳变信号发送至PWM调制器。Sinc滤波器频率响应曲线解释说明了合适的参数选择如何能够使滤波器抑制电流采样中的PWM开关纹波。


电源逆变器
图2. 隔离式电流反馈


图3. Sinc滤波器频率响应
3、电源输出隔离
两种控制架构的共同问题是需要支持多个隔离电源域。如果每个域需要多个偏置轨,就更加难以实现。图4的电路可产生+15 V和–7.5 V电压用于栅极驱动,+5 V电压用于为ADC供电,均在一个域中,同时每个域仅使用一个变压器绕组和两个引脚。使用一个变压器磁芯和骨架为四个不同电源域创造双电源或三电源。


电源逆变器
图4. 栅极驱动和电流反馈转换器的隔离电源电路
电源逆变器设计方案
APFC技术总结
引言
铁路客车辅助电源负责给车上各种负载用电设备供电。本文所述逆变器是将列车提供的600 V直流电逆变成三相交流380 V,带动客车空调机组工作,调节车厢温度和通风,可调频调压,以实现空调变频化。同时也为餐车上的电茶炉等三相负载供电。
1、 逆变器方案设计
逆变器是通过电力电子开关的开通和关断作用,把直流电能转变成交流电能的一种变换装置,是整流变换的逆过程。电力电子开关器件的通断,需要一定的驱动脉冲,这些脉冲可以通过改变一个电压信号来调节,产生和调节脉冲的电路就是主控制电路。一个逆变器的电路组成除了逆变开关电路和主控制电路之外。还有保护电路、辅助电源、输入输出电路等。
本设计中所用的直接逆变方案,是铁路客车辅助电源主电路最简单最基本的形式。方案如图1所示。


电源逆变器
主要的功能模块划分为主控制系统、前级检测、输入控制、直流滤波、三相逆变、交流滤波,配合辅助电源、采样、保护电路等。
该电路优点是结构简单、功率器件使用数量少:但缺点是逆变器输出电压容易受DC600 V干线电压的波动影响,实测电压品质因素差、谐波含量大,为了获得相对恒定的交流电压输出,必须采用运算速度很快的DSP作主控制单元。
DSP是一种适合数字信号处理的高性能微处理器,如何选择DSP?可以从以下几方面来考虑。
(1)速度
DSP速度一般用MIPS或FLOPS表示,即百万次/s。一些设计会片面追求高处理速度,但速度越高,系统实现也越困难。
(2)精度
DSP芯片分为定点、浮点处理器,对于运算精度要求很高的处理,可选择浮点处理器。定点处理器也可完成浮点运算,但精度和速度会有影响。
(3)寻址空间
不同系列DSP程序、数据、I/0空间大小不一,DSP在一个指令周期内能完成多个操作,所以DSP指令效率很高,程序空间一般不会有问题,关键是数据空间是否满足。
TMS320LF2407芯片在控制方面应用非常广泛,作为一款专门面向数字控制系统进行优化的通用可编程微处理器,TMS320LF2407不仅具有低功耗和代码保密的特点,而且它集成了极强的数字信号处理能力,又集成了数字控制系统所必需的输入、输出、A/D转换、事件捕捉等外设,其时钟频率为40 MHz,指令周期小于50 nS,采用改进的哈佛结构和流水线技术,在一个指令周期内可以执行几条指令。本方案中拟用TMS320LF2407作为DSP处理芯片。
下面简单介绍一下各部分电路情况。
前级检测可以有效监测输入电压的波动.准确实施过欠压保护。
输入控制是利用接触器对负载发生故障时实施隔离,防止故障进一步扩散。
直流滤波的主要功能是滤平输入电路的电压纹波,当负载变化时,使直流电压平稳。由于铁路客车辅助电源逆变器的功率较大,因此滤波电容的容量也较大,一般使用电解电容。但由于电解电容的电压等级限制(一般最高工作电压在450 V),需要将其串联后再并联使用。而电容自身参数的离散导致电容电压无法一致,解决的办法是采用电容两端并联均压电阻。
按照铁路客车辅助电源逆变器的设计要求。输出为正弦波,交流滤波电路主要就是将逆变器输出的PWM波变成准正弦波,以此保证较低的谐波含量。
三相逆变是逆变器的核心电路,在直接逆变的方案图中,该部分由VT1 ~VT6六个功率开关器件组成,各由一个续流二极管反并联,整个逆变器由恒值直流电压U供电。
输入电源、电动机的突然停止和线路感抗等会引起逆变器过压;接触网电压的波动,有可能造成输出欠压;某些情况下,逆变器的输出会超过其自身的输出能力即过载;而功率器件工作时,产生各种损耗,其中主要包括导通过程损耗、通态损耗和关断时的损耗,这些损耗以热量的形式向外传送,当开关频率增高后,会造成过热。
对应以上逆变器工作中产生的种种情况,设计时需考虑各项保护功能:过压保护、欠压保护、过载保护、过热保护等。
2 控制方法
在逆变器电路的设计中,控制方法是核心技术。早期的控制方法使得输出为矩形波.谐波含量较高,滤波困难,而SPWM技术较好地克服了这些缺点。SPWM正弦脉宽调制技术是通过一系列宽窄不等的脉冲进行调制,来等效正弦波形(幅值、相位和频率)。SPWM容易实现对电压的控制。控制线性度好,广泛用于直流交流逆变器。
SPWM控制方式中有几个重要的参量:载波频率fc,调制波频率fr及载波比N,N=fc/fr。
在实际应用中,逆变器的启动过程是一个变频变压的软启动过程,而且为了实现空调的变频化。也就是说调制频率fr是变化的。于是,在实行SPWM时,我们根据载波和调制波是否同步以及载波比N的变化情况,有异步调制和同步调制之分。
(1)同步调制
这种调制方式是使载波比Ⅳ等于常数.即在变频时让载波和调制波保持同步。其优点是波形对称;但缺点是,在逆变器输出频率(调制波频率)很低时,载波频率也很低,产生输出波形中谐波不易滤除,而且会带来较大的噪音;当逆变器输出频率很高时,载波频率会过高,使得功率开关器件难以承受。
(2)异步调制
为了消除同步调制的缺点,可以采用异步调制方式。顾名思义,异步调制时,在变频器的整个变频范围内,载波比n不等于常数。一般在改变调制波频率fr时保持三角载波频率ft不变,因而提高了低频时的载波比。这样输出电压半波内的矩形脉冲数可随输出频率的降低而增加,从而减少负载电动机的转矩脉动与噪声,改善了系统的低频工作性能。
有利必有弊,异步调制方式在改善低频工作性能的同时,又失去了同步调制的优点。当载波比Ⅳ随着输出频率的降低而连续变化时,输出电压波形及其相位都发生变化,难以保持三相输出的对称性,可能引起电动机工作的不平稳。
通过分析,我们需要的是把两种方式的优点结合起来,得到另一种调制方式:分段同步调制。即把逆变器的整个输出频率范围(如50~60 Hz)划分成若干个频段,在每个频段内都保持载波比N恒定.而不同频段的载波比不同。在输出频率高的频段采用较低的载波比,输出频率低的频段采用较高的载波比。
3 驱动电路
驱动电路是将主控电路中产生的六个PWM信号,经光电隔离放大后,为逆变器提供驱动信号。
本设计中驱动电路部分的开关功率器件选择IGBT。
IGBT(绝缘双极型晶体管)是由BJT(双极型三极管)和MOS(绝缘栅型场效应管)组成的复合全控型电压驱动式功率半导体器件,兼有MOSFET的高输入阻抗和GTR的低导通压降两方面的优点 GTR饱和压降低,载流密度大,但驱动电流较大:MOSFET驱动功率很小,开关速度快,但导通压降大,载流密度小。IGBT将MOSFET和GTR的优点集于一身,既具有输入阻抗高、速度快、热稳定性好和驱动电路简单的优点,又有通态电压低耐压高的优点,因此发展很快,倍受欢迎,在电机驱动、中频和开关电源以及要求快速、低损耗的领域.IGBT有取代MOSFET和GTR,IGBT非常适合应用于直流电压为600 V及以上的变流系统。
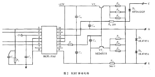
因为桥式逆变器中的IGBT工作电位差大.不允许控制电路直接与其耦合,为了保证驱动电路和主电路之间的信号传输,一般采用光电耦合器的隔离驱动器。由于IGBT是高速器件,故必须选取小延时的高速型光耦。常用的是芯片HCPL-316J.本设计中选择DSP为主控单元,其与HCPL-316J结合可驱动IGBT,控制其导通、关断并实现保护功能。它的输出功能可以简略的用下面的逻辑功能表来描述,详见表1所列。


电源逆变器
表格中最后一列为输出。当输出为High时IGBT导通,否则IGBT关断。IGBT导通需要同时具备最后一行的五个条件,缺一不可,即同相输入为高;反相输入为低;欠压保护功能无效;未检测到IGBT故障,无故障反馈信号或故障反馈信号已被清除。
根据上述输出控制功能,设计电路如图2。


电源逆变器
该电路具有以下功能:
(1)能够产生驱动IGBT所需的+15 V、-10 V电压。保证了其可靠导通与关断;
(2)该电路所用核心器件HCPL-316J具有过电流保护自锁功能,能够有效防止IGBT在瞬时工作中过流而使保护误动作,能够有效的保护IGBT。
4 结束语
综上.本设计中的逆变器综合铁路客车辅助电源的各项要求.采用IGBT作为功率器件,应用三相桥式逆变电路,利用DSP产生的脉冲调制信号进行控制。
文中主要针对DC600 V铁路客车辅助电源逆变器的设计提出一些自己的想法,简述直接逆变方案的各部分电路,并具体阐述其主控方式及驱动部分的电路,希望借此给大家提供一点借鉴参考,在同类产品设计时拓宽思路,找出更多更优质的方案。
烜芯微专业制造二三极管,MOS管,20年,工厂直销省20%,1500家电路电器生产企业选用,专业的工程师帮您稳定好每一批产品,如果您有遇到什么需要帮助解决的,可以点击右边的工程师,或者点击销售经理给您精准的报价以及产品介绍
烜芯微专业制造二三极管,MOS管,20年,工厂直销省20%,1500家电路电器生产企业选用,专业的工程师帮您稳定好每一批产品,如果您有遇到什么需要帮助解决的,可以点击右边的工程师,或者点击销售经理给您精准的报价以及产品介绍

