极速快3

您好!欢迎光临极速快3品牌官网!

深圳市极速快3有限公司

ShenZhen XuanXinWei Technoligy Co.,Ltd
二极管、三极管、MOS管、桥堆

全国服务热线:18923864027

  • 热门关键词:
  • 桥堆
  • 场效应管
  • 三极管
  • 二极管
  • tip42c参数规格书-tip42c引脚图电路应用
    • 发布时间:2019-11-19 14:52:08
    • 来源:
    • 阅读次数:
    tip42c参数,tip42c引脚图电路图,tip42c
    tip42c参数规格书
    点击查看规格书。
    tip42c参数,tip42c引脚图电路图,tip42c
    查看tip42c参数详情
    tip42c参数,tip42c引脚图电路图,tip42c
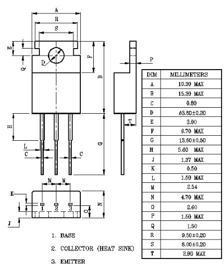
    tip42c参数封装尺寸
    tip42c参数,tip42c引脚图电路图,tip42c
    tip42c概述
    tip42是由美国得克萨斯仪表公司生产的,应用材料是SI-NPN.应用于低频,音频,或功率放大之用,TIP41C的极限工作电压max为100V.最大工作电流I=6A。TIP41 NPN中功率三极管,广泛用于信号放大及音频功放用晶体管,可与TIP42 PNP管做互补对称管使用.
    tip42c引脚图电路图及引脚定义
    tip42c参数,tip42c引脚图电路图,tip42c
    1、基集
    2、集电极
    3、发射极
    tip42c应用电路
    (一)
    当PB01端输入1时,也就是光耦管截止(或开路),则Q2必定截止,Q4跟随截止(继电器断电);当PB01端输入0时,也就是光耦管导通(或短路),则Q2必将导通,Q4也导通(继电器加电);为了控制稳定,必须给Q2提供可靠的集电极电流,就是加个集电极电阻(一端直接接地),如陈坚道先生给的那个图。因为你用了个大功率管,也不知道你继电器电流需要多大,如果Q4基极电流不够,可以去掉R14(即短路掉),R11的值减小些以加大Q2集电极电流。
    tip42c参数,tip42c引脚图电路图,tip42c
    (二)
    tip42c参数,tip42c引脚图电路图,tip42c
    烜芯微专业制造二极管,三极管,MOS管,桥堆20年,工厂直销省20%,1500家电路电器生产企业选用,专业的工程师帮您稳定好每一批产品,如果您有遇到什么需要帮助解决的,可以点击右边的工程师,或者点击销售经理给您精准的报价以及产品介绍
    相关阅读
    79991cm德彩网 美彩国际7709 佰富彩采购大厅-欢迎您 名贯彩票-大发精准计划 88爱彩 - 欢迎您 美彩国际 - 欢迎您 德彩网 - 欢迎您 79991cm德彩网