极速快3

您好!欢迎光临极速快3品牌官网!

深圳市极速快3有限公司

ShenZhen XuanXinWei Technoligy Co.,Ltd
二极管、三极管、MOS管、桥堆

全国服务热线:18923864027

  • 热门关键词:
  • 桥堆
  • 场效应管
  • 三极管
  • 二极管
  • TO-220封装尺寸与TO-220 MOS管引脚顺序图
    • 发布时间:2019-11-26 15:28:36
    • 来源:
    • 阅读次数:
    TO-220封装,引脚顺序
    MOS管封装形式
    MOSFET芯片在制作完成之后,需要给MOSFET芯片加上一个外壳,即MOS管封装。MOSFET芯片的外壳具有支撑、保护、冷却的作用,同时还为芯片提供电气连接和隔离,以便MOSFET器件与其它元件构成完整的电路。按照安装在PCB 方式来区分,MOS管封装主要有两大类:插入式(Through Hole)和表面贴装式(Surface Mount)。插入式就是MOSFET的管脚穿过PCB的安装孔焊接在PCB 上。表面贴裝则是MOSFET的管脚及散热法兰焊接在PCB表面的焊盘上。
    TO封装规格
    1、TO(Transistor Out-line)的中文即“晶体管外形”,是早期的封装规格,例如TO-92,TO-92L,TO-220,TO-252等等都是插入式封装设计。
    2、近年来表面贴装市场需求量的增大也使得TO封装进展到表面贴装式封装。TO252和TO263就是表面贴装封装。其中TO-252又称之为D-PAK,TO-263又称之为D2PAK。
    TO-220封装
    TO-220封装
    TO-220封装外形( Transistor Outline Package)是一种大功率晶体管、中小规模集成电路等常采用的一种直插式的封装形式。
    TO-220封装外形是一种大功率晶体管、中小规模集成电路等常采用的一种直插式的封装形式。
    其中,TO英文是 Transistor Outline的缩写。通常,TO-220为单排直插,一般可以引出3个、5个或7个脚。
    常见的TO-220封装有TO-220、TO-220F、TO-220AB、TO-220AC、TO-220D等。
    TO-220mos引脚顺序图
    TO-220全包(即塑封)和半包(即铁封)产品可以满足大功率二极管、三极管、MOS管和小规模IC的使用需求,采用带散热片的设计,增加了期间的散热通道,均衡了电路的热特性。其中全包产品可以实现散热片和外部的电器绝缘,半包产品的散热效果则更好,两种外形的选择可以满足电路灵活设计和使用条件的不同需求。
    TO-220封装
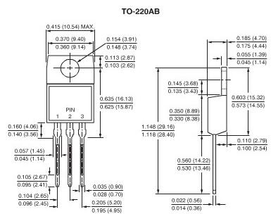
    TO-220封装尺寸图
    快恢复二极管TO-220系列的区别
    TO-220与TO-220F外型基本相同,都是2.54mm脚距的3脚单列直插封装。
    TO-220F是全塑封装,上到散热器上不必加绝缘垫。
    TO-220带金属片与中间脚相连的,如装散热器的话要加绝缘垫。
    TO-220AC表示的单管,只有两个脚,里面只有一个芯片。
    TO-220AB是双管,里面两个芯片,共阴方式连接,有两个脚。
    TO-220几种封装性能对比
    TO-220的散热部分:9.9×15.7,散热金属部分两侧有明显缺耳;TO-220AB的散热部分:10.4×15.0,散热金属部分两侧没有明显缺耳。TO-220和TO-220F两个封装的Pd不同,源于两种封装的Rjc不同所致,Tj一般是到150,我觉得Tj=Tc+Pd*Rjc,其中,Tc是离晶圆最近的结构外壳的温度,Pd是快恢复二极管上承载的功耗,Rjc是Juction to case的热阻。TO-220的Rjc小于TO-220的Rjc,TO-220封装的散热要优于TO-220F封装的散热。反之220F的绝缘好些,220的效率相对来讲会稍大点,但是差异并不是特别明显。
    烜芯微专业制造二极管,三极管,MOS管,桥堆20年,工厂直销省20%,1500家电路电器生产企业选用,专业的工程师帮您稳定好每一批产品,如果您有遇到什么需要帮助解决的,可以点击右边的工程师,或者点击销售经理给您精准的报价以及产品介绍
    相关阅读
    79991cm德彩网 美彩国际7709 佰富彩采购大厅-欢迎您 名贯彩票-大发精准计划 88爱彩 - 欢迎您 美彩国际 - 欢迎您 德彩网 - 欢迎您 79991cm德彩网