8050和8550三极管作为常用的电子元器件,一般被用来做功率放大电路和开关电路,今天特别整理结合该管子做的一种光电自动控制电路,加深大家对它的认识。
8050和8550三极管的参数
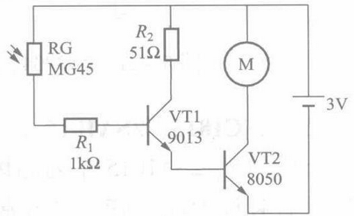
光敏电阻器作为光电传感元件,VT1和VT2接成类似复合电路管形式,当有光照时,电动机开始运转,光敏电阻有光照时的阻值2-10千欧,远大于偏置电阻R的阻值,不能产生维持VT饱和导通所需要强度的电流。


图为基于8050三极管设计的光电自动控制电路
因此,需要先用一只三极管进行电流放大,在驱动开关晶体管工作。VT1的发射极电流也是VT2的基极电流,R2既是VT1的负载电阻,也是VT2的基极限流电阻。因此VT1基极输入微弱的电流)(0.1毫安),可以控制末级VT2较强电流,从而驱动电动机运转。VT1选用小功率NPN型硅管9013,VT2选用小功率NPN型硅管8050三极管。
以上就是为大家整理的基于8050三极管设计的光电自动控制电路,希望能对大家有所助益。
烜芯微专业制造二极管,三极管,MOS管,桥堆20年,工厂直销省20%,1500家电路电器生产企业选用,专业的工程师帮您稳定好每一批产品,如果您有遇到什么需要帮助解决的,可以点击右边的工程师,或者点击销售经理给您精准的报价以及产品介绍
烜芯微专业制造二极管,三极管,MOS管,桥堆20年,工厂直销省20%,1500家电路电器生产企业选用,专业的工程师帮您稳定好每一批产品,如果您有遇到什么需要帮助解决的,可以点击右边的工程师,或者点击销售经理给您精准的报价以及产品介绍

