实际上多谐振荡电路原理图中两只晶体管不会是完全相同的,下面由小编来继续普及这方面的知识,简单来说,贴片三极管两极用的是相同型号的晶体管和用相同的元件值,一个晶体管也会比另一个起始导电量稍微大些。
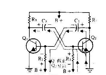
假定Ql的导电量稍大些,由于Ql的电流大,它的集电集电压下降就要比Q2的快些。结果,被通过电阻器R2放电的电容器C2藕台到Q2基极的电压就要比由C1和Rl藕合到Ql基极的电压负值更大些。这就使得Q2的导电量减少,而它的集电极电压则相应地增高了。


Q2集电极升高的电压,是作为正电压藕合回Ql基极的。这样,Q1导电更多,从而引起它的集电极电压进一步下降,由于C2还在放电。故驱使Q2的基极电压向负的增大。
这个过程继续到最终Q2截止,而Ql在饱和状态下导通为止。此时,电容器C2仍然通过电阻器R对接地点放电。Q2级保持截止直至C2已充分放电使得Q2的基极电压超过截止值为止。然后Q2开始导通,这样就开始了多谐振荡器的第二个半周。
由于Q2开始导通,它的集电极电压就开始下降,导致电容器Cl通过电阻器Rl开始放电,这样,加到Q1基集的是负电压。Q1传导的电流因此而减小,并引起Ql集电极电压升高。

Q2集电极升高的电压,是作为正电压藕合回Ql基极的。这样,Q1导电更多,从而引起它的集电极电压进一步下降,由于C2还在放电。故驱使Q2的基极电压向负的增大。
这个过程继续到最终Q2截止,而Ql在饱和状态下导通为止。此时,电容器C2仍然通过电阻器R对接地点放电。Q2级保持截止直至C2已充分放电使得Q2的基极电压超过截止值为止。然后Q2开始导通,这样就开始了多谐振荡器的第二个半周。
由于Q2开始导通,它的集电极电压就开始下降,导致电容器Cl通过电阻器Rl开始放电,这样,加到Q1基集的是负电压。Q1传导的电流因此而减小,并引起Ql集电极电压升高。
烜芯微专业制造二极管,三极管,MOS管,桥堆20年,工厂直销省20%,1500家电路电器生产企业选用,专业的工程师帮您稳定好每一批产品,如果您有遇到什么需要帮助解决的,可以点击右边的工程师,或者点击销售经理给您精准的报价以及产品介绍
烜芯微专业制造二极管,三极管,MOS管,桥堆20年,工厂直销省20%,1500家电路电器生产企业选用,专业的工程师帮您稳定好每一批产品,如果您有遇到什么需要帮助解决的,可以点击右边的工程师,或者点击销售经理给您精准的报价以及产品介绍

