[1]、晶体二极管又叫半导体二极管,简称二极管,是具有一个PN结的半导体器件。二极管品种很多,外形、大小各异。较常见的有:玻璃壳二极管、塑封二极管、金属壳二极管、大功率螺栓状金属壳二极管、微型二极管、片状二极管等。功能上可分为检波二极管、整流二极管、开关二极管、稳压二极管等。


[2]、晶体二极管的文字符号为“VD”,各种二极管的图形符号如图示。


[3]、晶体二极管的主要参数有:(1) 最大整流电流IFMFM,是指允许正向通过PN结的最大平均电流(图③a)。使用中实际工作电流应小于IFM,否则将损坏二极管。(2) 最大反向电压URM,是指反向加在二极管两端而不致引起PN结击穿的最大电压(图③b)。使用中应选用URM大于实际工作电压2倍以上的二极管。(3) 检波或高频整流二极管的最高工作频率fM,至少应2倍于电路实际工作频率。(4) 稳压二极管的稳定电压UZ值应符合电路要求。


[4]、晶体二极管两管脚有正、负极之分。电路符号中,三角底边为正极,短杠一端为负极。实物中,有的将电路符号印在二极管上标示出极性;有的在二极管负极一端印上一道色环作为负极标记;有的二极管两端形状不同,平头为正极,圆头为负极。使用中应注意识别。


[5]、晶体二极管具有单向导电特性,只允许电流从正极流向负极,而不允许电流从负极流向正极。


[6]、锗二极管和硅二极管在正向导通时具有不同的正向管压降。图示为锗二极管伏安特性曲线,当所加正向电压大于正向管压降时,锗二极管导通。锗二极管的正向管压降约为0.3V。


[7]、图示为硅二极管伏安特性曲线,当所加正向电压大于0.7V时,硅二极管导通。另外,在相同的温度下,硅二极管的反向漏电流比锗二极管小得多。从以上伏安特性曲线可见,二极管的电压与电流为非线性关系,因此晶体二极管是非线性半导体器件。


[8]、晶体二极管可用万用表进行管脚识别和检测。万用表置于“R×1k”挡,两表笔分别接到二极管的两端,如果测得的电阻值较小,则为二极管的正向电阻,这时与黑表笔(即表内电池正极)相连接的是二极管正极,与红表笔(即表内电池负极)相连接的是二极管负极。


[9]、如果测得的电阻值很大,则为二极管的反向电阻,这时与黑表笔相接的是二极管负极,与红表笔相接的是二极管正极。二极管的正、反向电阻应相差很大,且反向电阻接近于无穷大。如果某二极管正、反向电阻均为无穷大,说明该二极管内部断路损坏;如果正、反向电阻均为0,说明该二极管已被击穿短路;如果正、反向电阻相差不大,说明该二极管质量太差,不宜使用。


[10]、由于锗二极管和硅二极管的正向管压降不同,因此可以用测量二极管正向电阻的方法来区分。如果正向电阻小于1kΩ,则为锗二极管。


[11]、如果正向电阻为1~5kΩ,则为硅二极管。


[12]、晶体二极管的主要作用之一是检波。图示为超外差收音机检波电路,第二中放输出的调幅波加到二极管VD负极,其负半周通过了二极管,而正半周被截止,再由RC滤波器滤除其中的高频成份,输出的就是调制在载波上的音频信号,这个过程称为检波。


[13]、二极管的另一用途是整流。图示为整流电源电路,由于二极管的单向导电特性,在交流电压正半周时二极管VD导通,有输出;在交流电压负半周时二极管VD截止,无输出。经二极管VD整流出来的脉动电压再经RC滤波后即为直流电压。


[14]、全桥整流堆通常简称为全桥,是一种整流二极管的组合器件,有长方形、圆形、扁形、方形等,并有多种电压、电流、功率规格。


[15]、全桥整流堆的文字符号为“UR”。全桥整流堆内部包含4只整流二极管,并按一定规律连接,如右图所示,具有2个交流输入端(~)和直流正(+)、负(-)极输出端。


[16]、全桥整流堆主要用于桥式全波整流电路。交流电压U正半周时,电流I正经VD2、负载R、VD3形成回路,负载上电压UR为上正下负。U负半周时,电流I负经VD4、R、VD1形成回路,负载上电压UR仍为上正下负,实现了全波整流。使用全桥整流堆,可以简化整流电路的结构。


[17]、图17为稳压二极管伏安特性曲线,可见,稳压二极管是利用PN结反向击穿后,其端电压在一定范围内基本保持不变的原理工作的。只要使反向电流不超过其最大工作电流IZM,稳压二极管是不会损坏的。


[18]、稳压值在15V以下的稳压二极管,可以用万用表“R×10k”挡(内含15V高压电池)测量其稳压值。读数时刻度线最左端为15V,最右端为0。可利用万用表原有的50V挡刻度来读数,并代入以下公式求出:稳压值为(50-X)/ 50·15V,式中,X为50V挡刻度线上的读数。


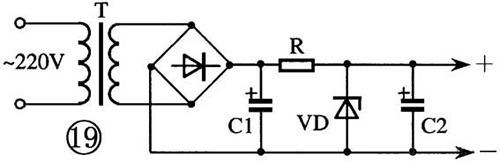
[19]、稳压二极管的作用是稳压,图示为并联稳压电路,稳压二极管VD上的电压即为输出电压。


[20]、三引脚稳压管是一种具有温度补偿的稳压二极管,其管壳内包含了两个背靠背反向串联的稳压二极管;其外形与晶体三极管一样,具有3条管脚 :①脚和②脚分别为两个稳压二极管的负极,由于是对称的,可随意互换,使用时一个接电源正极,另一个接地;③脚为两个稳压二极管的公共正极,悬空不用。三引脚稳压管主要应用于对温度稳定度要求较高的精密稳压电路中。

烜芯微专业制造二极管,三极管,MOS管,桥堆等20年,工厂直销省20%,1500家电路电器生产企业选用,专业的工程师帮您稳定好每一批产品,如果您有遇到什么需要帮助解决的,可以点击右边的工程师,或者点击销售经理给您精准的报价以及产品介绍

烜芯微专业制造二极管,三极管,MOS管,桥堆等20年,工厂直销省20%,1500家电路电器生产企业选用,专业的工程师帮您稳定好每一批产品,如果您有遇到什么需要帮助解决的,可以点击右边的工程师,或者点击销售经理给您精准的报价以及产品介绍

