lm7805介绍
lm7805中文资料,先来简单介绍一下lm7805 用lm78/lm79系列三端稳压IC来组成稳压电源所需的外围元件极少,电路内部还有过流、过热及调整管的保护电路,使用起来可靠、方便,而且价格便宜。
该系列集成稳压IC型号中的lm78或lm79后面的数字代表该三端集成稳压电路的输出电压,如lm7806表示输出电压为正6V,lm7909表示输出电压为负9V。
因为三端固定集成稳压电路的使用方便,电子制作中经常采用。 最大输出电流1.5A,LM78XX系列输出电压分别为5V;6V;8V;9V;10V;12V;15V;18V;24V。

lm7805应用电路
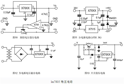
lm7805中文资料之应用电路,lm7805典型应用电路图: lm78XX系列集成稳压器的典型应用电路图,是一个输出正5V直流电压的稳压电源电路。IC采集成稳压器lm7805,C1、C2分别为输入端和输出端滤波电容,RL为负载电阻。当输出电流较大时,lm7805应配上散热板。


为提高输出电压的应用电路。稳压二极管VD1串接在lm78XX稳压器2脚与地之间,可使输出电压Uo得到一定的提高,输出电压Uo为78XX稳压器输出电 压与稳压二极管VC1稳压值之和。VD2是输出保护二极管,一旦输出电压低于VD1稳压值时,VD2导通,将输出电流旁路,保护lm7800稳压器输出级不被损坏。
为输出电压可在一定范围内调节的应用电路。由于R1、RP电阻网络的作用,使得输出电压被提高,提高的幅度取决于RP与R1的比值。调节电位器RP,即 可一定范围内调节输出电压。当RP=0时,输出电压Uo等于lm78XX稳压器输出电压;当RP逐步增大时,Uo也随之逐步提高。
为扩大输出电流的应用电路。VT2为外接扩流率管,VT1为推动管,二者为达林顿连接。R1为偏置电阻。该电路最大输出电流取决于VT2的参数。
lm7805电参数
lm7805中文资料的参数如下图:


lm7805中文资料-三端稳压器的型号规格和管脚分布

例如:78M05三端稳压器可输出+5 V、0.5 A的稳定电压;7912三端稳压器可输出 12V、1A的稳定电压。
外形及管脚分布,如附下图所示。

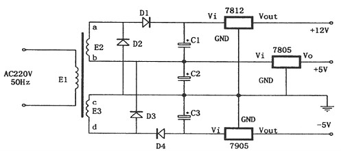
由7805,7905,7812组成的特殊的线性稳压电源
如图所示为一种特殊的电源电路。该电路虽然简单,但可以从两个相同的次级绕组中产生出三组直流电压:+5V、-5V和+12V。其特点是:D2、D3跨接在E2、E3这两组交流电源之间,起着全波整流的作用。

烜芯微专业制造二极管,三极管,MOS管,桥堆等20年,工厂直销省20%,1500家电路电器生产企业选用,专业的工程师帮您稳定好每一批产品,如果您有遇到什么需要帮助解决的,可以点击右边的工程师,或者点击销售经理给您精准的报价以及产品介绍

