1 引 言
设计了一种低功耗的单节锂离子电池保护电路,此保护电路不仅对锂离子电池提供过充电,过放电,放电过流保护,还提供充电异常保护,零伏电池充电禁止等功能。用1. 0μm双阱CMOS工艺实现。
2 锂电池保护IC的功能原理分析
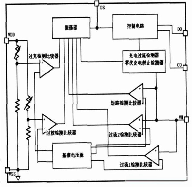
锂电池保护电路的原理图如图1 所示, E +和E - 端之间加充电器或负载。电路工作原理如下:


图1 锂电池保护原理图
正常状态:当电池电压在过放电检测电压以上且在过充电检测电压以下, VM端子的电压在充电器检测电压以上且在过电流检测电压以下时,充电控制用FET2 和放电控制用FET1 的两方均打开。
这时可以进行自由的充电和放电。这种状态叫做正常状态。
过充电保护:在充电过程中,当电池电压高于过充电检测电压,且该状态持续到过充电检测延迟时间后,控制电路输出一个低电平,关断充电控制用FET2,禁止充电。
过放电保护:在放电过程中,当电池电压低于过放电检测电压,且该状态持续到过放电检测延迟时间后,控制电路输出一个低电平,关断放电控制用FET1,禁止放电。
过电流保护:过电流保护包括一级过流保护,二级过流保护,短路保护,当放电电流过大, VM端电压上升,超过过流检测电压,且该状态持续时间超过过流检测延迟时间后,控制电路输出低电平,关断放电控制用FET1,放电禁止。在放电过程中, VM端电压就是两个处于导通态的FET上的压降(见图1) ,即VVM = I ×2RFET.式中I是通过FET的电流,即放电电流, RFET是FET的通态电阻。
充电异常保护:电池在充电过程中如果电流过大,使VM端电压下降,当低于某个设定值,并且这个状态持续到过充电检测延迟时间以上时,控制电路关断充电控制用FET2,停止充电。当VM端电压重新上升到设定值以上后,充电控制用FET1打开,充电保护异常解除。
零伏电池充电禁止:电池在久放不用的情况下,会自身放电使电池电压下降,甚至为零伏,有些锂电池因其特性的原因在被完全放电后不适宜再度充电。当电池电压低于某个设定值时,充电控制用FET2的栅极被固定在低电位,禁止充电。只有电池本身电压在零伏电池禁止充电电压以上时,才被允许充电。
3 电路设计
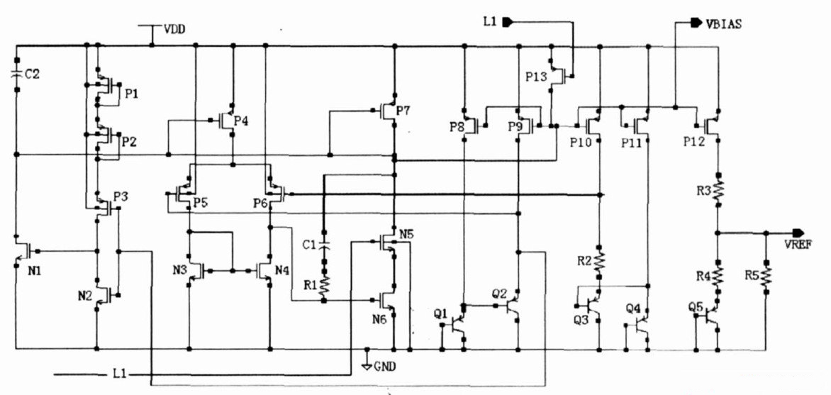
如图2所示,锂电池保护电路主要由基准源,比较器,逻辑控制电路以及一些附加功能块组成。比较器检测所用到的基准电压都要通过一个基准源电路来提供,此基准源在正常工作情况下,必须高精度,低功耗,以满足芯片要求,且能够在电源电压低至2. 2V时正常工作。


图2 锂电池保护电路的内部结构
图3就是符合此要求的带隙基准源。在该电路中, P4, P5, P6, P7,N3,N4, N6组成一个二级运放作为基准源的反馈,而运放的偏置电压由基准源来提供,既简化了电路与版图,又减少了额外功耗。通过调节MOS管的尺寸,使运放具有较高增益,较低失调电压。基准源采用级连二极管的形式, Q1, Q2发射区面积相等, Q3, Q4发射区面积相等,为了减少功耗,取Q3的面积为Q2的两倍。级连二极管形式能有效减少运放失调对输出基准电压精度的影响。
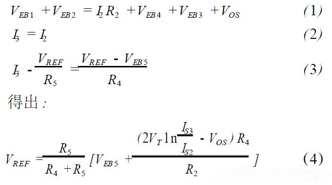
保护电路中所用的检测电压一般较低,比如一级过流检测电压为0. 15V 左右,二级过流检测电压为0. 6V左右,但一般带隙基准电路只能输出1. 2V左右的电压,电阻R5的引入就是通过对输出基准电压进行再次分压来解决这个问题。以下给出输出基准电压的计算公式:



图3 基准源电路结构
从式(4)中可以看出2 ln ( IS3 / IS2 ) VT相对于ln( IS3 / IS2 )VT受失调电压VOS的影响明显减少,即级连二极管的采用使基准电压受运放失调影响减少。
式中产生因子R5 / (R4 +R5 ) ,通过调整R4 , R5 的电阻值,可以得到小于1. 2V的基准电压。
图1中N1,N2, P1, P2, P3, C1作为启动电路,有源电阻P1, P2 起限流作用。N5, P13 为开关管,当保护电路处于休眠状态时,电路必须停止工作,使功耗降为最低,此时通过内部控制电路使L1 为低电位, P13 管打开,使偏置点VB IAS上升为高电位,P4, P7, P8, P9 , P10, P11, P12管截止,N5管关闭,切断由P13,N6形成的支路,该电路停止工作,电流几乎为零。经仿真,该基准电路在2. 2V电压下可正常工作。
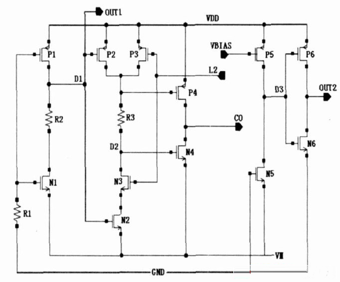
以下介绍此款锂电池保护IC的附加功能,包括充电异常检测功能,零伏电池充电禁止功能。如图4所示。


图4 附加功能电路结构
当锂电池接上充电器进行充电时, VM端相当于充电器的负端(见图1) ,产生一个- 4V左右的脉冲电压,N1管瞬间导通,同时OUT1端也产生- 4V的脉冲电压,当逻辑电路监测到OUTI端的负脉冲电压后通过逻辑控制使L2 为高电位,使N3 管导通,又因为P1管的栅极接地,当VDD大于P1管的阈值电压时, P1 管导通, D1 点为高电位, N2 管导通,D2点为低电位, P4管导通, CO为高电位,充电控制用FET2打开,允许充电,即充电器检测完成。
当锂电池由于自放电使自身电压降为PMOS管阈值以下时, P1管截止, D1为低电位,使N2管截止,节点D2无法下降到VM端电压, P4管截止, CO端为低电位,充电控制用FET2关闭,禁止充电,即为零伏电池充电禁止功能。在充电过程中, VM端电位为- I ×2RFET (见图1) , I为充电电流, RFET为FET导通电阻。当电流过大, 使VM 端电位下降到负的NMOS阈值以下时,N5管导通, D3电位下降, P6管导通,输出OUT2为高电位,当该状态持续一段时间以后,控制逻辑判断该状态有效,使L2 为低电位,N3管截止, P3管导通,D2为高电位,使CO端为低,充电控制用FET2关闭,充电停止,即为充电异常检测功能。
4 仿真时序图
图5为过充与过放电检测的HSPICE仿真时序图,从中可以看出,当比较器检测到电池过充,在这里过充检测点为4. 25V,且该状态保持时间达到过充电检测延迟时间,在这里约为1. 2秒, CO输出低电平,关断充电用FET2,停止充电。当检测到电池过放电,这里过放电检测点为2. 25V,且该状态保持时间达到过放电检测延迟时间约150毫秒,DO输出低电平,关断放电用FET1,停止放电。其它如放电过流检测等功能经HSP ICE仿真完全符合要求,在这里不一一列出。


图5 过充与过放电检测仿真时序图
5 结 论
设计的单节锂电池保护IC在正常工作状态下消耗电流为3. 3uA,休眠状态下为0. 15uA,过充电检测精度为±25mV,能在- 40°C~85°C的温度下工作,产品性能完全符合要求。
烜芯微专业制造二极管,三极管,MOS管,桥堆等20年,工厂直销省20%,4000家电路电器生产企业选用,专业的工程师帮您稳定好每一批产品,如果您有遇到什么需要帮助解决的,可以点击右边的工程师,或者点击销售经理给您精准的报价以及产品介绍
烜芯微专业制造二极管,三极管,MOS管,桥堆等20年,工厂直销省20%,4000家电路电器生产企业选用,专业的工程师帮您稳定好每一批产品,如果您有遇到什么需要帮助解决的,可以点击右边的工程师,或者点击销售经理给您精准的报价以及产品介绍

