(1)指针式绝缘电阻表的结构 常见的指针式绝缘电阻表结构主要由手摇直流发电机、磁电系比率表及测量线路构成。
①手摇发电机。手摇发电机一般由发电机、摇动手柄、传动齿轮等组成。这种发电机的容量很小,但在标准转速(120r/min)下会产生较高的电压。常见的电压等级有100V、250V、500V、1000V、2500V等。
②磁电系比率表。一般由磁路部分、电路部分、指针等组成,如图1所示。


图1 磁电系比率表的组成
磁路部分由永久磁铁、极掌、带缺口的圆柱形铁芯等构成。电路部分由两个可动的线圈(称之为动圈)构成。两个动圈彼此相交成一固定夹角,连同指针固定在同一轴上。动圈中的电流是通过导流丝导入的,当通入电流后,两个动圈内部的电流方向是相反的。此外,动圈内是带缺口的圆柱形铁芯,所以磁路空气隙内的磁场是不均匀的。
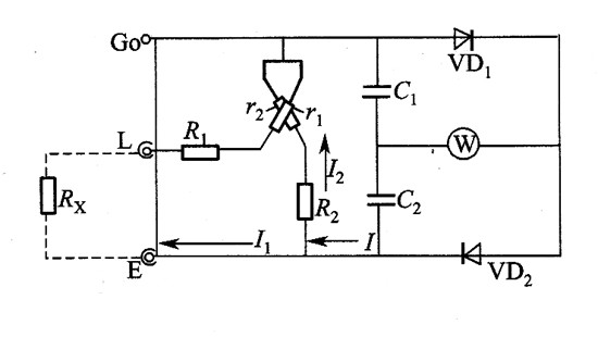
(2)绝缘电阻表工作原理 绝缘电阻表的测量电路2所示,虚线框内为表内部电路,交流发电机发出的交流电压经二极管VD1、VD2和电容器C1、C2整流、滤波后成为直流电压,加在被测电阻Rx上。表外部有3个接线端子,L端子叫线路端子;E端子叫接地端子;G端子叫屏蔽端子(又叫保护环),其内部直接与发电机负极相连。在测量电缆绝缘电阻时要使用G端子。


图2 绝缘电阻表的测量电路
测量时两个动圈中的电流I1、I2流向不同,I1产生的转动力矩M1和I2产生的转动力矩M2也相反,当两个力矩平衡时,指针停留在某一个位置,相应偏转角为α,α将由两个动圈内电流比决定,即α=F(I1/I2),而与测量电路中的电源电压无关。
由图2中可以看出,动圈1、内附电阻R1与被测电阻Rx串联;动圈2和内附电阻凡串联,它们接到发电机的两端,并承受发电机发出的测量电压。此时线圈中电流大小为


因为F是常数,由式(8-1)可知,当表的结构一定时,即R1、R2、r1、r2均为定值;U一定时,绝缘电阻表的指针偏转角大小只取决于两只动圈中电流的比值,因此称为比率表。电流I2是一个不变的常数,电流I1的大小与被测电阻Rx有关。
当被测电阻Rx=0时,I1为最大,I1/ I2的比值最大,此时动圈1产生的转动力矩M1最大,偏转角α也最大,指针向右偏转到最大位置,即指针指向零位;当被测电阻RX=∞(无穷大)时,I1趋近于零,此时动圈1的转动力矩M1也为零,在I2所产生的反作用力矩M2的作用下,指针向左偏到∞位置。在此种情况下,由于动圈2正好转到铁芯缺口处,由I2所产生的磁场与缺口处由永久磁铁产生的恒定磁场方向一致,这时不再产生反作用力矩,线圈停止转动。
由式(8-1)还可知,绝缘电阻表标度尺的刻度是不均匀的,测量范围是0~∞,但实际上这疋不可能的,因为在其标度尺上只有部分刻度能有较为准确的读数,如0~100MΩ、0~250MΩ,0~500MΩ等。
另外,由于磁电系比率表没有产生反作用力的游丝,所以一般绝缘电阻表在不用状态下,其指针可停在任意位置,但在正常放置(水平)条件下,指针一般指在标度尺中间的位置附近。
绝缘电阻表由手摇发电机产生的电压是很不稳定的,所发出电压的高低与摇动手柄的速度有关。但由磁电系比率表的原理可知,其指针偏转角度只与电流I1和I2有关,而与发电机输出电压无关。也就是说,发电机输出电压不稳是不会影响指针偏转角的。但是需要说明的是,若手摇速度过慢,则发电机产生的电压太低,将使两个动圈产生力矩减小,此时由于通电用导流丝有一定的弹性力矩,这一力矩将对可动部分有一定影响,因此测量结果就会产生误差。同时发电机产生的电压达不到额定值,其测出的绝缘电阻是不符合要求的。所以,在使用时应保持120r/min的额定转速,不能忽快忽慢。有些绝缘电阻表内部装有限速装置,能限制发电机转速,并使之以恒速转动,以保证测量的准确性。
烜芯微专业制造二极管,三极管,MOS管,桥堆等20年,工厂直销省20%,4000家电路电器生产企业选用,专业的工程师帮您稳定好每一批产品,如果您有遇到什么需要帮助解决的,可以点击右边的工程师,或者点击销售经理给您精准的报价以及产品介绍
烜芯微专业制造二极管,三极管,MOS管,桥堆等20年,工厂直销省20%,4000家电路电器生产企业选用,专业的工程师帮您稳定好每一批产品,如果您有遇到什么需要帮助解决的,可以点击右边的工程师,或者点击销售经理给您精准的报价以及产品介绍

