极速快3

您好!欢迎光临极速快3品牌官网!

深圳市极速快3有限公司

ShenZhen XuanXinWei Technoligy Co.,Ltd
二极管、三极管、MOS管、桥堆

全国服务热线:18923864027

  • 热门关键词:
  • 桥堆
  • 场效应管
  • 三极管
  • 二极管
  • 半桥电路之MOS管关键参数计算介绍
    • 发布时间:2020-10-19 18:30:36
    • 来源:
    • 阅读次数:
    半桥电路之MOS管关键参数计算介绍
    MOS管关键参数
    MOS管选型需要满足几个要求:
    1.足够的漏-源电压 VDS
    2.足够的漏极电流 ID
    3.快速开关的能力和开通、关断延时
    4.低的导通电阻Rds(on)
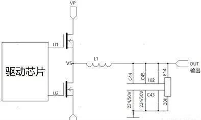
    例:如图,假设该电路输出功率为850W,负载8Ω,MOS管如何选型?
    1.Vds电压是多少?
    根据P=U*U/R,得出输出的平均电压U=82V,这是平均值,需要转化成峰值电压Uo=√2*U=116V。 又因为电源利用率为85%,所以Vp=Uo/85%=136V。Vn=-136V。所以Vds要大于136*2=272V。
    2.ID如何计算?
    根据P=I*I*R,得出I=10.3A。
    所以MOS管的选型应Vds>272V,ID>10.3A。
    可初步选择仙童的FDAF59N30,主要指标如下
    1.漏-源电压 VDS=300V
    2.漏极电流 ID=34A
    3.上升时间ton=140ns
    4.关断时间toff=120ns
    5.电阻RDS(on) = 0.056Ω
    6.栅极电荷Q g =77nc
    从上述几大指标来看,该 MOS管的工作电压、电流均满足需求,在较短的开通和关断迟时间保证了系统的稳定性。
    MOS管驱动如何选择?
    可以通过计算得到MOS管在一个完整开关周期内所需要的功率Pg。计算公式为:
    Pg=Vgs*Qg*fsw,其中Vgs栅极驱动电压,fsw为开关频率。
    FDAF59N30在栅极驱动电压为 12V,开关频率为200KHZ时的消耗功率为:
    Pg=12*77*10-9*200*103 =0.1848W
    驱动需要提供的平均电流为:
    I= Pg/ Vgs=15.4mA。
    根据经验,在保证正常工作条件下FDAF59N30的典型开通和关断时间约为200ns,因此可以反推出驱动需要提供的瞬时电流为:
    Imax=Qg/t=77nc/200ns=385mA。
    所以MOS管驱动需要需要提供的电流大于385mA。
    因为这是高压MOS管,所以需要提供浮动栅极驱动能力。
    烜芯微专业制造二极管,三极管,MOS管,桥堆等20年,工厂直销省20%,4000家电路电器生产企业选用,专业的工程师帮您稳定好每一批产品,如果您有遇到什么需要帮助解决的,可以点击右边的工程师,或者点击销售经理给您精准的报价以及产品介绍
    相关阅读
    79991cm德彩网 美彩国际7709 佰富彩采购大厅-欢迎您 名贯彩票-大发精准计划 88爱彩 - 欢迎您 美彩国际 - 欢迎您 德彩网 - 欢迎您 79991cm德彩网