极速快3

您好!欢迎光临极速快3品牌官网!

深圳市极速快3有限公司

ShenZhen XuanXinWei Technoligy Co.,Ltd
二极管、三极管、MOS管、桥堆

全国服务热线:18923864027

  • 热门关键词:
  • 桥堆
  • 场效应管
  • 三极管
  • 二极管
  • 防倒灌电路设计-MOS管防倒灌电路知识分享
    • 发布时间:2020-11-27 15:43:59
    • 来源:
    • 阅读次数:
    防倒灌电路设计-MOS管防倒灌电路知识分享
    MOS管防倒灌电路
    MOS管防倒灌电路设计如下图所示:在某些应用中,如电池充电电路中, B点是充电器接口, C点是电池接口,为了防止充电器拔掉时,电池电压出现在充电接口。
    (Q1、Q2、Q3共同组成防倒灌电路)注意Q3的DS反向接于电路,这样做是防止MOS的体=极管对电路产生的影响(如果Q3按常规方式接在电路中, C点接电源则会在B点出现电压)
    MOS管防倒灌电路
    电源自动切换
    MOS管防倒灌电路
    防倒灌电路设计
    Oring电路介绍
    Oring电路从其名字就可以知道他的功能,可以理解为单向导电电路。目前Oring电路应用于很多场合,他的作用就是保证各个单体电源互相独立、不出现反灌现象,其中最常见的就是应用于均流电路中。
    二极管由于本身具有单向导电性,所以他就是天然的Oring电路。最基本的Oring电路就是在输出端加一个二极管,如图1,根据此单体电源的输出电流和系统中连接在此单体电源输出端口可能出现的最高电压选择二极管。
    MOS管防倒灌电路
    由于二极管的正向压降比较大,当输出电流很大时(如100A),图1中的二极管Oring电路的损耗就非常大(70W左右),显然不适用于大电流Oring,这时就要应用Mos管的Oring电路,稍微复杂一点,如图2 (最基本的Mos管Oring电路)
    MOS管防倒灌电路
    由于Mos管可以看作是一个开关管并一个体二极管, 控制此Mos管当无输出电流时关断开关管、由体二极管去阻断,有输出出电流时使开关管导通,从而可以保证单向导电同时也减少正向导通时发生的损耗。
    图2与图1相比需要一个额外的辅助电压。(在一些情况下可以把Oring电路放在输出负端,同时用输出电压作为辅助电压)。
    此电路的关键因素之一是如何正确、恰当的去控制Mos管的开关。而严格的讲图2中电路一般是不能胜任的,因为Q2的BE结电压与D1的导通压降一般不相等, 如何保证他们的电压相等,从而使Mos管恰当的开关呢,图3就是改进后的电路。
    MOS管防倒灌电路
    图三中Q2, Q3是同样的管子,这样就可以保证两电压是基本相等,或者选用集成此两个三极管的器件,这样就几乎相等了,从而可以保证可以恰当的开关。此电路也经常见于很多产品中。
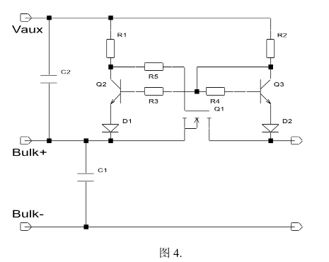
    图3是个基本成熟的电路,但是如果考虑管子的高可靠性,又需要加一些额外的电路,图4就是一个经常用的电路。
    MOS管防倒灌电路
    图4的电路基本就是一个非常可靠的Oring 电路了,R1,R2 可在具体的电路中折中选择,因为如果取值太大会提高效率,但是当外界有反高压时会反灌进去一些电流,取值太小又会降低效率。为了避专利和其他一些特殊地方的用途,图4的电路经常还要做一些变化。
    烜芯微专业制造二极管,三极管,MOS管,桥堆等20年,工厂直销省20%,4000家电路电器生产企业选用,专业的工程师帮您稳定好每一批产品,如果您有遇到什么需要帮助解决的,可以点击右边的工程师,或者点击销售经理给您精准的报价以及产品介绍
    相关阅读
    79991cm德彩网 美彩国际7709 佰富彩采购大厅-欢迎您 名贯彩票-大发精准计划 88爱彩 - 欢迎您 美彩国际 - 欢迎您 德彩网 - 欢迎您 79991cm德彩网