二极管的种类:


二极管
形形色色的二极管
二极管种类有很多,因为常见的半导体材料有硅和锗,所以二极管从所用的半导体材料来分,可分为锗二极管(Ge管)和硅二极管(Si管)。
二极管从结构上就是一个PN结,按内部结构可以分为点接触型二极管、面接触型二极管及平面型二极管。关于它们的技术工艺,请参考有关二极管的资料,但从名称上来讲,点接触型二极管只允许通过较小的电流,适用于高频小电流电路,如收音机的检波等。面接触型二极管的PN结面积较大,允许通过较大的电流,主要用于把交流电变换成直流电的“整流”电路中。平面型二极管是一种特制的硅二极管,它不仅能通过较大的电流,而且性能稳定可靠,多用于开关、脉冲及高频电路中。
根据二极管的用途,可分为检波二极管、整流二极管、稳压二极管、 开关二极管、隔离二极管、肖特基二极管、发光二极管、硅功率开关二极管、旋转二极管等。
二极管的导电特性:
在许多书上,一直在讲二极管的伏安特性,即二极管两端电压(电压单位为伏)与通过二极管电流(电流的单位为安)之间的关系曲线。但是很多是纯理论的知识,本站给出比较实际的解释说明:


二极管的伏安特性曲线
1 二极管的正向特性:


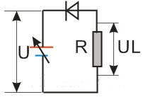
二极管加上正向电压图
当二极管的阳极(P区)接电源的正极(高电位),二极管的阴极(N区)接电源负极(低电位),称为二极管正向偏置。
设外加电压U是可以调整的,当外加电压小于0.5V(对于硅管)时,二极管处于截止状态,电路基本没有电流。这个电压称为二极管的死区电压,对于硅管,死区电压为0.5V,对于锗管,死区电压为0.1V。
当外加电压大于死区电压0.5V(硅管)后,二极管正向导通,此时二极管存在着正向压降,对于硅管,正向压降约为0.6V,即电阻R上电压UL比电源电压U小约0.6V,而用电压表测量二极管电压UD约为0.6V。
当二极管正向导通后,流过电阻R的电流为电阻端电压UL与电阻R的比值。二极管相当于一个闭合的开关,只是存在着一个约0.6V的电压降(对于硅管)。
注:锗管的正向电压降为0.2V-0.3V,所以,若比较电压降,锗管的性能比硅管好。
2 二极管的反向特性:


二极管加上反向电压图
当二极管的阴极(N区)接电源的正极(高电位),二极管的阳极(P区)接电源负极(低电位),称为二极管反向偏置。
二极管外加反向电压时,二极管处于截止状态,此时,通过电阻R只有很小的电流,这个电流称为漏电流,这人反向的漏电流越小越好。
当外加电压U达到一定时,通过电阻R的电流突然增加,此时,二极管处于击穿状态。这个电压称为反向击穿电压。用UBR表示。反向击穿有两种类型:
(1)电击穿:PN结未损坏,断电即恢复。
(2)热击穿:PN结烧毁。
电击穿是可逆的,反向电压降低后二极管仍恢复正常。因此,电击穿往往被人们所利用,如稳压管。而热击穿则是电击穿时没有采取适当的限流措施,导致电流大,电压高,使管子过热造成永久性损坏。因此,工作时应避免二极管的热击穿。
二极管的主要参数
依据二极管的工作特性和工作状态,二极管的主要参数有:
1 最大整流电流:当二极管处于正向导通状态时,允许通过的最大平均电流。在使用中,若二极管正向导通通过的电流过大,可能造成二极管的损坏。
2.最高反向工作电压:指二极管运行时允许承受的最高反向电压。
3.反向漏电流:二极管加上反向电压截止时,存在的漏电电流大小。
4.最高工作频率:此参数主要由PN 结的结电容决定,结电容越大,二极管允许的最高工作频率越低。
烜芯微专业制造二极管,三极管,MOS管,桥堆等20年,工厂直销省20%,4000家电路电器生产企业选用,专业的工程师帮您稳定好每一批产品,如果您有遇到什么需要帮助解决的,可以点击右边的工程师,或者点击销售经理给您精准的报价以及产品介绍
烜芯微专业制造二极管,三极管,MOS管,桥堆等20年,工厂直销省20%,4000家电路电器生产企业选用,专业的工程师帮您稳定好每一批产品,如果您有遇到什么需要帮助解决的,可以点击右边的工程师,或者点击销售经理给您精准的报价以及产品介绍

