今天介绍的自动调光台灯,能根据室内环境光线的强弱自动调整照明灯的护视力的功能,适合作为学生的书写用灯。
电路工作原理
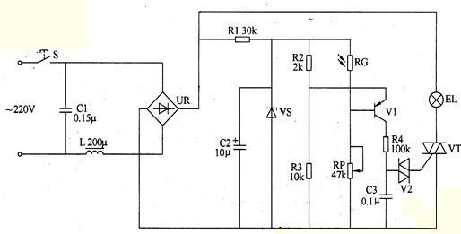
该自动调光台灯电路由电源电路和光控电路组成,如图3-201所示。
电源电路由电源开关S、滤波电容器Cl、C2、电感器L、整流桥堆UR、限流电阻器Rl和稳压二极管VS组成。
光控电路由光敏电阻器RG、电阻器肥-R4、电位器RP、电容器C3、晶位管V1、双向触发二极管V2和晶闸管VT组成。
接通电源开关S,交流220V电压经Cl和「滤波、UR整流后分为两路:一路经Rl限流、VS稳压及C2滤波后,为光控电路提供9V直流工作电压;另一路经照明灯EL加在晶闸管VT两端。
光敏电阻器RG作为光线检测探头,用来检测书本处的光照度。当书本处光照度不足时,RG的阻值增大,使Vl的基极电位降低,集电极电流增大,C3的充电时间缩短,使触发脉冲相位前移,晶闸管VT的导通角增大,EL的亮度增加;反之,当书本处光照度增加时,VT的导通角会变小,EL的亮度会减弱,从而实现了自动调光的目的。


元器件选择
Rl选用1/2W金属膜电阻器;R2-R4选用1/4W碳膜电阻器或金属膜电阻器。
RP选用有机实心电位器或合成膜电位器。
RG选用MG43或MG45系列的光敏电阻器,其亮阻应在5-lOkO之间。使用时用两根6Ocm的导线引出,装在带透明窗的塑料盒内,作为光线检测探头。
Cl选用耐压值为400V的涤纶电容器或CBB电容器;C2选用耐压值为16V的铝电解电容器;C3选用独石电容器。
VS选用lW、9V的硅稳压二极管。
UR选用lA、400V的整流桥堆。
Vl选用S9012或C8550型硅PNP晶体管;V2选用DB3或2CTS系列的双向触发二极管。
VT选用TLC336A(3A、600V)型双向晶闸管。
L选用高频扼流圈。
烜芯微专业制造二极管,三极管,MOS管,桥堆等,20年,工厂直销省20%,1500家电路电器生产企业选用,专业的工程师帮您稳定好每一批产品,如果您有遇到什么需要帮助解决的,可以直接联系上方的联系号码或加QQ,由我们的销售经理给您精准的报价以及产品介绍
烜芯微专业制造二极管,三极管,MOS管,桥堆等,20年,工厂直销省20%,1500家电路电器生产企业选用,专业的工程师帮您稳定好每一批产品,如果您有遇到什么需要帮助解决的,可以直接联系上方的联系号码或加QQ,由我们的销售经理给您精准的报价以及产品介绍

