极速快3

您好!欢迎光临极速快3品牌官网!

深圳市极速快3有限公司

ShenZhen XuanXinWei Technoligy Co.,Ltd
二极管、三极管、MOS管、桥堆

全国服务热线:18923864027

  • 热门关键词:
  • 桥堆
  • 场效应管
  • 三极管
  • 二极管
  • 场效应管对管驱动电路介绍
    • 发布时间:2021-03-19 16:53:02
    • 来源:
    • 阅读次数:
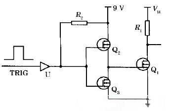
    场效应管对管驱动电路介绍
    驱动电路由缓冲器U、电阻R2 及1 对小功率场效应对管Q1 、Q2 组成。当控制信号为低电平时,同向缓冲器U 输出低电平,使得与+ 9 V 电源相联的P 沟道场效应管Q2 导通,与地相联的N 沟道场效应管Q3 截止,绝缘栅场效应管Q1的栅极为高电平, N 沟道绝缘栅场效应管Q1 导通; 当控制信号为高电平时, 同向缓冲器U 输出高电平, 使得与+ 9 V 电源相联的P 沟道场效应管Q2 截止, 与地相联的N 沟道场效应管Q3 导通, 绝缘栅场效应管Q1 的栅极为低电平, 绝缘栅场效应管Q1 管截止。电阻R2 是集电极开路同向缓冲器U 的上拉电阻。
    场效应管对管驱动电路
    烜芯微专业制造二极管,三极管,MOS管,桥堆等,20年,工厂直销省20%,1500家电路电器生产企业选用,专业的工程师帮您稳定好每一批产品,如果您有遇到什么需要帮助解决的,可以直接联系上方的联系号码或加QQ,由我们的销售经理给您精准的报价以及产品介绍
    相关阅读
    79991cm德彩网 美彩国际7709 佰富彩采购大厅-欢迎您 名贯彩票-大发精准计划 88爱彩 - 欢迎您 美彩国际 - 欢迎您 德彩网 - 欢迎您 79991cm德彩网