对于模拟 CMOS(互补对称金属氧化物半导体)而言,两大主要危害是静电和过压(信号电压超过电源电压)。了解这两大危害,用户便可以有效应对。
静电
由静电荷积累(V=q/C=1kV/nC/pF)而形成的静电电压带来的危害可能击穿栅极与衬底之间起绝缘作用的氧化物(或氮化物)薄层。这项危害在正常工作的电路中是很小的,因为栅极受片内齐纳二极管保护,它可使电荷损耗至安全水平。
然而,在插人插座时,CMOS 器件与插座之间可能存在大量静电荷。如果插人插座的第一个引脚恰巧没有连接齐纳二极管保护电路,栅极上的电荷会穿过氧化层释放而损坏器件。
以下四步有助于防止器件在系统装配阶段受损:
将未使用的 CMOS 器件存放于黑色导电泡沫材料中,这样在运输时可以防止引脚之间积累电荷;
负责器件接插的操作人员应通过一个塑料接地带与系统电源地相连;
从防护性的泡沫材料中取出 CMOS 器件前,泡沫材料应与电源共地,释放掉积累的电荷;
在电路插人电路板之后,移动电路板时应保持电路板接地或屏蔽。
SCR 闩锁
在使用模拟 CMOS 电路时,最安全的做法是确保没有超过电源电压的模拟或数字电压施加到器件上,并且电源电压在额定范围内。尽管如此,实施承受过压保护也是有必要的。如果理解了问题的机制,保护措施在大多数情况下都会是行之有效的。
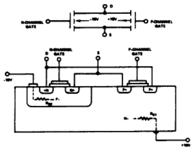
图 1 是一个典型 CMOS 输出开关单元的电路图及截面图。从不同单元和区域之间的连接关系中,我们可以画出一个等效二极管电路图(图 2)。如果在 S 端或 D 端的模拟输人电压超过电源电压。


图 1:典型 CMOS 输出开关单元的电路图及截面图


图 2:等效二极管电路图
由不同二极管结产生的寄生晶体管就会处于正向偏置模式。这些寄生的 NPN 和 PNP 晶体管形成如图 3 所示的 SCR(可控硅整流器)电路。


图 3. CMOS 开关中的寄生晶体管益沦应
过压能引起过大的电流和金属化问题。通常,运算放大器的输出作为 S 端或 D 端的电压源,因此电流不能大于运算放大器直流输出电流的限值。然而,瞬态感应电流仍有可能破坏 CMOS 器件;因此,有必要进行保护。
图 4 举例说明了通过在电源供电引脚串联二极管(比如 1N459)防止寄生晶体管导通的方法。如果 S 端或 D 端电压高于电源电压时,CR1 和 / 或 CR2 反向偏置,基极驱动电路不能使晶体管导通。每个 CMOS 器件都应该有一对独立的二极管对其进行保护。尽管这个方法很有效,但它不是万无一失的。如果开关的一端连接到一个负电位(例如一个充电电容),并且另一端电压超过 VDD,则尽管有保护二极管。


图 4:电路保护方案
在 Q2 的一个发射极的雪崩二极管足够提供基极驱动使 Q2 导通。对于这种情况,必须要有一个与电容串联的限流电源或者电阻。
如果在 S 端或 D 端有瞬时过压,那么由电压源供电的端口处的串联电阻的建议值为 300 至 400Ω(图 4b)。
烜芯微专业制造二极管,三极管,MOS管,桥堆等20年,工厂直销省20%,4000家电路电器生产企业选用,专业的工程师帮您稳定好每一批产品,如果您有遇到什么需要帮助解决的,可以点击右边的工程师,或者点击销售经理给您精准的报价以及产品介绍
烜芯微专业制造二极管,三极管,MOS管,桥堆等20年,工厂直销省20%,4000家电路电器生产企业选用,专业的工程师帮您稳定好每一批产品,如果您有遇到什么需要帮助解决的,可以点击右边的工程师,或者点击销售经理给您精准的报价以及产品介绍

