过电流保护(Over Current Protection)就是当电流超过预定最大值时,使保护装置动作的一种保护方式。当流过被保护原件中的电流超过预先整定的某个数值时,保护装置启动,并用时限保证动作的选择性,使断路器跳闸或给出报警信号。
过电流保护(Over Current Protection)当电流超过预定最大值时,使保护装置动作的一种保护方式。
过电流保护主要包括短路保护和过载保护两种类型。短路保护的特点是整定电流大、瞬时动作。电磁式电流脱扣器(或继电器)、熔断器常用作短路保护元件。过载保护的特点是整定电流较小、反时限动作。热继电器、延时型电磁式电流继电器常用作过载保护元件。
在没有太大冲击电流的情况下,熔断器也常用作过载保护元件。
在TN系统中,采用熔断器作短路保护时,熔体额定电流应小于单相短路电流的1/4;用断路器保护时,断路器瞬时动作或短延时动作过电流脱扣器的整定电流应小于单相短路电流的2/3。

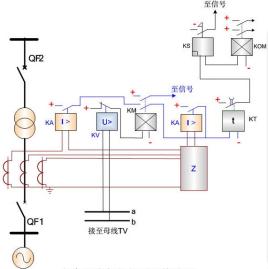
电网中发生相间短路故障或者非正常负载增加,绝缘等级下降等情况下,电流会突然增大,电压突然下降,过流保护就是按线路选择性的要求,整定电流继电器的动作电流的。当线路中故障电流达到电流继电器的动作值时,电流继电器动作按保护装置选择性的要求,有选择性的切断故障线路,通过其触点启动时间继电器,经过预定的延时后,时间继电器触点闭合,将断路器跳闸线圈接通,断路器跳闸,故障线路被切除,同时启动了信号继电器,信号牌掉下,并接通灯光或音响信号。
当出现负载短路、过载或者控制电路失效等意外情况时,会引起流过稳压器中开关三极管的电流过大,使管子功耗增大,发热,若没有过流保护装置,大功率开关三极管就有可能损坏。故而在开关稳压器中过电流保护是常用的。最经济简便的方法是用保险丝。由于晶体管的热容量小,普通保险丝一般不能起到保护作用,常用的是快速熔断保险丝。这种方法具有保护容易的优点,但是,需要根据具体开关三极管的安全工作区要求来选择保险丝的规格。这种过流保护措施的缺点是带来经常更换保险丝的不便。
在线性稳压器中常用的限流保护和电流截止保护在开关稳压器中均能应用。但是,根据开关稳压器的特点,这种保护电路的输出不能直接控制开关三极管,而必须使过电流保护的输出转换为脉冲指令,去控制调制器以保护开关三极管。为了实现过电流保护一般均需要用取样电阻串联在电路中,这会影响电源的效率,因此多用于小功率开关稳压器的场合。而在大功率的开关稳压电源中,考虑到功耗,应尽量避免取样电阻的接入。因此,通常将过电流保护转换为过、欠电压保护。
定时限过流保护动作原理
定时限过流保护,其动作时限与故障电流之间的关系表现为定时限特性,即继电器保护动作时限与系统短路电流的数值大小无关,只要系统故障电流转换成保护装置中的电流,达到或超过保护的整定电流值,继电保护就以固有的整定时限动作,使断路器掉闸,切除故障。当主电路出现过电流时,电流继电器3KA或4KA线圈获电,继电器的常开触点闭合,使时间继电器KT开始计时,计时结束。KT的常开触点(延时)闭合,并接通信号继电器2KS及跳闸线圈YA-F,从而实现断路器掉闸。速断保护是由电流继电器1KA或2KA控制中间继电器KM动作的(动作无延时),当1KA或2KA常开触点闭合,KM线圈获电后,KT的常开触点闭合,并接通信号继电器1KS及跳闸线圈YA-F,从而实现断路器掉闸。
电流回路中,1KC、2KC为速断保护元件,有较大的整定电流。3KC、4KC为过电流保护元件,有较小的整定电流。串接于同一电流互感器回路。在正常情况下,继电器均流过负荷电流,由于负荷电流小于速断保护元件和过电流保护元件的整定值,继电器不起动,保护不动作,断路器不跳闸。当变压器低压出线发生短路故障时,3KC(4KC)起动,接通时间元件KT,开始汁算时间,过电流保护元件动作顺序如下:3KC(4KC)→KT(线圈)→KT延时闭合接点→2KS→2XB→YR变压器高压侧断路器跳闸。当变压器高压侧发生短路故障时,速断保护元件1KC、2KC起动,速断保护元件动作顺序如下:1KC(2KC)→KA→1KS→lXB→YR断路器跳闸,切除故障点。
反时限过流保护动作原理
在正常情况下,lKC,2KC过流继电器中流过经变换的负荷电流,由于该负荷电流小于继电器的整定值,感应转盘在负荷电流作用下匀速转动,继电器不动作,其常开、常闭接点不转换,过电流脱扣器(KCT)中无电流,断路器不跳闸。这时继电保护起监视作用。
当变压器低压出线回路短路故障时,故障电流大于lKC、2KC继电器整定值,感应过流元件也起动,经过规定的时间动作,接点转换,其常开接点先闲合,接通了过电流脱扣器线圈,常闭接点后打开,去分流作用消失,使短路电流全部通过断路器的过电流脱扣器,断路器可靠掉闸。
当变压器低压母线短路故障时,1KC,2KC:继电器感应过流元件起动(电磁元件不动作),经过反时限延时,接点转换,断路器跳闸。
当变压器高压侧发生短路故障时,短路电流大于电磁元件和感应元件整定值,两元件均起动,由于电磁元件动作,接点转换使断路器跳闸。
反时限过流保护:反时限过电流保护的动作时间是一个变数,随短路电流大小而变,短路电流大,动作时间快,短路电流小,动作时间慢,表现为反时限特性。就是说继电保护的动作时间与短路电流大小有关,成反比例关系。
烜芯微专业制造二极管,三极管,MOS管,桥堆等20年,工厂直销省20%,4000家电路电器生产企业选用,专业的工程师帮您稳定好每一批产品,如果您有遇到什么需要帮助解决的,可以点击右边的工程师,或者点击销售经理给您精准的报价以及产品介绍
烜芯微专业制造二极管,三极管,MOS管,桥堆等20年,工厂直销省20%,4000家电路电器生产企业选用,专业的工程师帮您稳定好每一批产品,如果您有遇到什么需要帮助解决的,可以点击右边的工程师,或者点击销售经理给您精准的报价以及产品介绍

