IGBT(InsulatedGateBipolarTransistor),绝缘栅双极型晶体管,是由BJT(双极型三极管)和MOS(绝缘栅型场效应管)组成的复合全控型电压驱动式功率半导体器件,兼有MOSFET的高输入阻抗和GTR的低导通压降两方面的优点。GTR饱和压降低,载流密度大,但驱动电流较大;MOSFET驱动功率很小,开关速度快,但导通压降大,载流密度小。IGBT综合了以上两种器件的优点,驱动功率小而饱和压降低。非常适合应用于直流电压为600V及以上的变流系统如交流电机、变频器、开关电源、照明电路、牵引传动等领域。
IGBT模块是由IGBT(绝缘栅双极型晶体管芯片)与FWD(续流二极管芯片)通过特定的电路桥接封装而成的模块化半导体产品;封装后的IGBT模块直接应用于变频器、UPS不间断电源等设备上;
IGBT模块具有节能、安装维修方便、散热稳定等特点;当前市场上销售的多为此类模块化产品,一般所说的IGBT也指IGBT模块;随着节能环保等理念的推进,此类产品在市场上将越来越多见;
IGBT是能源变换与传输的核心器件,俗称电力电子装置的“CPU”,作为国家战略性新兴产业,在轨道交通、智能电网、航空航天、电动汽车与新能源装备等领域应用极广。


IGBT原理
方法
IGBT是将强电流、高压应用和快速终端设备用垂直功率MOSFET的自然进化。由于实现一个较高的击穿电压BVDSS需要一个源漏通道,而这个通道却具有很高的电阻率,因而造成功率MOSFET具有RDS(on)数值高的特征,IGBT消除了现有功率MOSFET的这些主要缺点。虽然最新一代功率MOSFET器件大幅度改进了RDS(on)特性,但是在高电平时,功率导通损耗仍然要比IGBT技术高出很多。较低的压降,转换成一个低VCE(sat)的能力,以及IGBT的结构,同一个标准双极器件相比,可支持更高电流密度,并简化IGBT驱动器的原理图。
导通
IGBT硅片的结构与功率MOSFET的结构十分相似,主要差异是IGBT增加了P+基片和一个N+缓冲层(NPT-非穿通-IGBT技术没有增加这个部分)。如等效电路图所示(图1),其中一个MOSFET驱动两个双极器件。基片的应用在管体的P+和N+区之间创建了一个J1结。当正栅偏压使栅极下面反演P基区时,一个N沟道形成,同时出现一个电子流,并完全按照功率MOSFET的方式产生一股电流。如果这个电子流产生的电压在0.7V范围内,那么,J1将处于正向偏压,一些空穴注入N-区内,并调整阴阳极之间的电阻率,这种方式降低了功率导通的总损耗,并启动了第二个电荷流。最后的结果是,在半导体层次内临时出现两种不同的电流拓扑:一个电子流(MOSFET电流);一个空穴电流(双极)。
关断
当在栅极施加一个负偏压或栅压低于门限值时,沟道被禁止,没有空穴注入N-区内。在任何情况下,如果MOSFET电流在开关阶段迅速下降,集电极电流则逐渐降低,这是因为换向开始后,在N层内还存在少数的载流子(少子)。这种残余电流值(尾流)的降低,完全取决于关断时电荷的密度,而密度又与几种因素有关,如掺杂质的数量和拓扑,层次厚度和温度。少子的衰减使集电极电流具有特征尾流波形,集电极电流引起以下问题:功耗升高;交叉导通问题,特别是在使用续流二极管的设备上,问题更加明显。
鉴于尾流与少子的重组有关,尾流的电流值应与芯片的温度、IC和VCE密切相关的空穴移动性有密切的关系。因此,根据所达到的温度,降低这种作用在终端设备设计上的电流的不理想效应是可行的。
阻断与闩锁
当集电极被施加一个反向电压时,J1就会受到反向偏压控制,耗尽层则会向N-区扩展。因过多地降低这个层面的厚度,将无法取得一个有效的阻断能力,所以,这个机制十分重要。另一方面,如果过大地增加这个区域尺寸,就会连续地提高压降。第二点清楚地说明了NPT器件的压降比等效(IC和速度相同)PT器件的压降高的原因。
当栅极和发射极短接并在集电极端子施加一个正电压时,P/NJ3结受反向电压控制,此时,仍然是由N漂移区中的耗尽层承受外部施加的电压。
IGBT在集电极与发射极之间有一个寄生PNPN晶闸管(如图1所示)。在特殊条件下,这种寄生器件会导通。这种现象会使集电极与发射极之间的电流量增加,对等效MOSFET的控制能力降低,通常还会引起器件击穿问题。晶闸管导通现象被称为IGBT闩锁,具体地说,这种缺陷的原因互不相同,与器件的状态有密切关系。通常情况下,静态和动态闩锁有如下主要区别:
当晶闸管全部导通时,静态闩锁出现,只在关断时才会出现动态闩锁。这一特殊现象严重地限制了安全操作区。为防止寄生NPN和PNP晶体管的有害现象,有必要采取以下措施:防止NPN部分接通,分别改变布局和掺杂级别,降低NPN和PNP晶体管的总电流增益。此外,闩锁电流对PNP和NPN器件的电流增益有一定的影响,因此,它与结温的关系也非常密切;在结温和增益提高的情况下,P基区的电阻率会升高,破坏了整体特性。因此,器件制造商必须注意将集电极最大电流值与闩锁电流之间保持一定的比例,通常比例为1:5。


IGBT的使用方法
IGBT绝缘栅双极型晶体管是一种典型的双极MOS复合型功率器件。它结合功率MOSFET的工艺技术,将功率MOSFET和功率管GTR集成在同一个芯片中。该器件具有开关频率高、输入阻抗较大、热稳定性好、驱动电路简单、低饱和电压及大电流等特性,被作为功率器件广泛应用于工业控制、电力电子系统等领域(例如:伺服电机的调速、变频电源)。为使我们设计的系统能够更安全、更可靠的工作,对IGBT的保护显得尤为重要。
目前,在使用和设计IGBT的过程中,基本上都是采用粗放式的设计模式——所需余量较大,系统庞大,但仍无法抵抗来自外界的干扰和自身系统引起的各种失效问题。瞬雷电子公司利用在半导体领域的生产和设计优势,结合瞬态抑制二极管的特点,在研究IGBT失效机理的基础上,通过整合系统内外部来突破设计瓶颈。本文将突破传统的保护方式,探讨IGBT系统电路保护设计的解决方案。
IGBT失效场合:来自系统内部,如电力系统分布的杂散电感、电机感应电动势、负载突变都会引起过电压和过电流;来自系统外部,如电网波动、电力线感应、浪涌等。归根结底,IGBT失效主要是由集电极和发射极的过压/过流和栅极的过压/过流引起。
IGBT失效机理:IGBT由于上述原因发生短路,将产生很大的瞬态电流——在关断时电流变化率di/dt过大。漏感及引线电感的存在,将导致IGBT集电极过电压,而在器件内部产生擎住效应,使IGBT锁定失效。同时,较高的过电压会使IGBT击穿。IGBT由于上述原因进入放大区,使管子开关损耗增大。
IGBT传统防失效机理:尽量减少主电路的布线电感量和电容量,以此来减小关断过电压;在集电极和发射极之间,放置续流二极管,并接RC电路和RCD电路等;在栅极,根据电路容量合理选择串接阻抗,并接稳压二极管防止栅极过电压。
IGBT失效防护
集电极过电压、过电流防护,以IGBT变频调速电源主电路为例(图1)。
在集电极和发射极之间并接RC滤波电路,可有效地抑制关断过电压和开关损耗。但在实际应用中,由于DC电源前端的浪涌突波会使集电极过电压,并使RC滤波电路部分的抑制效果生效,IGBT通常都会被击穿或者短路。另外,在电机起动时,由于起动时的大电流,在主线路中分布的电感亦会造成较大程度的感应过电压,使IGBT损坏。同时,电机励磁造成的感应电动势,对电路的破坏也相当地大——工程师们经常没有考虑到这一点。


图1:IGBT变频调速电源主电路
上述情况,浪涌突波部分可以用防雷电路进行防护。瞬雷电子开发的蓝宝宝浪涌抑制器(BPSS),在雷击方面既具有极大的过电流能力,又具有极低的残压。同时,针对电机部分,参照ISO7637的相关标准,该产品完全可以使用。而使用其他器件则不能同时达到上述两种情况。具体问题有:压敏电阻在ISO7637的长波(P5A)中容易失效,并且不宜长期使用;陶瓷放电管不能直接用于有源电路中,常因续流问题导致电路短路,并且抑制电压过高。
栅极过电压、过电流防护
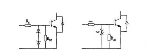
传统保护模式:防护方案防止栅极电荷积累及栅源电压出现尖峰损坏IGBT——可在G极和E极之间设置一些保护元件,如下图的电阻RGE的作用,是使栅极积累电荷泄放(其阻值可取5kΩ);两个反向串联的稳压二极管V1和V2,是为了防止栅源电压尖峰损坏IGBT。另外,还有实现控制电路部分与被驱动的IGBT之间的隔离设计,以及设计适合栅极的驱动脉冲电路等。然而即使这样,在实际使用的工业环境中,以上方案仍然具有比较高的产品失效率——有时甚至会超出5%。相关的实验数据和研究表明:这和瞬态浪涌、静电及高频电子干扰有着紧密的关系,而稳压管在此的响应时间和耐电流能力远远不足,从而导致IGBT过热而损坏。


图2:传统保护模式和新型保护模式电路对比
新型保护模式:将传统的稳压管改为新型的瞬态抑制二极管(TVS)。一般栅极驱动电压约为15V,可以选型SMBJ15CA。该产品可以通过IEC61000-4-5浪涌测试10/700US6kV。
TVS反应速度极快(达PS级),通流能力远超稳压二极管(可达上千安培),同时,TVS对静电具有非常好的抑制效果。该产品可以通过IEC61000-4-2接触放电8kV和空气放电15kV的放电测试。
将传统电阻RG变更为正温度系数(PPTC)保险丝。它既具有电阻的效果,又对温度比较敏感。当内部电流增加时,其阻抗也在增加,从而对过流具有非常好的抑制效果。
烜芯微专业制造二极管,三极管,MOS管,桥堆等20年,工厂直销省20%,4000家电路电器生产企业选用,专业的工程师帮您稳定好每一批产品,如果您有遇到什么需要帮助解决的,可以点击右边的工程师,或者点击销售经理给您精准的报价以及产品介绍
烜芯微专业制造二极管,三极管,MOS管,桥堆等20年,工厂直销省20%,4000家电路电器生产企业选用,专业的工程师帮您稳定好每一批产品,如果您有遇到什么需要帮助解决的,可以点击右边的工程师,或者点击销售经理给您精准的报价以及产品介绍

