随着我国科技生产水平的不断提高,各行各业对供电质量的要求越来越高, 而智能高频开关电源作为一种继电保护装置和控制回路装置,为生活和生产中的供电的可靠性提供了有力的保障。当市电供电中断时还可以作为后备电源,所以说智能高频开关电源是对供电质量保证的重要组成部分之一。它具有高度灵活组合、自主监控的特点,另外可靠性强、稳定性好且具有体积小、噪声低、节能高效、维护方便等也是它的一大优点。
可以说智能高频开关电源是一种集计算机技术、控制技术、通信技术于一体的高科技产品, 可实现系统的自动诊断、自动测试和自动控制。本文主要阐述的是智能高频开关电源的整流模块的设计方案。
1 系统总体结构介绍
智能高频开关电源系统的总体结构主要由主监控单元、配电模块、交流配电单元、整流模块等组成, 系统总体的结构图如图1 所示。系统中的各个监控单元受主监控单元的管理和控制, 通过通信线将各个监控单元采集的信息送给主监控统一管理。主监控显示直流系统各种信息, 用户也可以触摸显示屏查询信息及操作,系统信息还可以接入到远程监控系统中。系统除了交流监控、直流监控、开关量监控等基础单位外, 还配置了绝缘监测、降压装置、电池巡检等功能单元,以达到对直流系统进行全面监控的目的。

图1 系统控制原理图
工作时两路市电(交流) 经过交流切换装置输入一路交流, 给各个整流模块供电。整流模块将输入三相交流电转换为直流电, 给备用电源(蓄电池) 充电, 同时也给合闸母线负载供电, 另外合闸母线通过降压装置给控制母线供电。所以说本文设计的整流模块是将整流和充电两项功能结合于一体的一种新型的整流模块。
2 整流模块的设计
整流模块是智能高频开关电源系统中的一个重要部分, 关系到系统的直流电压输出和工作时电压输出的稳定状况。本文的设计主要是对模块整流原理的改进和完善, 利用无源PFC 和DC/ DC 变换器的原理, 使得改进后的模块能够有效完成整流作用。
本文设计的整流模块的工作原理框图如图2 所示,工作时, 模块首先通过过防雷处理和滤波对输入的三相交流进行处理, 这样才能保证模块后级电路的安全; 经过处理后的三相交流经过整流和无源PFC 后转换成高压直流时, 这时转换的高压直流要经过DC/DC变换器再次转换成可变的直流电压输出; 另外模块控制部分还有负责过压、过流以及短路保护等作用, 这样才能保证输出电压的稳定, 也同时能对模块各部件进行保护。模块还在远程监控中提供了 四遥 (遥控、遥调、遥测、遥信) 接口。

图2 整流模块的的工作原理图
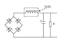
即功率因数校正( Pow er Factor Correct ion, PFC)是指有效功率与总耗电量( 视在功率) 之间的关系, 也就是有效功率除以总耗电量( 视在功率) 的比值。无源PFC 是指不使用晶体管等一些有源器件组成的校正电路, 一般情况下由二极管、电阻、电容和电感等无源器材组成。本文的PFC 主要是在整流桥堆和滤波电容之间加1 个电感, 具体原理如图3 所示, 利用电感上的电流不能突变的特性来平滑电容充电强脉冲的波动, 改善电路中电流的畸变,并且利用电感上的电压超前于电流这一特性来补偿滤波电容电流超前电压的特性, 使功率因数和电磁干扰都得以改善。
这种方式只是一种简单的补偿措施, 只能做到抑制电流瞬时突变的目的, 但电流畸变的校正及功率因数的补偿能力都很差 。
DC/ DC 变换器将一个固定的直流电压变换为可变的直流电压, 这种控制具有加速平稳、快速响应的性能,同时可以收到节约电能的效果。用直流斩波器代替变阻器可节约20% ~ 30%的电能。直流斩波器不仅能起到调压作用, 还能起到有效抑制电网侧谐波电流噪声的作用。

图3 无源PFC原理图
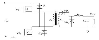
本文的DC/ DC 变换器采用双管正激式DC/ DC 变换器, 它的原理如图4 所示, 变压器T 1 起隔离和变压的作用, 在输出端要加一个电感器L o ( 续流电感) 起能量的储存及传递作用, 变压器初级无再有复位绕组, 因为VD1 , VD2 的导通限制了两个调整管关断时所承受的电压。输出回路需有一个整流二极管VD3 和一个续流二极管VD4 ( VD3 , VD4 最好均选用恢复时间快的整流管) 。输出滤波电容CO 应选择低、大容量的电容, 这样有利于降低纹波电压。双管正激式DC/ DC 变换器的工作特点如下:
(1) 在任何工作条件下, 为使两个开关管所承受的电压不会超过UIN , Ud ( UIN 为输入电压; Ud 为VD1 ,VD2 的正向压降) , VD1 , VD2 必须是快恢复管, 其在实际设计和调试中恢复时间越短越好。
(2) 与单端正激式DC/ DC 变换器相比, 它无须复位电路, 这有利于简化电路和变压器的设计; 它的功率器件可选择较低的耐压值; 它功率等级也会很大。
(3) 两个开关管的工作状态一致, 会同时处于通态或断态。所以使用在智能高频开关电源这样大功率等级电源中比较适合。

图4 双管正激式DC/DC变换器的电路图
平滑滤波原理: 整流电路将交流电变为脉动直流电, 但其中含有大量的交流成分( 称为纹波电压) 。为了获得平滑的直流电压, 应在整流电路的后面加接滤波电路, 以滤去交流部分。此时在桥式整流电路输出端与负载之间并联一个大电容, 采用电容滤波后使二极管得到的时间缩短, 由于电容CO 充电的瞬时电流较大, 形成了浪涌电流, 容易损坏二极管, 故在选择二极管时, 必须留有足够的电流裕量, 以免烧坏。
3 整流模块的功能介绍
整流模块除了能将输入的交流(380 V、50 Hz) 变换成额定的直流输出(5A/ 230 V) 之外, 还具有保护功能和设置功能, 现将模块的保护功能和设置功能介绍如下:
3. 1 保护功能介绍
(1) 输出过压保护。输出电压过高会对用电设备造成重大事故, 为杜绝此类事故的发生, 在模块内部设有过压保护电路, 当出现过压后模块自动锁定, 同时模块的故障指示灯亮, 模块自动退出工作状态, 从而不会影响到整个系统的正常运行。
(2) 输出限流保护。因为每个整流模块的输出功率受到限制, 输出的电流不能过大。因此, 对每个模块的输出电流最大限制为额定输出电流的1. 2 倍, 如果超出负载, 模块自动调低输出电压以达到保护模块的功能。
(3) 短路保护。整流模块的输出特性如图5 所示,输出短路时模块在瞬间把输出电压拉低到零, 限制短路电流在限流点之下, 此时模块输出功率很小, 以达到保护模块的目的, 这样模块长期可以长期工作在短路状态而不至于损坏, 同时当故障排除后模块可以自动恢复工作。

图5 整流模块输出特性
(4) 模块并联保护。每个模块内部均有并联保护电路, 可以保证模块发生故障时自动退出系统, 从而不影响其他正常模块的工作。模块并联输出示意图如图6所示。

图6 模块并联输出示意图
(5) 过温保护。模块的过温保护主要是保护大功率变流器件, 这些器件的结温和电流过载能力均有安全极限值, 正常工作的情况下, 系统设计留有足够余量, 但在一些特殊条件下, 如环境温度过高、风机停转灯情况下, 模块检测散热器温度超过一定值时, 就会自动关机保护, 当温度降低到能够正常工作的温度值时模块才自动启动。
(6) 过流保护。过流保护主要是保护大功率变流器件, 在变流的每一个周期, 如果通过的电流超过器件承受的电流, 模块就会关闭功率器件, 以达到保护功率器件的目的。
3. 2 调节功能介绍
(1) 电压调节功能。模块的电压调节主要是指输出电压的调节, 在模块的输出端设有电压调节电位器,当模块和监控单元相连接时, 输出电压也可以由监控系统设定, 这时电位器调节无效。
(2) 测量功能。模块的测量功能主要是测量模块的输出电压和电流以及模块的工作状态, 并通过LCD 显示, 可以使用户直观方便的了解模块和系统的工作状态。
(3) 遥控功能。遥控: 控制模块的开/ 关机状态, 以及备用电源( 蓄电池) 的均/ 浮充状态; 遥调: 对输出电压和输出电流的调节控制; 遥测: 可以在模块工作时测量输出电流和输出电压的值; 遥信: 通过远程监控监测模块的工作状态。
4 结 语
本文主要对智能高频开关电源系统中的整流模块进行的设计与研究, 利用无源PFC 电路的原理, 改善电路中电流的畸变, 外加DC/ DC 变换器抑制电网侧谐波电流噪声, 体现了智能高频开关电源系统中整流模块的优点, 适用于铁路、矿山等变电场所。该系统虽然能够准确的进行交流变换, 但是在对备用电源充电时的均匀性方面都比较弱, 同时成本也比较高, 同时在防雷滤波方面的改进也不是很完善, 所以还要在这些方面进一步的改善和提高。
烜芯微专业制造二极管,三极管,MOS管,桥堆等20年,工厂直销省20%,4000家电路电器生产企业选用,专业的工程师帮您稳定好每一批产品,如果您有遇到什么需要帮助解决的,可以点击右边的工程师,或者点击销售经理给您精准的报价以及产品介绍
烜芯微专业制造二极管,三极管,MOS管,桥堆等20年,工厂直销省20%,4000家电路电器生产企业选用,专业的工程师帮您稳定好每一批产品,如果您有遇到什么需要帮助解决的,可以点击右边的工程师,或者点击销售经理给您精准的报价以及产品介绍

