Ne555定时器是一种集成电路芯片,常被用于定时器、脉冲产生器和振荡电路。555可被作为电路中的延时器件、触发器或起振元件。
1.ne555定时器工作原理
NE555的工作温度范围为0-70°C,军用级的SE555的工作温度范围为−55到+125 °C。555的封装分为高可靠性的金属封装(用T表示)和低成本的环氧树脂封装(用V表示),所以555的完整标号为NE555V、NE555T、SE555V和SE555T。一般认为555芯片名字的来源是其中的三枚5KΩ电阻,但Hans Camenzind否认这一说法并声称他是随意取的这三个数字。
555定时器可工作在三种工作模式下:
1、单稳态模式:在此模式下,555功能为单次触发。应用范围包括定时器,脉冲丢失检测,反弹跳开关,轻触开关,分频器,电容测量,脉冲宽度调制(PWM)等。
2、无稳态模式:在此模式下,555以振荡器的方式工作。这一工作模式下的555芯片常被用于频闪灯、脉冲发生器、逻辑电路时钟、音调发生器、脉冲位置调制(PPM)等电路中。如果使用热敏电阻作为定时电阻,555可构成温度传感器,其输出信号的频率由温度决定。
3、双稳态模式(或称施密特触发器模式):在DIS引脚空置且不外接电容的情况下,555的工作方式类似于一个RS触发器,可用于构成锁存开关。

2.ne555定时器引脚图及功能

1脚:GND(地),接地,作为低电平(0V)
2脚:TRIG(触发),当此引脚电压降至1/3VCC(或由控制端决定的阈值电压)时输出端给出高电平。
3脚:OUT(输出),输出高电平(+VCC)或低电平。
4脚:RST(复位),当此引脚接高电平时定时器工作,当此引脚接地时芯片复位,输出低电平。
5脚:CTRL(控制),控制芯片的阈值电压。(当此管脚接空时默认两阈值电压为1/3VCC与2/3VCC).
6脚:THR(阈值),当此引脚电压升至2/3VCC(或由控制端决定的阈值电压)时输出端给出低电平。
7脚:DIS(放电),内接OC门,用于给电容放电。
8脚:V+,VCC(供电),提供高电平并给芯片供电。
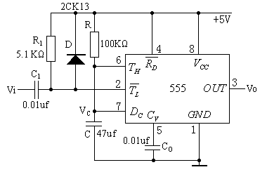
3.ne555定时器电路图
下图为由555定时器和外接定时元件R、C构成的单稳态触发器。D为钳位二极管,稳态时555电路输入端处于电源电平,内部放电开关管T导通,输出端Vo输出低电平,当有一个外部负脉冲触发信号加到Vi端。并使2端电位瞬时低于1/3V.,低电平比较器动作,单稳态电路即开始一个稳态过程,电容C开始充电,Vc按指数规律增长。当Vc充电到2/ ..时,高电平比较器动作,比较器A1翻转,输出Vo从高电平返回低电平,放电开关管T重新导通,电容C上的电荷很快经放电开关管放电,暂态结束,恢复稳定,为下个触发脉冲的来到作好准备。

烜芯微专业制造二极管,三极管,MOS管,桥堆等20年,工厂直销省20%,4000家电路电器生产企业选用,专业的工程师帮您稳定好每一批产品,如果您有遇到什么需要帮助解决的,可以点击右边的工程师,或者点击销售经理给您精准的报价以及产品介绍

