极速快3

您好!欢迎光临极速快3品牌官网!

深圳市极速快3有限公司

ShenZhen XuanXinWei Technoligy Co.,Ltd
二极管、三极管、MOS管、桥堆

全国服务热线:18923864027

  • 热门关键词:
  • 桥堆
  • 场效应管
  • 三极管
  • 二极管
  • 24V电源的工作原理-24V电源的作用介绍
    • 发布时间:2021-05-14 16:33:17
    • 来源:
    • 阅读次数:
    24V电源的工作原理-24V电源的作用介绍
    24V开关电源,是高频逆变开关电源中的一个种类。通过电路控制开关管进行高速的道通与截止,将直流电转化为高频率的交流电提供给变压器进行变压,从而产生所需要的一组或多组电压。
    什么是 24V 电源
    24V 电源与 24V 开关电源、24V Ac adapter 名词相同,AC 输入 100-240V;DC 输出 24V 的电源。24V 电源将直流电转化为高频交流电的原因是高频交流在变压器变压电路中的效率要比 50HZ 高很多,所以开关变压器可以做的很小,而且工作时不是很热,成本较低。
    如果不将 50HZ 变为高频那开关电源就没有意义。24V 电源大体可以分为隔离和非隔离两种,隔离型的必定有开关变压器,而非隔离的未必一定有。
    24V电源
    24V 电源工作原理
    当市电进入电源后,先通过扼流线圈和电容滤波去除高频杂波和干扰信号,然后经过整流和滤波得到高压直流电。接着通过开关电路把高压直流电转成高频脉动直流电,再送高频开关变压器降压。最后滤除高频交流部份,这样最后输出供电脑使用的相对纯净的低压直流电。
    24V 电源的工作原理是:
    1. 交流电源输入经整流滤波成直流;
    2. 通过高频 PWM(脉冲宽度调制)信号控制开关管,将直流加到开关变压器初级上;
    3. 开关变压器次级感应出高频电压,经整流滤波供给负载;
    4. 输出部分通过一定的电路反馈给控制电路,控制 PWM 占空比,以达到稳定输出的目的。
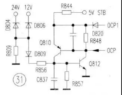
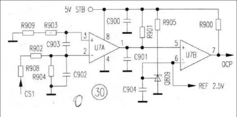
    24V 开关电源的电路图如下所示:
    24V电源
    24V电源
    24V 电源作用
    开关电源的作用是将一个位准的电压,透过不同形式的架构转换为用户端所需求的电流或电压。
    开关电源利用的切换晶体管在全开模式(饱和区)及全闭模式(截止区)之间切换,这两个模式都有低耗散的特点,切换之间的转换会有较高的耗散,但时间很短,因此比较节省能源,产生废热较少。开关电源本身是不会消耗电能的。
    开关电源的高转换效率是其一大优点,而且因为开关电源工作频率高,可以使用小尺寸、轻重量的变压器,因此开关电源也会比线性电源的尺寸要小,重量也会比较轻。
    开关电源产品广泛应用于工业自动化控制、军工设备、科研设备、LED 照明、工控设备、通讯设备、电力设备、仪器仪表、医疗设备、半导体制冷制热;以及消费类电子产品,例如空气净化器、冰箱、液晶显示器、LED 灯具、通讯设备、视听产品、安防监控、LED 灯带、电脑机箱、数码产品和仪器类等领域。
    烜芯微专业制造二极管,三极管,MOS管,桥堆等20年,工厂直销省20%,4000家电路电器生产企业选用,专业的工程师帮您稳定好每一批产品,如果您有遇到什么需要帮助解决的,可以点击右边的工程师,或者点击销售经理给您精准的报价以及产品介绍
    相关阅读
    79991cm德彩网 美彩国际7709 佰富彩采购大厅-欢迎您 名贯彩票-大发精准计划 88爱彩 - 欢迎您 美彩国际 - 欢迎您 德彩网 - 欢迎您 79991cm德彩网