LM324N是高增益电压运算放大器
LM324N 中文资料
Lm324n 是一个具有差分输入和单端输出的高增益电压放大器。
它是这样设计的,输入端之间的电压差产生一个更大幅度的输出信号。
它由四个独立的运放组成,合并在一个单一的 14 针 DIP 包。
运算放大器是模拟计算机中用来在非线性和线性电路中执行许多数学运算的初始器件。
Lm324n 主要工作在一个单一的电源和宽范围的电压。
我们也可以在分割电源上操作这个装置,但是,电源电流的漏出并不取决于电源电压的强弱。
由于该运放具有负反馈特性,因此该电路的带宽、阻抗和输入端等特性不影响制造过程的变化和温度系数。
运放广泛应用于许多电子领域,如振荡器、整流器和比较器,是目前最常见的科学器件。
该放大器的输出电压为接地,也允许直接检测接地。Lm324n 兼容各种形式的逻辑电路。
该放大器的电源漏极适用于电池操作。
在线性操作模式下,电压范围在地电压和输出电压之间。
该放大器的单位增益、交叉频率和输入偏置电流进行了温度补偿。
通常,运算放大器放大输入电压之间的差值,通常称为输入电压差。
该放大器的差分输入由逆变输入电压 V_ 和非逆变输入电压 V+组成。该运放的输出由
V(out)= AoL(V+ _)
这里 AoL 代表放大器的开环增益。因为它是开环增益,所以它不包含从输出到输入的反馈。
AoL 的规模非常大,有时可达 100,000,所以非逆变电压和逆变电压之间的微小差异将输出电压放大到接近电源电压。
输出电压等于或大于输入电压的状态称为放大器的饱和状态。
需要注意的是,开环放大器的增益大小不能由制造过程控制,因此开环放大器不能作为单独的差动放大器使用。
运放在没有负反馈的情况下表现得像一个比较器。
如果在非逆变端施加正电压,通过电阻将逆变端接地,则输出最大正电压;如果在非逆变端施加负电压,则输出最大负电压。
引脚图及功能

LM324N 内含 4 个独立的高增益、频率补偿的运算放大器,既可接单电源使用 (3~30 V),也可接双电源使用(±1.5~±15 V),驱动功耗低,可与 TTL 逻辑电路相容。
工作原理
由于大的输入差动电压不能显示大的电流,因此不需要二极管进行差动电压保护。
差动输入电压可以超过输入正电压而不伤害器件。
但是,为了避免输入电压在低于 _ 0.3 V 时过负,必须要有保护措施。一个带有电阻的简单二极管可以作为电压输入端的保护。
为了使功率损耗最小化,这些放大器对于小信号有 A 类输出级,而对于大信号则有 B 类输出级。
这个动作导致放大器吸收和产生大电流。NPN 和 PNP 电阻都可以用来提高基本放大器的功率强度。
在大多数交流应用中,负载的输出端与放大器电容连接,为了避免交叉失真和增强 A 级偏置电流,放大器的输出端和接地端必须连接一个电阻。
当输出负载直接与放大器连接时,观察不到交叉失真。
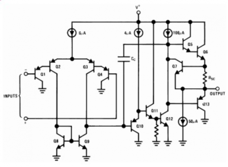
内部结构

作用和用途
LM324N 广泛用于换能器放大器中。
直流增益块和常规放大器电路主要由 Lm324n 组成。
它可以用作整流器,振荡器和比较器。
短路保护输出
真正的差分输入级
单电源供电:3.0 V 至 32 V(LM224、LM324、LM324A)
低输入偏置电流:100nA 最大值(LM324A)
每个封装有 4 个放大器
内部补偿
共模范围扩展至负电源
行业标准的引脚分配
输入端的 ESD 钳位提高了可靠性,且不影响器件工作
提供无铅封装
烜芯微专业制造二极管,三极管,MOS管,桥堆等20年,工厂直销省20%,4000家电路电器生产企业选用,专业的工程师帮您稳定好每一批产品,如果您有遇到什么需要帮助解决的,可以点击右边的工程师,或者点击销售经理给您精准的报价以及产品介绍
烜芯微专业制造二极管,三极管,MOS管,桥堆等20年,工厂直销省20%,4000家电路电器生产企业选用,专业的工程师帮您稳定好每一批产品,如果您有遇到什么需要帮助解决的,可以点击右边的工程师,或者点击销售经理给您精准的报价以及产品介绍

