一、电容降压原理
电容降压的工作原理是利用电容在一定的交流信号频率下产生的容抗来限制最大工作电流。例如,在50Hz的工频条件下,一个1uF的电容所产生的容抗约为3180欧姆。
当220V的交流电压加在电容器的两端,则流过电容的最大电流约为70mA。虽然流过电容的电流有70mA,但在电容器上并不产生功耗,应为如果电容是一个理想电容,则流过电容的电流为虚部电流,它所作的功为无功功率。
根据这个特点,我们如果在一个1uF的电容器上再串联一个阻性元件,则阻性元件两端所得到的电压和它所产生的功耗完全取决于这个阻性元件的特性。
例如,我们将一个110V/8W的灯泡与一个1uF的电容串联,在接到220V/50Hz的交流电压上,灯泡被点亮,发出正常的亮度而不会被烧毁。因为110V/8W的灯泡所需的电流为8W/110V=72mA,它与1uF电容所产生的限流特性相吻合。
同理,我们也可以将5W/65V的灯泡与1uF电容串联接到220V/50Hz的交流电上,灯泡同样会被点亮,而不会被烧毁。因为5W/65V的灯泡的工作电流也约为70mA。
因此,电容降压实际上是利用容抗限流。而电容器实际上起到一个限制电流和动态分配电容器和负载两端电压的角色。
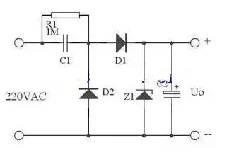
下图为阻容降压的典型应用,C1为降压电容,R1为断开电源时C1的泄放电阻,D1为半波整流二极管,D2在市电的负半周为C1提供放电回路,否则电容C1充满电就不工作了,Z1为稳压二极管,C2为滤波电容。输出为稳压二极管Z1的稳定电压值。

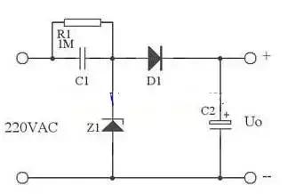
在实际应用中,可以用下图代替上图,这里用了Z1正向特性和反向特性,其反向特性(也就是其稳压特性)来稳定电压,其正向特性用来在市电负半周给C1提供放电回路。

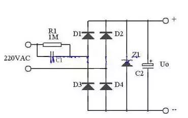
在较大的电流应用中,可以用全波整流,如下图:

在小电压全波整流输出时,最大输出电流即为:
容抗:Xc=1/(2πfC)
电流:Ic = U/Xc=2πfCU
采用电容降压时应注意以下几点:
1、根据负载的电流大小和交流电的工作频率选取适当的电容,而不是依据负载的电压和功率。
2、限流电容必须采用无极性电容,绝对不能采用电解电容。而且电容的耐压须在400V以上。最理想的电容为铁壳油浸电容。
3、电容降压不能用于大功率条件,因为不安全。
4、电容降压不适合动态负载条件。
5、同样,电容降压不适合容性和感性负载。
6、当需要直流工作时,尽量采用半波整流。不建议采用桥式整流。而且要满足恒定负载的条件。
二、器件选择
1.电路设计时,应先测定负载电流的准确值,然后参考示例来选择降压电容器的容量。因为通过降压电容C1向负载提供的电流Io,实际上是流过C1的充放电电流Ic。C1容量越大,容抗Xc越小,则流经C1的充、放电电流越大。当负载电流Io小于C1的充放电电流时,多余的电流就会流过稳压管,若稳压管的最大允许电流Idmax小于Ic-Io时易造成稳压管烧毁。
2.为保证C1可靠工作,其耐压选择应大于两倍的电源电压。
3.泄放电阻R1的选择必须保证在要求的时间内泄放掉C1上的电荷。
三、设计举例
已知C1为0.33μF,交流输入为220V/50Hz,求电路能供给负载的最大电流。C1在电路中的容抗Xc为:
Xc=1 /(2 πf C)= 1/(2*3.14*50*0.33*10-6)= 9.65K
流过电容器C1的充电电流(Ic)为:
Ic = U / Xc = 220 / 9.65 = 22mA
通常降压电容C1的容量C与负载电流Io的关系可近似认为:C=14.5 I,其中C的容量单位是μF,Io的单位是A。电容降压式电源是一种非隔离电源,在应用上要特别注意隔离,防止触电。
烜芯微专业制造二极管,三极管,MOS管,桥堆等20年,工厂直销省20%,4000家电路电器生产企业选用,专业的工程师帮您稳定好每一批产品,如果您有遇到什么需要帮助解决的,可以点击右边的工程师,或者点击销售经理给您精准的报价以及产品介绍
烜芯微专业制造二极管,三极管,MOS管,桥堆等20年,工厂直销省20%,4000家电路电器生产企业选用,专业的工程师帮您稳定好每一批产品,如果您有遇到什么需要帮助解决的,可以点击右边的工程师,或者点击销售经理给您精准的报价以及产品介绍

