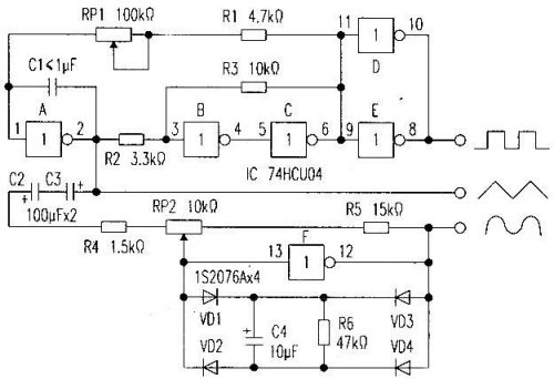
电路如附图,采用一片六反相器数字集成电路74HCU04组成,可同时输出矩形波、三角波和正弦波三种信号,信号频率在10Hz~1MHz连续可调。A~F为六个反相器,A和C1组成积分器,B、C、R2、R3组成施密特电路,当把施密特电路的输出信号通过R1和RP1反馈至积分器输入端时,就组成一个方波振荡器。振荡频率可按下式近似表示:fosc=1/4 [(R1+RP1)C1](R3/R2)。调整RP1可改变fosc,若最小振荡频率取为1的话,其振荡频率可在1~20倍的范围内连续调整。C1容量大小与振荡频率fosc的关系如附表。


F、R4、RP2、R5组成线性反相电路。用VD1~VD4四只二极管组成电桥.对三角波顶部进行限幅,变换成正弦波。调节RP2的值.可使正弦波的失真率最小。

烜芯微专业制造二极管,三极管,MOS管,桥堆等20年,工厂直销省20%,4000家电路电器生产企业选用,专业的工程师帮您稳定好每一批产品,如果您有遇到什么需要帮助解决的,可以点击右边的工程师,或者点击销售经理给您精准的报价以及产品介绍

烜芯微专业制造二极管,三极管,MOS管,桥堆等20年,工厂直销省20%,4000家电路电器生产企业选用,专业的工程师帮您稳定好每一批产品,如果您有遇到什么需要帮助解决的,可以点击右边的工程师,或者点击销售经理给您精准的报价以及产品介绍

