IGBT模块的内部电路与IGBT单管及分立元件构成的电路形式略有不同。
1.单管模块,1 in 1模块
单管模块的内部由若干个IGBT并联,以达到所需要的电流规格,可以视为大电流规格的IGBT单管。受机械强度和热阻的限制,IGBT的管芯面积不能做得太大,大电流规格的IGBT需要将多个管芯装配到一块金属基板上。单管模块外部标签上的等效电路如图1所示,副发射极(第二发射极)连接到栅极驱动电路,主发射极连接到主电路中。


图1 单管,模块的内部等效电路
多个管芯并联时,栅极已经加入栅极电阻,实际的等效电路如图2所示。不同制造商的模块,栅极电阻的阻值也不相同;不过,同一个模块内部的栅极电阻,其阻值是相同的。


图2 单管模块内部的实际等效电路图
IGBT单管模块通常称为1 in 1模块,前面的“1”表示内部包含一个IGBT管芯,后面的“1”表示同一个模块塑壳之中。
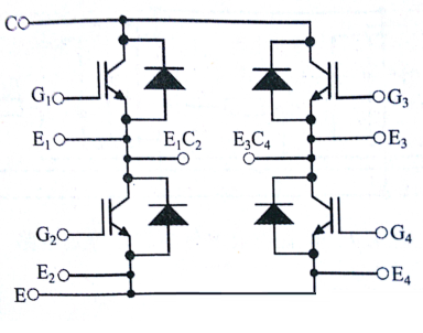
2.半桥模块,2 in 1模块
半桥(Half bridge)模块也称为2 in 1模块,可直接构成半桥电路,也可以用2个半桥模块构成全桥,3个半桥模块也构成三相桥。因此,半桥模块有时候也称为桥臂(Phase-Leg)模块。
图3是半桥模块的内部等效。不同的制造商的接线端子名称也有所不同,如C2E1可能会标识为E1C2,有的模块只在等效电路图上标识引脚编号等。


图3 半桥模块的内部等效电路
半桥模块的电流/电压规格指的均是其中的每一个模块单元。如1200V/400A的半桥模块,表示其中的2个IGBT管芯的电流/电压规格都是1200V/400A,即C1和E2之间可以耐受最高2400V的瞬间直流电压。
不仅半桥模块,所有模块均是如此标注的。
3.全桥模块,4 in 1模块
全桥模块的内部等效电路如图4所示。


图4 全桥模块内部等效电路
全桥(Full bridge)模块也称为4 in 1模块,用于直接构成全桥电路;也可以用模块中的2个半桥电路并联构成电流规格大2倍的半桥模块,即将分别将G1和G3、G2和G4、E1和E3、E2和E4、E1C2和E3短接。
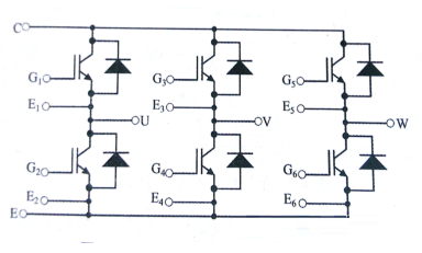
4.三相桥模块,6 in 1模块
三相桥(3-Phase bridge模块的内部等效电流如图5所示。


图5 三相桥模块的内部等效电路
三相桥模块也称为6 in 1模块,用于直接构成三相桥电路,也可以将模块中的3个半桥电路并联构成电流规格大3倍的半桥模块。三相桥常用的领域是变频器和三相UPS、三相逆变器,不同的应用对IGBT的要求有所不同,故制造商习惯上会推出以实际应用为产品名称的三相桥模块,如3-Phase inverter module(三相逆变器模块)等。
5.PIM模块,CBI模块,7 in 1模块
欧美厂商一般将包含图6所示的7 in 1模块称为CBI模块(Converter-Brake-Inverter Module,整流-刹车-逆变)模块,日系厂商则习惯称其为PIM模块。


图6 7 in 1模块内部的等效电路
制造商一般都会分别给出模块中个功能单元的参数,表1 是IXYS的MUBW 15-12 T7模块的主要技术规格。
表1 MUBW 15-12 T7的主要技术规格
三相整流桥 断路器 三相逆变器 NTC

其中,断路器和三相逆变器给出的都是IGBT管芯的技术规格,具体含义参见第3章相关内容;三相整流桥的参数含义如下。
·VRRM:最大反向峰值电压,峰值,其中一个二极管的电压规格最大值。
·IFAVM:最大正向平均电流,最大整流电流,与结温或环境温度有关。
·IFSM:最大正向浪涌电流,最大正向峰值电流,与结温或环境温度有关。
NTC的技术参数含义如下。
· R25:额定零功率电阻值,NTC的冷态电阻值,电阻本体温度为25℃时的电阻值,典型值。R25就是NTC热敏电阻的标称电阻值。通常所说“NTC多少阻值”指的就是R25。
· B25/50:热敏常数,NTC 电阻材料的电阻—温度特性,25/50 表示电阻本体的温度分别为25℃和50℃。根据 R25和B25/50;。可以计算出R50,计算公式如下:

烜芯微专业制造二极管,三极管,MOS管,桥堆等20年,工厂直销省20%,上万家电路电器生产企业选用,专业的工程师帮您稳定好每一批产品,如果您有遇到什么需要帮助解决的,可以点击右边的工程师,或者点击销售经理给您精准的报价以及产品介绍

烜芯微专业制造二极管,三极管,MOS管,桥堆等20年,工厂直销省20%,上万家电路电器生产企业选用,专业的工程师帮您稳定好每一批产品,如果您有遇到什么需要帮助解决的,可以点击右边的工程师,或者点击销售经理给您精准的报价以及产品介绍

