在负载点(POL)降压转换器领域,同步变化的高边和低边有源开关已被广泛使用。图1显示了具有理想开关的此类电路。与使用无源肖特基二极管作为低边开关的架构相比,此类开关稳压器具有多项优势。主要优势是电压转换效率更高,因为与采用无源二极管的情况相比,低端开关承载电流时的压降更低。
但是,与异步开关稳压器相比,同步降压转换器会产生更大的干扰。如果图1中的两个理想开关同时导通,即使时间很短,也会发生从输入电压到地的短路。这会损坏开关。必须确保两个开关永远不会同时导通。因此,出于安全考虑,需要在一定时间内保持两个开关都断开。这个时间称为开关稳压器的死区时间。但是,从开关节点到输出电压连接了一个载流电感(L1)。通过电感的电流永远不会发生瞬间变化。电流会连续增加和减少,但它永远不会跳变。因此,在死区时间内会产生问题。所有电流路径在开关节点侧中断。采用图1所示的理想开关,在死区时间内会在开关节点处产生负无穷大的电压。在实际开关中,电压负值将变得越来越大,直到两个开关中的一个被击穿并允许电流通过。


图1.用于降压转换、采用理想开关的同步开关稳压器。
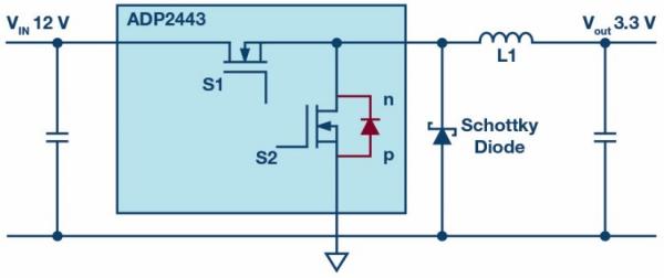
大多数开关稳压器使用N沟道MOSFET作为有源开关。这些开关针对上述情况具有非常有优势的特性。除了具有本身的开关功能外,MOSFET还具有所谓的体二极管。半导体的源极和漏极之间存在一个P-N结。在图2中,插入了具有相应P-N结的MOSFET。由此,即使在死区时间内,开关节点的电压也不会下降到负无穷大,而是通过低端MOSFET中的P-N结(如红色所示)承载电流,直到死区时间结束并且低端MOSFET导通为止。


图2.用于降压转换的同步开关稳压器,采用N沟道MOSFET和额外的肖特基二极管,可最大限度地减少干扰。
相应MOSFET中的体二极管有一个主要缺点。由于反向恢复现象,其开关速度非常低。在反向恢复时间内,电感(L1)导致开关节点处的电压下降到比地电压低几伏。开关节点处的这些陡峭的负电压峰值会导致干扰,此干扰会被容性耦合到其他电路段。通过插入额外的肖特基二极管可以最大限度地减少这种干扰,如图2所示。与低端MOSFET中的体二极管不同,它不会产生反向恢复时间,并且在死区时间开始时能非常快速地吸收电流。这可减缓开关节点处的电压陡降。可减少由于耦合效应而产生并分布到电路上的干扰。
肖特基二极管可以设计得非常紧凑,因为它仅在死区时间内短时间承载电流。因此,其温升不会过高,可以放置在小尺寸、低成本的产品外壳中。
电话:18923864027(同微信)
QQ:709211280
烜芯微专业制造二极管,三极管,MOS管,桥堆等20年,工厂直销省20%,上万家电路电器生产企业选用,专业的工程师帮您稳定好每一批产品,如果您有遇到什么需要帮助解决的,可以点击右边的工程师,或者点击销售经理给您精准的报价以及产品介绍
电话:18923864027(同微信)
QQ:709211280
烜芯微专业制造二极管,三极管,MOS管,桥堆等20年,工厂直销省20%,上万家电路电器生产企业选用,专业的工程师帮您稳定好每一批产品,如果您有遇到什么需要帮助解决的,可以点击右边的工程师,或者点击销售经理给您精准的报价以及产品介绍

