光耦在电路中的主要作用就是实现光电转换、实现隔离,避免输入、输出之间发生互相干扰的情况。在不同的开关电源设计过程中,光耦的作用也是有所不同,与TL431结合使用,是开关电源业界减少控制成本最好的方法。
一、光耦的基本参数
图 1中的光耦内部结构由基本的三部分组成:发光二级管、透光绝缘层、光电三极管。通过发光二极管发光,穿透绝缘层到光电转换三极管,实现电流的传输、隔离特性。


图 1
从图 1可以看出,光耦的主要参数有:
1、电流传输比CTR:,发光管的电流和光敏三极管的电流比的最小值。
2、绝缘耐压(透光绝缘层):指光耦保护相关电路及自身免受高压导致的物理损坏能力。
3、LED的驱动电流IF:采用高效率的LED和高增益的接收放大器,可以降低驱动电流的IF,同时较小的IF电流可以降低系统的功耗,并且降低LED的衰减,提供系统长期的可靠性。
4、共模抑制比VCM:指在每微秒光耦能容许的最大共模电压上升、下降率。这个参数主要在工业电机应用中至关重要。例如电机的启动或者制动过程中都会带来极大的共模噪声。
二、光耦在开关电源中的应用
光耦的特点:具有信号单向传输性,从而实现输入端与输出端的电气隔离,即:输出信号对输入端无影响,具有抗干扰能力强、工作特性稳定、高可靠性、传输效率高等优点,通常被应用与开关电源控制回路中。
光耦在开关电源中的典型应用原理:从输出端采样,获取误差信号,然后把信号通过转换、隔离传输到输入端IC的PWM控制器,通过调节PWM占空比的大小,实现高精度稳压输出。

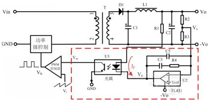
图 2
光耦与TL431的组合使用,构成最简单的开关电源控制回路(反馈回路),实现稳压输出,如图 2所示,Vs为输出电压Vo分压后的提供给TL431误差放大器反相端的采样型号,该采样信号Vs通过光耦二极管、TL431、电阻R1转换为电流信号IF,然后传输到光耦输出端,形成误差信号Vea,与PWM控制器的三角波Vt进行比较,得到矩形脉冲(具有一定占空比的PWM信号Vb),然后调节功率级器件的导通、截止时间,达到稳定输出的目的。
三、光耦与TL431构成的反馈环路
反馈环路的稳定性对开关电源来说是非常重要的,如果没有足够的相位余量和增益余量,电源的动态特性就会变差或直接导致输出振荡,使产品损坏或者缩短使用寿命。
在设计开关电源控制回路时,要充分考虑反馈环路的稳定性,使其具有负反馈特性:为了使产品能工作在最恶劣的情况时,仍保持稳定,理论至少需要45°的相位余量。
图 2红框的器件要素就构成一个具有2型补偿的反馈环路。TL431是开关电源次级反馈最常用的基准和误差放大器件,其供电方式不同对它的传递函数有很大的影响。在研发设计阶段,工程师一般都会借助环路测试仪器,调试环路的稳定性,缩短产品的开发周期,提高产品的稳定性、可靠性。
四、光耦的选择要点
光耦在开关电源中的应用主要是提供初级输入与次级输出间的电气隔离、与TL431组合的反馈控制环路,所以在电路设计时,必须遵循下列原则:
1、根据产品输入、输出间的隔离耐压,选择符合国内、国际相关隔离击穿电压标准的光耦;
2、电流传输比(CTR)的理想范围是50%~200%。这是因为当CTR过小时,光耦中的LED需要较大的工作电流,这会增大光耦的功耗;当CTR过大时,在电路启动或者负载突变时,有可能影响正常输出;
3、优先选择线性光耦,因为CTR值在一定的范围内,具有较好的线性调整。
电话:18923864027(同微信)
QQ:709211280
〈烜芯微〉专业制造二极管,三极管,MOS管,桥堆等20年,工厂直销省20%,上万家电路电器生产企业选用,专业的工程师帮您稳定好每一批产品,如果您有遇到什么需要帮助解决的,可以点击右边的工程师,或者点击销售经理给您精准的报价以及产品介绍
电话:18923864027(同微信)
QQ:709211280
〈烜芯微〉专业制造二极管,三极管,MOS管,桥堆等20年,工厂直销省20%,上万家电路电器生产企业选用,专业的工程师帮您稳定好每一批产品,如果您有遇到什么需要帮助解决的,可以点击右边的工程师,或者点击销售经理给您精准的报价以及产品介绍

