极速快3

您好!欢迎光临极速快3品牌官网!

深圳市极速快3有限公司

ShenZhen XuanXinWei Technoligy Co.,Ltd
二极管、三极管、MOS管、桥堆

全国服务热线:18923864027

  • 热门关键词:
  • 桥堆
  • 场效应管
  • 三极管
  • 二极管
  • 三极管的开关作用详解
    • 发布时间:2021-08-30 16:36:05
    • 来源:
    • 阅读次数:
    三极管的开关作用详解
    三极管又分NPN型三极管和PNP型三极管。
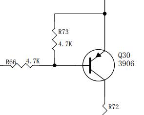
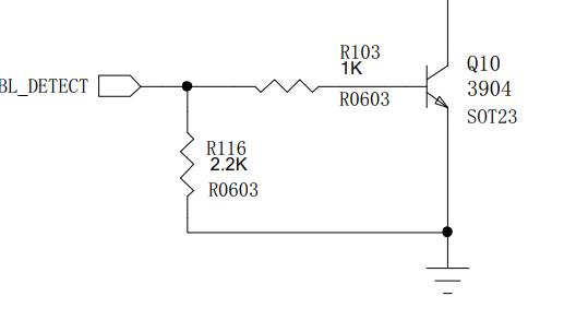
    常用NPN三极管为3904,PNP三极管为3906。
    NPN:
    三极管的开关作用
    NPN三极管的基极为高电平时三极管导通。
    PNP:
    三极管的开关作用
    PNP三极管的基极为低电平时三极管导通。
    三极管BE端并联电阻的作用:
    三极管B-E间电阻不是限流更不是分压,但截止则是相对的,因为 b-e 间有漏电流,而且,作为单片机的I/O口,其“0”状态也不完全是“0V”的(对地有一个MOS管的压降),这就有可能导致输出三极管截止不良(关不断),通过B-E间并一电阻可以让B极电压等与E级电压,从而让三极管可靠地截止,提高可靠性。
    电话:18923864027(同微信)
    QQ:709211280
    〈烜芯微/XXW〉专业制造二极管,三极管,MOS管,桥堆等20年,工厂直销省20%,上万家电路电器生产企业选用,专业的工程师帮您稳定好每一批产品,如果您有遇到什么需要帮助解决的,可以点击右边的工程师,或者点击销售经理给您精准的报价以及产品介绍

    相关阅读
    79991cm德彩网 美彩国际7709 佰富彩采购大厅-欢迎您 名贯彩票-大发精准计划 88爱彩 - 欢迎您 美彩国际 - 欢迎您 德彩网 - 欢迎您 79991cm德彩网