极速快3

您好!欢迎光临极速快3品牌官网!

深圳市极速快3有限公司

ShenZhen XuanXinWei Technoligy Co.,Ltd
二极管、三极管、MOS管、桥堆

全国服务热线:18923864027

  • 热门关键词:
  • 桥堆
  • 场效应管
  • 三极管
  • 二极管
  • 晶体管负反馈放大电路的原理设计介绍
    • 发布时间:2021-09-28 18:18:18
    • 来源:
    • 阅读次数:
    晶体管负反馈放大电路的原理设计介绍
    串联放大器与加入负反馈的思路
    之前讲述的共射极放大电路,放大倍数只有5倍。就算再努力一点,也只能达到十几倍,放大倍数太小。本节尝试把1KHz,10毫伏峰峰值的正弦波,放大100倍。
    单晶体管的放大倍数理论上最大能达到自身的h_FE,实际上考虑到放大电路的稳定性,单晶体管的实际放大倍数往往小于h_FE。如果想进一步提高放大倍数,可以考虑把多级放大电路串联起来。这种思路很好理解,如果第一级放大了3倍,第二级放大了4倍,那么总的放大倍数就是12倍。但是串联放大器电路的频率特性很差,且噪声是每个放大器的噪声之和,所以一般情况下,会在这样的电路中加入负反馈。
    晶体管负反馈放大电路
    负反馈在电子电路中有着非常广泛的应用,采用负反馈是以降低放大倍数为代价,目的是为了改善放大电路的工作性能,如稳定放大倍数、减少非线性失真、减小输出阻抗等,所以在实用电子电路中几乎都要引入负反馈。
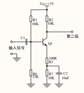
    负反馈放大电路的第一级——共射极放大电路的改良
    共射极放大电路的放大倍数,大致等于集电极电阻与发射极电阻的比值。在电源电压与晶体管确定以后,制约放大倍数提升的主要因素就是集电极电阻与发射极电阻自身的压降了。如果想实现100倍的放大,那么集电极电阻上的压降V_RC就是发射极电阻压降V_RE的100倍。而发射极电阻的压降V_RE就是三极管发射极的电压值V_E,考虑到稳定性,这个值也不能太小(三极管受温度影响时,工作特性会有一些变化,发射极电压要有一定的裕量)。提高放大倍数需要V_E小一点,三极管的稳定工作又不能让V_E太小,两者相互矛盾。
    有没有解决办法呢?放大倍数是交流的增益,三极管稳定工作依赖于直流的静态工作点,从交直流通路的角度考虑,可以找到既不破坏直流电位关系,又提高交流增益的方法:使用电容把并联电阻接入交流通路,或者把串联电阻短路。
    晶体管负反馈放大电路
    我们用此思路设计负反馈放大电路的第一级,分析交流通路,得到理论放大倍数为R2/R5=100倍;分析直流通路,可知R7+R5共同决定了的发射极电压。
    晶体管负反馈放大电路
    负反馈放大电路的第二级——按三极管自身放大倍数来放大
    放大电路的每一级都要尽可能提高放大倍数。对于负反馈放大电路的第二级,可以让电路的放大倍数接近于三极管自身的放大倍数。由于负反馈放大电路的放大倍数不依赖于某一级的放大倍数,所以此处无需考虑第二级放大的稳定性的问题。可以直接用电容把发射极电阻“交流短路”:分析直流通路的时候,通过电阻R2、R3、R8确定Q2的静态工作点;分析交流的时候,无视发射极电阻R3,以保证放大倍数尽可能的大。
    两级之间,串联电阻R4与电容C3。电容C3可以保证只通过交流信号,电阻R4可以决定电路的放大倍数。
    晶体管负反馈放大电路
    为什么多级串联要把机型不同的晶体管交替使用
    在多级放大电路串联的时候,通常会交替的将极性不同的晶体管组合起来使用。如果第一级是NPN,那么第二级就是PNP,第三级是NPN……。结合下图,不难看出原因:如果第二级仍然是NPN,那么第二级的基极电压V_B2等于第一级的集电极电压V_C1。因为Q1工作在放大区,所以V_C1是饱和压降与发射极电压之和,已经是一个比较大的电压了(最大时接近电源电压,最小时为R5压降+0.6V)。第二级的集电极电压V_C2最小值也要大于V_C1,那么V_C2的取值范围就很小了,电路会得不到最大的输出电压范围。
    晶体管负反馈放大电路
    图 如果第二级使用NPN三极管
    如果第二级是PNP三极管,那么0<V_C2<V_C1, V_C2的取值范围较大,可以得到更大的输出电压范围。因此会交替的将极性不同的晶体管组合起来使用。
    〈烜芯微/XXW〉专业制造二极管,三极管,MOS管,桥堆等,20年,工厂直销省20%,上万家电路电器生产企业选用,专业的工程师帮您稳定好每一批产品,如果您有遇到什么需要帮助解决的,可以直接联系下方的联系号码或加QQ/微信,由我们的销售经理给您精准的报价以及产品介绍
     
    电话:18923864027(同微信)
    QQ:709211280

    相关阅读
    79991cm德彩网 美彩国际7709 佰富彩采购大厅-欢迎您 名贯彩票-大发精准计划 88爱彩 - 欢迎您 美彩国际 - 欢迎您 德彩网 - 欢迎您 79991cm德彩网