极速快3

您好!欢迎光临极速快3品牌官网!

深圳市极速快3有限公司

ShenZhen XuanXinWei Technoligy Co.,Ltd
二极管、三极管、MOS管、桥堆

全国服务热线:18923864027

  • 热门关键词:
  • 桥堆
  • 场效应管
  • 三极管
  • 二极管
  • 晶体管与其内部原理介绍
    • 发布时间:2021-09-28 18:37:00
    • 来源:
    • 阅读次数:
    晶体管与其内部原理介绍
    晶体管
    内部
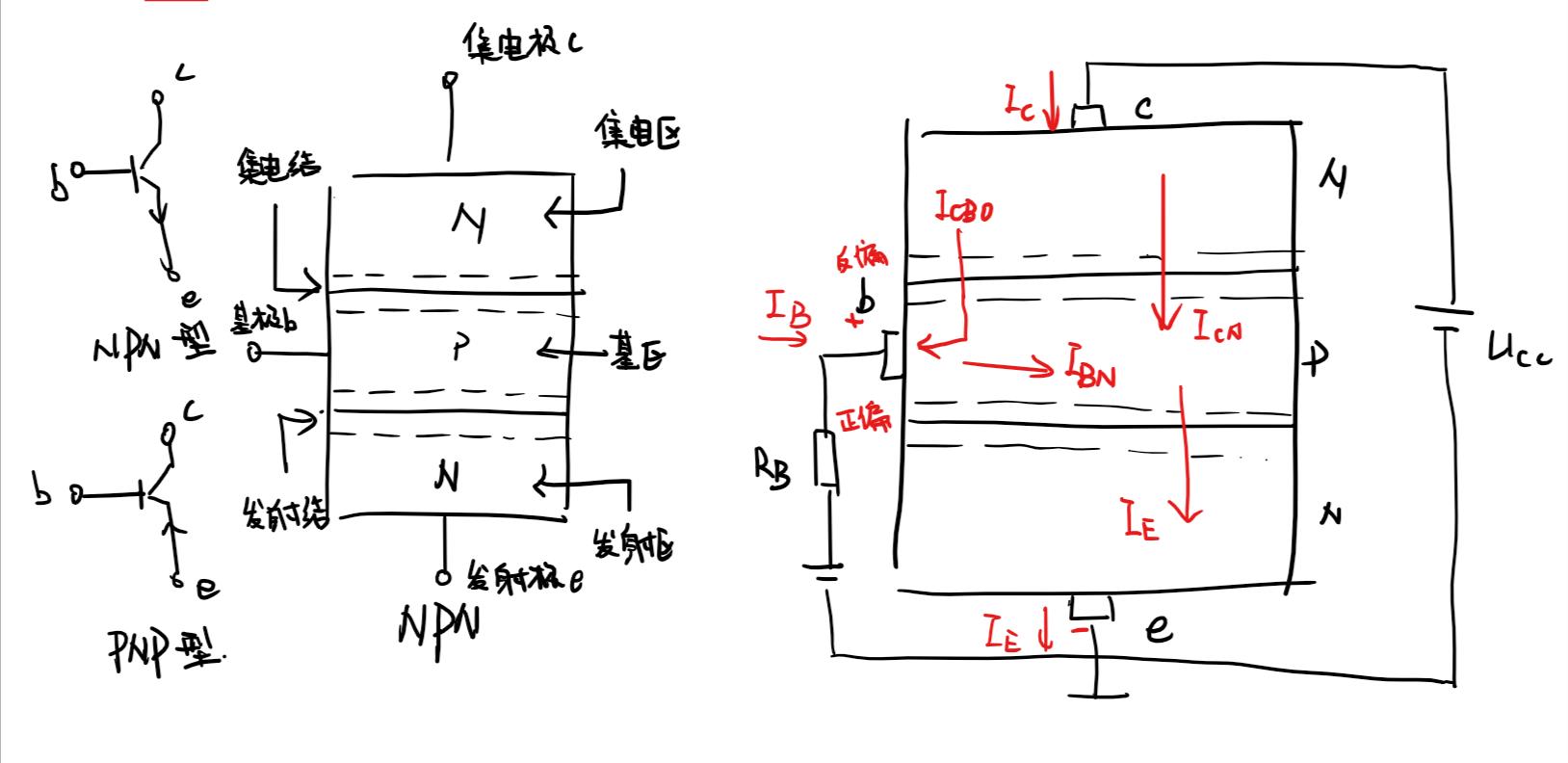
    了解了半导体后,我们开始了解晶体管,也叫三极管。其内部由两个PN结组成,自然有PNP和NPN两种,但这不重要。
    重要的是,晶体管分为发射极(e),基极(b),集电极(c)
    由于我们学习的是晶体管放大电路,需要保证的外部条件是发射结正偏,集电结反偏
    以NPN晶体管为例,我们探究其内部电流过程
    1.因为发射结正偏,N的载流子(带负电)从N到P,产生P到N的电流IE
    2.由于1,发射结有很多电子。由于集电结反偏,基区形成你浓度差,电子从发射结向集电结扩散。扩散过程中有一部分从基极流走,这部分为基极主要电流IBN,因为带负电,所以电流方向从外到内
    3.由于集电结反偏,电子会被吸引到集电结,形成从N到P的电流ICN
    4.由于反偏,集电区的电子基本流走,但空穴还在。集电区的空穴和基区电子在反偏的集电结作用下漂移形成从N到P的电流ICBO。此电流对放大没有贡献且不稳定,要尽量减小。
    晶体管
    综上,有以上电流:
    5.发射极主要电流/发射极流出电流:IE
    6.基极主要电流:IBN
    7.集电极主要电流:ICN
    8.反向饱和电流:ICBO
    9.外部流入集电极电流:IC
    10.外部流入基极电流:IB
    电流分配
    从图中容易看出,IC=ICBO+ICN,IB=IBN-ICBO
    我们把这个晶体管看作整体,忽略其内部电流,易得出:IE=IB+IC
    在ICBO很小的前提下,为了确定晶体管的放大性能,我们定义共基极直流放大系数:α=ICN/IE=(IC-ICBO)/IE=IC/IE,即IC流入的电流与IE流出电流的比值
    现在我们先不忽略ICBO,则α=(IC-ICBO)/IE,就有IE=(IC-ICBO)/α。为了探究IC和IB的关系,我们代入IE=IC+IB,有IC=αIB/(1-α)+ICBO/(1-α)
    在此引入共发射极直流放大系数β=α/(1-α),则IC=βIB+(1+β)ICBO。
    当基极开路,则IB=0,此时集电结流入电流全从发射极流出,我们引入穿透电流:ICEO=IC=(1+β)ICBO
    在ICEO远小于IC的前提下则有:IC=βIB+ICEO=βIB,得出β=IC/IB,即IC流入的电流与IB流入的电流的比值
    注意:当α与β的比值是电流变化量的比值的时候,表示的是动态(交流工作状态)时的电流放大特性
    特性曲线
    晶体管
    输入特性:UCE不变,输入回路的ib与uBE间的关系
    输出特性:IB不变,输出回路的ic与uCE间的关系
    输出特性曲线可分为三个区域:
    1.放大区:发射结正偏,集电结反偏,即正常状态。此时iC=βIB,与uCE无关;ic只受IB控制
    2.饱和区:发射结和集电结均正偏。iC随uCE增大而增大,无放大作用
    3.截止区:发射结点压过小,集电结反偏。IB=0,iC近似为0。
    〈烜芯微/XXW〉专业制造二极管,三极管,MOS管,桥堆等,20年,工厂直销省20%,上万家电路电器生产企业选用,专业的工程师帮您稳定好每一批产品,如果您有遇到什么需要帮助解决的,可以直接联系下方的联系号码或加QQ/微信,由我们的销售经理给您精准的报价以及产品介绍
     
    电话:18923864027(同微信)
    QQ:709211280

    相关阅读
    79991cm德彩网 美彩国际7709 佰富彩采购大厅-欢迎您 名贯彩票-大发精准计划 88爱彩 - 欢迎您 美彩国际 - 欢迎您 德彩网 - 欢迎您 79991cm德彩网