稳压二极管比较特殊,基本结构与普通二极管一样,也有一个PN结。由于制造工艺的不同,当这种PN结处于反向击穿状态时,PN结不会损坏(普通二极管的PN结是会损坏),在稳压二极管用来稳定电压时就是利用它的这一击穿特性。由于稳压二极管具有稳压作用,因此在很多电路当中均有应用,如稳压电源、限幅电路、过压保护电路、补偿电路等等。下面一起来看看其常应用的电路:
1.典型直流稳压电路
稳压二极管主要用来构成直流稳压电路这种直流稳压电路结构简单,稳压性能一般。图所示是稳压二极管构成的典型直流稳压电路。电路中,VD1是稳压二极管,Rl是VD1的限流保护电阻。

图1 典型直流稳压电路图
未经稳定的直流工作电压+V通过R1加到稳压二极管上,由于+V远大于VD1稳压值,所以VD1进入工作状态,其两端得到稳定的直流电压,作为稳压电路的输出电压。
2.串联型稳压电路
电路如图2所示,在此电路中,串联稳压管,BG的基极被稳压二极管D钳定在13V,那么其发射极就输出恒定的12V电压了。这个电路在很多场合下都有应用。

图2 串联型稳压电路图
3.温度补偿
稳压二极管在温度补偿电路利用的是稳压二极管的温度系数,如图3是用温度互补型稳压二极管构成的稳压电路,采用互补型稳压二极管对于稳压要求较高的电路当中,特别是温度对电压的影响,这种具有温度互补特性的稳压二极管内部其实有两只普通的稳压二极管,但是它们的温度特性相反,当温度升高或下降时,一只二极管的管压降下降,另一只二极管的管压降升高,这样两只二极管总的管压降保持不变,起到到温度补偿作用。

图3 温度补偿电路图
4.电子滤波器
图4所示是电子滤波器中的稳压二极管应用电路。电路中,VD1是稳压二极管,VT1是电子滤波管,C1是VT1基极滤波电容,R1是VT1偏置电阻。

图4 电子滤波器电路图
在稳压二极管导通后,将VT1基极电压稳压在13V,根据三极管发射结导通后的结电压基本不变特性可知,这时VT1发射极直流输出电压也是稳定的,达到稳定直流输出电压的目的。
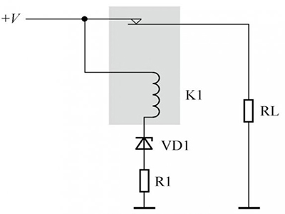
5.浪涌保护电路
图5所示是稳压二极管构成的浪涌保护电路。电路中,K1是继电器,VD1是稳压二极管,Rl是限流保护电阻,RL是负载电阻。

图5 浪涌保护电路图
当工作电压+V没有浪涌出现时,+V电压没有高到足以使稳压二极管VD1导通的程度,这时VD1截止,没有电流流过继电器K1,K1的触点保持接通状态,+V通过继电器触点为负载RL正常供电。
当工作电压+V出现浪涌时,由于电压升高,稳压二极管VD1导通,这时有电流流过继电器K1,K1的触点断开,电压+V不能通过继电器触点为负载RL供电,达到保护负载RL的目的。
6.过压保护电路
图6所示是稳压二极管构成的过压保护电路,这是电视机中的具体应用电路。电路中VD1是稳压二极管,VT1是控制管,+115V是主工作电压。

图6 过压保护电路图
电阻R1和R2构成+115V直流工作电压的分压电路,分压后的电压通过稳压二极管加到VT1基极。当+115V电压大小正常时,R1和R2分压后的电压不足以使稳压二极管导通,这时VT1基极电压为OV,VT1截止,其集电极为高电平,此时待机保护电路不动作,电视机正常工作。
当+115V过高时,Rl和R2分压后的电压足以使稳压二极管VD1导通,这时VT1饱和导通,其集电极为低电平,通过待机控制线的控制使电视机进入待机保护状态。
7.限幅电路
图7所示是稳压二极管构成的限幅电路。电路中,Al和A2是集成电路,VD1和VD2是稳压二极管。

图7 限幅电路图
从集成电路Al的①脚输出信号通过Rl加到集成电路A2的①脚。当集成电路Al的①脚输出信号幅度没有超过VD1稳压值时,这一信号完整地加到集成电路A2的①脚上;当集成电路Al的①脚输出信号幅度超过VD1稳压值时,幅度超过部分使VDI导通,信号幅度的最大值被限制,达到限幅目的。
关于限幅电路分析的细节还要说明下列几点。
(1) R2和VD2构成的限幅电路与Rl和VD1构成的电路工作原理一样,只是它用来限幅集成电路Al的②脚输出信号。
(2) RI和R2的作用一样,它用来传输集成电路Al和A2之间的信号,同时也是VD1和VD2的限流保护电阻。
(3)限幅电路只是限去电压值超过稳压二极管稳压值的部分,对于信号电压幅度小于稳压二极管稳压值的部分无限幅作用。
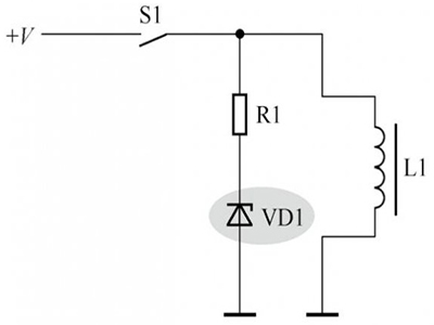
8.电弧抑制电路
图8所示是稳压二极管构成的电弧抑制电路,这种电路通常用于一些功率较大的电磁吸铁控制电路中。电路中,VD1是稳压二极管,L1是电感,R1是限流保护电阻,S1是电源开关。

图8 电弧抑制电路
电路工作原理是:在电源开关S1从接通转为断开时,电感L1两端产生的反向电动势为上正卞负,这一反向电动势很大,通过R1加到了稳压二极管VD1两端,使之导通,这样、将反向电动势能量释放,D71071D 使开关S1上不会产生很大的电动势,从而不能产生电弧,达到了消弧目的。
电源开关S1正常接通时,+V通过Rl加到VD1上的电压不够大,不足以使VD1导通,所以VD1处于截止状态,不影响电路正常工作。
以上就是稳压二极管的应用电路介绍了。选用稳压二极管时,应满足应用电路中主要参数的要求。稳压二极管的稳定电压值应与应用电路的基准电压值相同,稳压二极管的最大稳定电流应高于应用电路的最大负载电流50%左右。
电话:18923864027(同微信)
QQ:709211280
〈烜芯微/XXW〉专业制造二极管,三极管,MOS管,桥堆等,20年,工厂直销省20%,上万家电路电器生产企业选用,专业的工程师帮您稳定好每一批产品,如果您有遇到什么需要帮助解决的,可以直接联系下方的联系号码或加QQ/微信,由我们的销售经理给您精准的报价以及产品介绍

