极速快3

您好!欢迎光临极速快3品牌官网!

深圳市极速快3有限公司

ShenZhen XuanXinWei Technoligy Co.,Ltd
二极管、三极管、MOS管、桥堆

全国服务热线:18923864027

  • 热门关键词:
  • 桥堆
  • 场效应管
  • 三极管
  • 二极管
  • 单片机的电子直流保险丝设计图解
    • 发布时间:2021-12-20 16:08:26
    • 来源:
    • 阅读次数:
    单片机的电子直流保险丝设计图解
    随着电子产品的不断更新,保险丝作为电子产品保护装置的关键元件,其市场需求将会一直存在并不断增长,市场对保险丝的功能将有更多的要求。但是一般的电子保险电路特性并不符合普通保险丝的熔断特性,其熔断时间不随电流的变化而变化。而基于单片机的电子保险丝克服了这一缺点,利用单片机即可对普通保险丝进行模拟,又能具有普通保险丝所没有的功能。
    保险丝
    电子保险丝
    1.系统总体结构
    系统包括以下几个电路模块:STC89C52最小系统模块,MAX471电流采集模块、TLC2543 A/D转换模块、功能选择模块、1602液晶显示模块、继电器控制模块等。
    其中,STC89C52最小系统模块是整个系统的控制核心;MAX471电流采集模块负责采集外围电路电流;TLC2543 A/D转换模块负责将MAX471采集到的电流值进行模数转换传给单片机;功能选择模块用四个按键实现,三个档位键(0.3A,5S;0.4A,1S;2A,0.5S通过软件可对三个档进行设置),一个功能复位键;1602液晶显示模块将采集到的电流值实时显示出来,并显示所选的档位的相关数值;继电器控制模块根据单片机的控制对外围电路进行通、断控制。系统总体结构框图如图1所示。
    保险丝
    图1 系统总体结构框图
    2.硬件设计
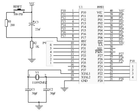
    2.1STC89C52单片机最小系统
    STC89C52是STC公司生产的一种低功耗、高性能CMOS8位微控制器,具有8K在系统可编程Flash存储器。STC89C52使用经典的MCS-51内核,但做了很多的改进使得芯片具有传统51单片机不具备的功能。在单芯片上,拥有灵巧的8位CPU和在系统可编程Flash,使得STC89C52为众多嵌入式控制应用系统提供灵活、有效的解决方案。
    具有以下标准功能:8k 字节Flash,512字节RAM ,32位IO口线,看门狗定时器,内置4KB EEP-ROM ,MAX810复位电路,3个16位定时器/计数器,4个外部中断,一个7向量4级中断结构,全双工串行口。最高运作频率35MHz,本系统选择11.0592MHz。最小系统电路如图2所示。
    保险丝
    图2 最小系统电路图
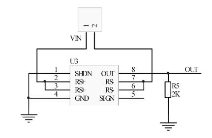
    2.2MAX471电流采样电路
    MAX471是美国MAXIM 公司生产的双向、精密电流传感放大器,内置35mQ精密传感电阻,在工作温度范围内,精度为2% ,可测量电流的上下限为±3A。硬件电路如图3所示。图中输出电阻R,为2KQ的精密电阻,则输出端OUT端的电压为VOUT=R5×ITEST×500×10-6V,其中Issr为外围电路的被测电流。这里只用于直流电路,SIGN端悬空,使用时保证VIN端接高电压端。
    保险丝
    图3 MAX471电流采样电路
    2.3TLC2543 A/D转换电路
    MAX471电流采样电路输出的电压信号由OUT端输出,需经过A/D转换后送单片机,考虑到精度的要求,选用12位的TLC2543。其硬件电路如图4所示。图中REF+引脚接+4.096V的电压,REF-引脚接地。
    保险丝
    图4 TLC2543 A/D转换电路
    2.4继电器控制电路
    外围电路的通断由继电器控制,控制电路如图5所示。当检测到电流超过设定值和预定时间后,由单片机的P2.0引脚输出低电平,控制继电器断开外围电路;当再次复位后外围电路接通。
    保险丝
    图5 继电器控制电路
    3.软件设计
    开机后首先通过MAX471采集外围电路的电流,电流经过TLC2543 A/D转换成数字量,并在LCD显示当前电流值,当外围电路的电流超出事先设定好的熔断电流时,定时器开始定时,达到熔断时间,继电器吸合,外围电路断开,当按下复位键,继电器复位,外围电路恢复正常工作。具体流程如图6所示。
    保险丝
    图6 软件设计流程图
    结束语
    以上就是基于单片机的电子直流保险丝设计介绍了。该设计以STC89C52为控制核心设计的电子直流保险丝,对外围直流电路的实时电流进行采集检测、显示,并对外围电路实现控制,从而达到保护的作用。主要优点在于可以通过A/D转换器同时采集,实现对多个外围电路的检测与保护。本系统达到了简易保险丝的要求,性能稳定可靠,且成本较低。
    〈烜芯微/XXW〉专业制造二极管,三极管,MOS管,桥堆等,20年,工厂直销省20%,上万家电路电器生产企业选用,专业的工程师帮您稳定好每一批产品,如果您有遇到什么需要帮助解决的,可以直接联系下方的联系号码或加QQ/微信,由我们的销售经理给您精准的报价以及产品介绍
     
    电话:18923864027(同微信)
    QQ:709211280

    相关阅读
    79991cm德彩网 美彩国际7709 佰富彩采购大厅-欢迎您 名贯彩票-大发精准计划 88爱彩 - 欢迎您 美彩国际 - 欢迎您 德彩网 - 欢迎您 79991cm德彩网