极速快3

您好!欢迎光临极速快3品牌官网!

深圳市极速快3有限公司

ShenZhen XuanXinWei Technoligy Co.,Ltd
二极管、三极管、MOS管、桥堆

全国服务热线:18923864027

  • 热门关键词:
  • 桥堆
  • 场效应管
  • 三极管
  • 二极管
  • KBPC5006W整流桥,KBPC5006W整流桥参数规格书
    • 发布时间:2021-11-09 17:35:05
    • 来源:
    • 阅读次数:
    KBPC5006W整流桥,KBPC5006W整流桥参数规格书
    KBPC5006W整流桥,KBPC5006W封装为KBPC,KBPC5006W整流桥参数,KBPC5006W规格书
    KBPC5006W
    KBPC5006W整流桥参数规格书:点击查看KBPC5006W
    KBPC5006W整流桥参数具体如下:
    KBPC5006W
    Maximum repetitive peak reverse voltage VRRM最大重复峰值反向电压:600V
    Maximum average forward rectified current IF(AV) 最大平均正向整流电流:50A
    Maximum instantaneous forward voltage drop per diode IFM=25A VF 每个二极管的最大瞬时正向压降:1.1V
    Maximum DC reverse current at rated DC blocking voltage per diode VRM=VRRM 每个二极管在额定直流阻断电压下的最大直流反向电流:10uA
    Operating temperature range TJ 工作温度范围:-65 to +150°C
    storage temperature range TSTG 储存温度范围:-65 to +150°C
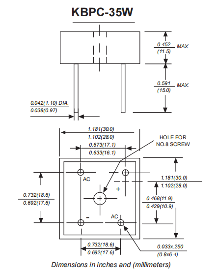
    KBPC5006W整流桥堆封装,KBPCW封装尺寸:
    KBPC5006W
    〈烜芯微/XXW〉专业制造二极管,晶体三极管,MOS管,整流桥堆等,20年,工厂直销省20%,上万家电路电器生产企业选用,专业的工程师帮您稳定好每一批产品,如果您有遇到什么需要帮助解决的,可以直接联系下方的联系号码或加QQ/微信,由我们的销售经理给您精准的报价以及产品介绍
     
    联系号码:18923864027(同微信)
    QQ:709211280
    相关阅读
    79991cm德彩网 美彩国际7709 佰富彩采购大厅-欢迎您 名贯彩票-大发精准计划 88爱彩 - 欢迎您 美彩国际 - 欢迎您 德彩网 - 欢迎您 79991cm德彩网