极速快3

您好!欢迎光临极速快3品牌官网!

深圳市极速快3有限公司

ShenZhen XuanXinWei Technoligy Co.,Ltd
二极管、三极管、MOS管、桥堆

全国服务热线:18923864027

  • 热门关键词:
  • 桥堆
  • 场效应管
  • 三极管
  • 二极管
  • BT151可控硅参数,BT151参数规格书,BT151引脚图
    • 发布时间:2021-11-25 18:00:46
    • 来源:
    • 阅读次数:
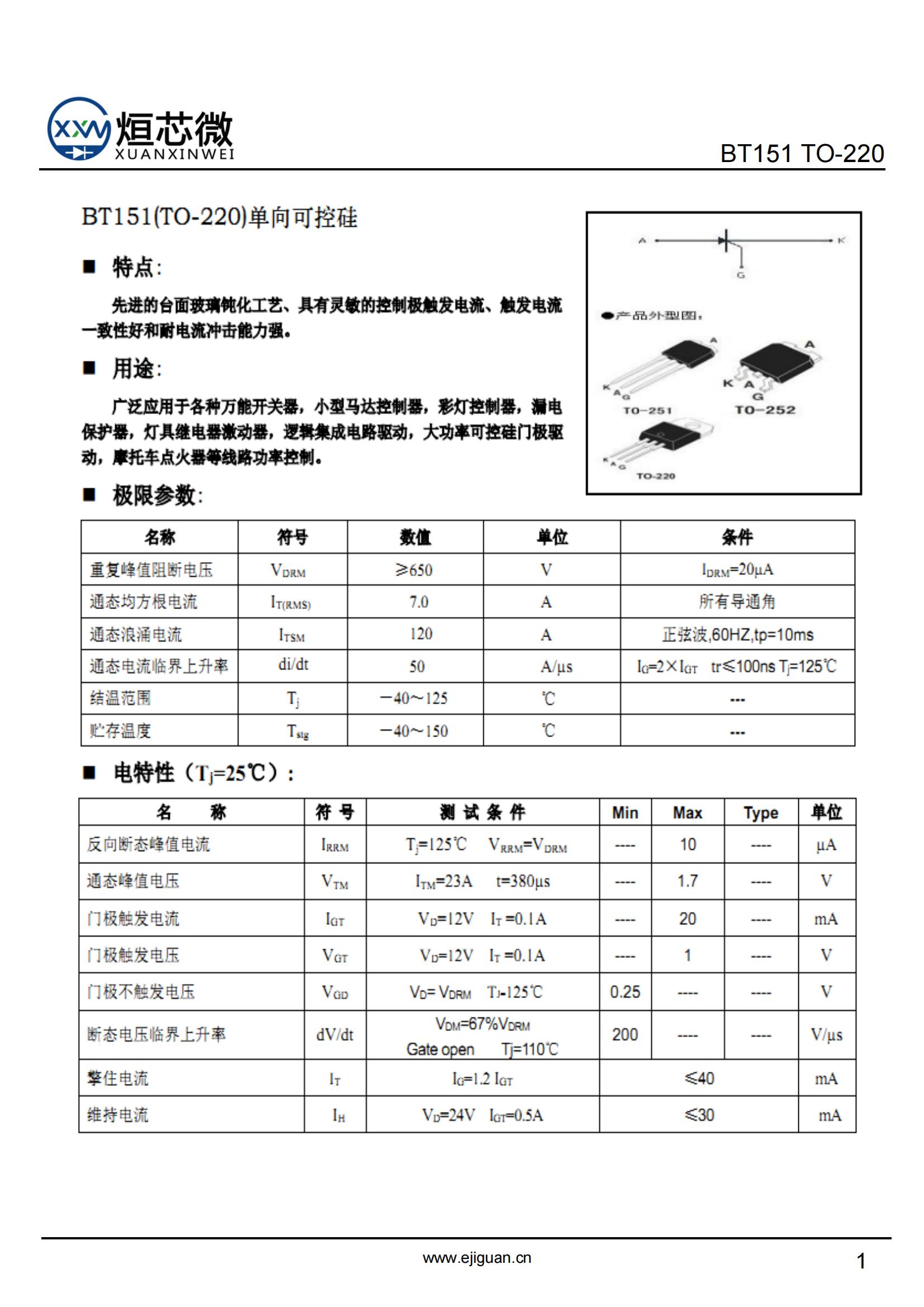
    BT151可控硅参数,BT151参数规格书,BT151引脚图
    BT151可控硅,BT151引脚图封装,BT151代换,BT151参数规格书
    BT151
    BT151 TO-220参数封装:点击查看PCR406
    BT151封装有:TO-220/SOT-89/TO-92
    BT151可控硅参数如下:
    BT151
    Peak Repetitive Forward and Reverse Blocking Voltage 峰值重复正向和反向阻断电压 VDRM and VRRM:≥650V
    Forward Current RMS 通态电流 IT(RMS):7.0A
    Peak Forward Surge Current, TA = 25℃ 峰值正向浪涌电流 ITSM:120A
    Forward "On" Voltage 通态电压 VTM:1.7V
    Gate Trigger Current 门极触发电流 IGT:20mA
    Gate Trigger Voltage 门极触发电压 VGT:1V
    Operating Junction Temperature Range 工作结温度范围 TJ:-40 to +125℃
    Storage Temperature Range 储存温度 Tstg:-40 to +150℃
    BT151可控硅/TO-220封装尺寸:

    BT151
    BT151可控硅/SOT-89封装尺寸:
    BT151
    BT151可控硅/TO-92封装尺寸:
    BT151
    〈烜芯微/XXW〉专业制造二极管,三极管,MOS管,桥堆等,20年,工厂直销省20%,上万家电路电器生产企业选用,专业的工程师帮您稳定好每一批产品,如果您有遇到什么需要帮助解决的,可以直接联系下方的联系号码或加QQ/微信,由我们的销售经理给您精准的报价以及产品介绍
     
    联系号码:18923864027(同微信)
    QQ:709211280
    相关阅读
    79991cm德彩网 美彩国际7709 佰富彩采购大厅-欢迎您 名贯彩票-大发精准计划 88爱彩 - 欢迎您 美彩国际 - 欢迎您 德彩网 - 欢迎您 79991cm德彩网