众所周知,音频控制电路是实现播放系统无损、全数字化、可遥控化、智能化的关键,也可移植到传统功放、LED中控、家电产品中,是实现智能家居物联网化的核心部分。本文设计了一种基于数字电位器的音频控制电路,通过测试,实现了高效率,低失真,高信噪比。
1.系统总体设计
如图1所示,音频控制电路主要由微控制器部分(包括键盘部分,红外接收)数码显示部分、数字音量控制部分、继电器构成的输入切换选择部分、电源部分构成;胆机(电子管功放)部分是独立于音频控制电路的功率放大器,目的是验证音频控制电路的高效率,低失真,高信噪比,将不在本文详叙。微控制器通过继电器切换完成数字音频信号(PCM2 704的输出)和模拟音频信号(外部输入)之间的切换。
USB 数字音频解码芯片PCM2704,能接收来自USB主机(如台式计算机、便携式计算机、手机等)的IIS音频数据并转换为模拟音频信号。被选中的音频信号经过数字音量控制部分完成音量大小的调节,再送至胆机功率放大后产生足够大的音频功率去驱动外部音频设备。微控制器使用5 kbyte Flash ROM单片机STC12C5052AD,主要用于键盘输入、红外输入的扫描、工作状态的显示以及各功能模块工作状态的设置和管理。电源模块单独为微控制器部分、数码显示部分。数字化音量控制系统、胆机提供电源。键盘和显示模块用于接收用户的操作输入并向用户反馈系统的当前状态。

图1 总体设计框图
2.主要硬件设计
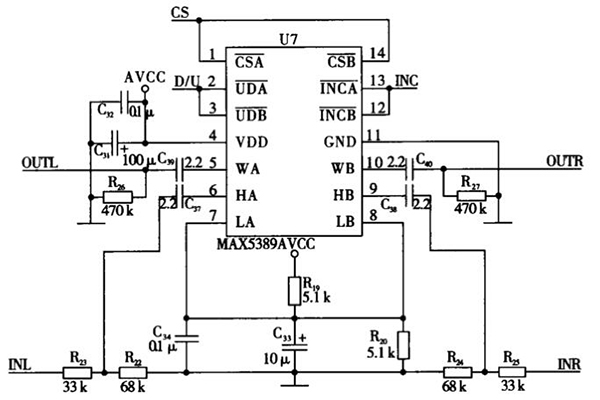
2.1数字电位器电路
如图2所示,数字电位器部分选用MAX5389控制,它内置两组100kQ电位器,共有256阶的音量大小调节,带宽达到600kHz,THD+N为0.015%。通过设置片选端CSA,CSB可以选择内置的两组电位器,低电平有效。设置UDA,UDB可以使电位器滑动端向高阻值或低阻值变化,下降沿使电位器滑动端向低阻值变化,上升沿使电位器滑动端向高阻值变化。设置INCA,INCB为下降沿将使阻值产生100k/256变化。

图2 数字电位器电路
2.2微控制器处理电路
微控制器处理电路如图3所示,主控CPU采用STC12C5052AD单片机,它有20个引脚,5kbyte的FlashROM,512byte的EEPROM,引脚可以设置为强推挽输出直接驱动LED,内部资源丰富,性价比高。

图3 微控制器处理电路
微控制器处理电路主要通过扫描独立式键盘,红外遥控器,将扫描信息通过Cp和Data端,将按键信息通过数码管显示出来。通过CS,,D/U 和INC端,将按键信息送达数字电位器Max5389,完成相关音量增加,减少,静音等操作。通过P1.0端,通过三极管电流放大后驱动继电器完成数字音源和模拟音源的切换。
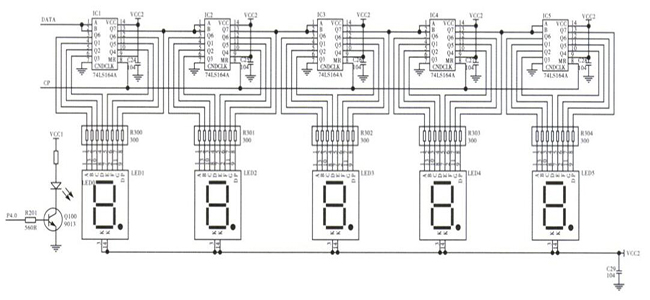
2.3显示电路
显示电路如图4所示,采用静态显示,通过串人并出移位寄存器74LS164,可以节省单片机IO口,同时可以直接驱动数码管并方便扩展,数据从高位开始进行传送,每次完成一个字节的传送,单片机需要给芯片74LS164A的引脚8来一个上升沿,然后通过芯片74LS164A进行移位操作,将低位逐位移到最高位上,从而让数码管显示不同的信息;通过控制三极管9013的导通或截止,从而让 LED灯亮或灭,显示音频控制板的通电与否。

图4 显示电路
3.软件设计
图5为主程序流程图,主程序要完成两个任务,一是初始化,包括对 MAX5389数字电位器控制芯片音量,数字,模拟信号选择的初始化,数码显示的初始化;二是从读取EEPROM,通过定时器中断的方式进行键盘、红外等输人扫描,让主程序可读性更强,效率也更高。

图5 主程序流程图
4.实验结果
为了让音频控制板具有高信贮比,低失真,在布局布线采用了以下关键措施:
(1)所有走线呈弧形避免干扰。
(2)加宽电源线、地线宽度,使地线比电源线宽,做到:地线>电源线>信号线。
(3)布双层板顶层走多条电源信号,底层走多条地信号,让电源和地信号像“井”字形排列,基本上不走环线。
(4)模拟电路的地单独接线。
(5)用大面积铜层作地线,在印制板上把没被用上的地方都与地相连接作为地线用,顶层电源敷铜,底层地线敷铜。
(6)区分模拟和数字地:模拟器件就接模拟地,数字器件就接数字地;大信号地和小信号地也分开。
(7)滤波去耦电容紧贴芯片进一步减小去耦电容的供电回路面积,有利于实现电磁兼容。
(8)电源线尽可能靠近地线以减小供电环路面积,差模辐射小,有助于减小电路交扰。
将做好的音频控制电路按照图6连接,按照表1步骤测试,测试结果如表1所示,信噪比可以达到82.49 dB。
表1 信噪比测试结果表


结束语
以上就是基于数字电位器的音频控制电路设计介绍了。本控制电路操作方便,智能可遥控,信噪比高,既可以接入USB 数字音频信号也可以接入模拟音频信号,具有极高的效率和极低的失真,该控制板在音频产品、家电产品等领域有着广泛的应用前景。
电话:18923864027(同微信)
QQ:709211280
〈烜芯微/XXW〉专业制造二极管,三极管,MOS管,桥堆等,20年,工厂直销省20%,上万家电路电器生产企业选用,专业的工程师帮您稳定好每一批产品,如果您有遇到什么需要帮助解决的,可以直接联系下方的联系号码或加QQ/微信,由我们的销售经理给您精准的报价以及产品介绍

