众所周知,在电路板的电路设计阶段就进行电磁兼容性设计是非常重要的,而设备和系统向外部环境发射的骚扰电平是通过传导和辐射的途径形成的。传统的设计方法是用屏蔽、滤波和接地解决电缆口和壳体带来的EMC问题。但是大多数干扰是在电路板上产生的,因此,在电路板的电路设计阶段,就应该考虑电磁兼容设计。
1.差模电流和共模电流
1.1差模发射和共模发射
任何电路都存在共模(CM)和差模(DM)电流。共模电流和差模电流都决定了传播的RF能量的大小。在两者之间有较大的区别。如果给定一对导线或走线,一个返回参考源,那么这两种模式中的一种将会存在。一般来说,差分模式信号携带数据或有用信息。共模模式是差分模式电流的负面效果,并对电磁兼容性是最麻烦的。通常把线线的发射定义为差模发射。把线-地的发射定义为共模发射。
由闭合回路产生的最大的场强是:

式中:E—最大辐射场强( μV/m);
r—回路和测量天线之间的距离( m);
F—频率(MHz);
Is—电流( mA );
A—回路面积( c㎡)。
由式(1)可以看出,场强和回路面积成正比。
为减小差模发射电平,除减小源电流外,应该减小环电路的面积。
共模辐射是由于在电路设计之外的电压降造成的,这种电压降致使电路的一些接地部分的电压比真实的参考地面高。与受影响的接地系统相连的电缆就作为天线,辐射共模的场分量。远场分量可用下式描述:

式中:K—发射系数;
I—共模电流(A);
l—线的长度(m);
f—发射的频率(MHz);
r—距离( m)。
由式(2)可以看出场强和电缆的长度成正比,减小共模发射应降低共模电流和缩短电缆线的长度。
1.2差模和共模的转变
当存在两个具有不同阻抗的信号线(或导体)时差模和共模就可以互相转变。这些阻抗主要由与走线(或内在电缆)的物理布线相关的导线或梳状电容和电感决定。对于大部分的电路板布线来说,主要是控制网络中的寄生电容和电感,并使其最小,从而避免差模和共模的产生。
如图1中差模电流Idm是需要的信号,它要流经负载RL。共模电流Icm不直接经过RL,它将经过Za和Zb,然后通过回流结构返回。阻抗Za和Zb并不是物理元件,它们是网络中存在着的寄生电容或寄生电感的转移阻抗。如果Za和Zb不等电压差将正比于阻抗差。

所以对外界敏感的电路必须通过某种方式达到平衡,使得每个导体的引线或梳状电容以及寄生电容相等。

图1 差模转共模
1.3差模和共模干扰的抑制
抑制电路板内的差模和共模电流,以及由此引起的RF干扰,最基本的就是通量抵消法或通量最小化。电流在走线中流动产生磁力线,这些磁力线产生电场,这两种场都会辐射RF能量。如果我们将磁力线抵消或减小到最小,那么将不会存在RF能量,也就抑制了干扰。主要采取以下几点:
(1)安排时钟走线临近接地平面(多层板)接地橱格或接地线(双面板或单面板);
(2)仔细选择逻辑系列器件以使元件辐射分离出的RF能量最小;
(3)通过减小时钟产生电路中的RF驱动电压来减小走线中的RF电流;
(4)减小电源和接地结构中的噪音;
(5)当有外部VO电缆提供时正确应用旁路电容;
(6)为那些辐射大量内部共模RF能量的元件提供接地散热器;
(7)在电路板布局和布线时尽量使电路达到某种平衡。
2.串扰及串扰的抑制
2.1串扰
串扰是电路板设计中的重要部分之一,在设计的任一环节都需要考虑。串扰是指走线、导线、走线和导线,电缆束元件及其它易受电磁干扰的电子元件之间的不希望有的电磁耦合。
串扰是EMI传播的主要途径,会引起走线间干扰。串扰包括电容耦合和电感耦合。电容耦合通常是因为走线位于另一走线上方或参考层上方。电感耦合通常是因为物理位置上十分接近的走线。对于并行走线,串扰有两种方式:前向和后向。在 PCB中,后向串扰通常比前向串扰更值得考虑。电路中源与受干扰走线间阻抗越大产生的串扰电平越高。电感串扰可以通过增加走线与传输线或导线间的边到边间隔或最小化走线距离参考层上的高度而得到控制。
2.2串扰的抑制
为了抑制印刷电路板导线之间的串扰,在设计布线时应注意以下几条:
(1)根据电路的功能分类逻辑器件,合理布局电路板;
(2)尽量避免长距离的平行走线,尽可能拉开线与线之间的距离以最小化电感耦合,信号线与地线及电源线尽可能不交叉;
(3)在一些对于敏感的信号线之间,设计一根接地印刷线,可以有效地抑制串扰;
(4)元件要远离Vo互连接口及其它易受数据干扰及耦合影响的区域;
(5)降低信号到地的参考距离;
(6)降低走线阻抗和信号驱动电平;
(7)把高噪声发射体(时钟、VO、高速互连等)分割或隔离在不同的区域;
(8)对时钟周期走线,差分走线、复位线等一些关键的系统走线强制使用3W原则(走线间的距离间隔必须是单一走线宽度的3倍)。
3.数字信号频谱分析
3.1数字信号
数字信号的特点是方波,方波信号是由基波和大量谐波正弦(或余弦)信号构成的,这可由傅立叶变换得到其频域波形,因此,脉冲重复周期越短,其重复频率越高,谐波频率也越高。理论上方波的上升时间为零,则谐波含量是无穷的。但实际上是梯形波形,有一定的上升沿和下降沿。
3.2脉冲的时域/频域变换(傅立叶变换)
通过傅立叶变换,矩形脉冲可分解为各次余弦(或正弦)波。
其表达式:

式中:An—各次余弦波形的幅度;
n—谐波次数;
w—角频率。
4.去耦与接地
4.1电路的去耦设计
电感和电容组成的低通滤波器,可滤掉高频段干扰信号。由于导线寄生电感的影响,会使供电的速度变慢,使驱动器件输出电流下降,合理放置去耦电容,在通断瞬间,利用电感和电容的储能作用,给器件提供电流。在直流电源回路中,负载的变化会引起电源噪声。配置去耦电容可以抑制因负载变化而产生的噪声,配置原则为:印刷电路板的电源输人端跨接一个10uF ~100uF的电解电容器,如果印刷电路板的位置允许,采用100uF以上的电解电容器的抗干扰效果会更好;对于耗电较大的集成电路芯片,也应在电源端安装合适的电解电容。小电容能为集成电路块提供高速电流,在器件输出端电压跳变时,它能高速充电,为器件提供充电电流。
4.2电路的接地设计
在电子设备中,接地是控制干扰的重要方法。如能将接地和屏蔽正确结合起来使用,可解决大部分干扰问题。
当电路板上频率小于1 MHz时,由于布线和元件之间的电磁感应影响很小,而接地电路形成的环流产生的干扰较大,所以要采用一点接地,使其不形成回路;当信号频率高于100MHz时,由于布线的电感效应明显,地线阻抗明显增加,此时接地电流形成的环流不再是主要问题了,所以应采用多点接地,尽量降低地线阻抗。但是,当工作频率在1MHz~10 MHz之间时,如果采用一点接地,其地线长度不应超过波长的1/20,否则应采用多点接地。当一个系统中既有低频电路又有高频电路时,应采用混合接地的原则。系统内的低频部分采用单点接地,而高频部分采用多点接地。
电路板上既有数字电路,又有模拟电路,应使它们尽量分开布线,而两者的地线应分别与电源端地线相连。另外还需尽量加大模拟电路引出端的接地面积。如果地线很细,则地线电阻将会较大,造成接地电位随电流的变化而变化,致使信号电平不稳,导致电路的抗干扰能力下降,因此应将接地线尽量加粗。在布线空间允许的情况下,要保证主要地线的宽度至少在2 mm 以上,元件引脚上的接地线直径应该在1.5 mm左右。
对于只有数字电路组成的印刷板的地线系统,将接地线做成闭合环路,可以明显提高抗干扰能力。其原因在于:印制电路板上有很多的元件时,因受接地线粗细的限制,会在接地上产生较大的电位差,引起抗干扰能力下降。若将接地结构构成环路,则会缩小电位差值,提高电子设备的抗干扰能力。
电源线的布置要根据电流的大小尽量加粗走线宽度。在布线工作的最后,用地线将电路板没有走线的地方铺满(大面积)。
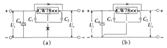
在接地时还需要避免共阻抗路径,如图3所示稳压器电路的“调整端的取样点”或“公共点”,千万不能接在有负载电流流过的输出线和公共地线上如图2(a)所示,应从管脚根部单独另外用引线引出如图2(b)所示。

图2 避免共阻抗路径
这是由于集成稳压电路的取样放大器的增益很高,调整端和公共端每1mV的电压变化,都会被放大到输出端进行逆向跟踪调整,反映的现象就是输出不稳定,直观的反映就是电源的纹波、PP值等指标超差。
5.电路布局元器件安装位置和合理布线
电路布局直接影响电磁干扰和抗干扰强度。合理的布局不仅可以使电路的效率得到提高,更能使整个系统的EMC得到改善。单元电路工作频率越高,速度也就越快,信号频谱也就越丰富,高频分量比例越大,对外干扰也就越强。从频率而言是先高频,再中频电路,最后低频电路;而从逻辑速度而言,是先高速电路,再中速电路,最后低速电路,如图3所示。

图3 按频率进行的布局
除按工作频率(或速度)进行分组外,也可按照其功能和类型进行分组,例如,既存在数字电路,又存在模拟电路的电路板,可按工作电压和频率分组布局,在给定电路系列或电源电压时,可按功能对器件分组。
结束语
以上就是电路板的电磁兼容设计介绍了。本文主要分析了共模和差模干扰、串扰产生的机理及抑制措施。在实际的设计过程中,电磁兼容问题依然是一个很复杂的问题,需要从多个角度去考虑与分析,以得到满意的设计结果。
电话:18923864027(同微信)
QQ:709211280
〈烜芯微/XXW〉专业制造二极管,三极管,MOS管,桥堆等,20年,工厂直销省20%,上万家电路电器生产企业选用,专业的工程师帮您稳定好每一批产品,如果您有遇到什么需要帮助解决的,可以直接联系下方的联系号码或加QQ/微信,由我们的销售经理给您精准的报价以及产品介绍

