测量中我们常常会发现,输出电压标称为5V的电源模块实际输出只有4.8V,这是为什么呢?本文将为您介绍电源模块输出电压低的原因及解决方法。
一般来说,模块在上板前都会进行功能测试,验证模块的电压输出是否正常。电源模块输出有电压但电压低于标称输出值是测试过程中经常遇到的问题,出现这种情况的原因无非有两种,一是电源模块为不良品或损坏,二是使用方法问题。下文将重点讨论使用方法导致的电源模块输出电压低的情况。
1输入电压低
输入电压偏低是最容易被忽略的情况,当输出有问题时我们应该第一时间检查输入是否正常。对于输入为定压或宽压的电源模块,当输入值偏低时将导致输出值也偏低。当然,这种情况是有限度的,对于一个特定的模块来说,当输入电压过低时将导致其不能工作,无输出电压。


图1 输入标称电压及工作电压范围
2输出过载
输出过载是指负载工作功率大于电源模块的额定输出功率,过载情况下电源模块的输出电压明显被拉低。以0505FS-1W为例,当负载电流增大到300mA时,输出电压只有4.5V。持续过载将影响到电源模块的工作效率、稳定性以及散热情况,导致模块使用寿命减少。若是过载导致的输出电压过低,则需要提升电源模块的输出功率,可以选择2W或3W的模块。


图2 输出过载
3走线阻抗大
电源模块输出与负载连接必然要有一段PCB走线,走线越长、走线越窄则它的等效电阻越大。等效电阻可以认为是串联在负载的工作回路中,将起到分压作用,因此导致负载两端的电压小于模块的输出电压。此外,除了走线问题还有很多情况起到类似的作用,比如焊点接触不良导致等效电阻增加,线路氧化或腐蚀导致等效电阻增加。


图3 等效电阻导致压降
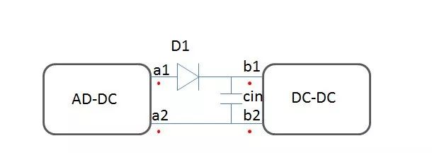
4防反接二极管
很多产品的AC和DC部分是不在一块板上的,在生产或终端客户使用中不可避免涉及到插拔电源连接器的情况。为防止此过程中的反接导致的硬件损坏,常串入一只二极管解决。以压降0.7V的二极管为例,b1 b2间的电压将比a1 a2间电压小0.7V,这也就是上面所讨论的输入电压偏低的情况,可以通过选择压降低的管子或者直接提高a1 a1间电压的方法解决。


图4 防反接二极管
5总结
电源模块能使工程师规避掉电源设计中的很多问题,选用合适的电源模块不仅能速断产品的开发周期还能提高产品的市场竞争力。以P_FKS-1W为例,它的效率高达83%,空载电流低至7ma,集成输出短路保护。 P系列全工况定压电源模块集二十年电源设计经验,为您提供优质的电源解决方案。
电话:18923864027(同微信)
QQ:709211280
〈烜芯微/XXW〉专业制造二极管,三极管,MOS管,桥堆等,20年,工厂直销省20%,上万家电路电器生产企业选用,专业的工程师帮您稳定好每一批产品,如果您有遇到什么需要帮助解决的,可以直接联系下方的联系号码或加QQ/微信,由我们的销售经理给您精准的报价以及产品介绍

