MOSFET就是我们俗称的MOS管,常用的就是用MOS管来做开关器件。
我们通常选MOS管会希望其有如下的参数:
1、耐压足够高,避免DS的击穿。
2、导通电流足够大,保证功率的输出足够。
3、体积小发热低,避免过热损坏器件。
4、开关速度要快,因为要经过可变电阻区,所以要尽快, 避免过多的发热损耗。
各个参数介绍:
一、击穿电压
DS可承受的最大电压,这个参数也并不是越大越好,耐压高的管子,一般通态电阻也比较大!
二、导通电流
Id,持续漏极电流,通常和通态电阻有很大关系。
三、体积和发热
热阻:热量在传导过程中受到的阻碍作用,用R表示。单位℃/W.
我们自然希望热阻越小越好,那样热量就会散发出去,而避免管子过热而损坏器件。通常相同参数的MOS管,体积越大,热阻就越小,散热越顺利。通常对于MOS管我们还会进行辅助散热,诸如增大散热片,线路板面积的铺铜等措施。
四、开关速度
开关速度如何处理不好,那么导致对应的发热可能比通态电阻造成的发热还大!
究其原因还是因为MOS管不是理想的导通和截止,而是需要一段时间。例如导通,电压逐渐降低,电流逐渐升高,这段时间内,电压和电流都不为0,对应就会产生一定的发热功率。
当然如果是长时间持续的导通或者关断的状态也倒是无所谓,但是一般MOS管都是出于高速开关管的状态。这时候对应的损耗就不容小觑了。

1.MOS管的开关损耗与导通损耗
通常解决办法有 零电压开关技术(ZVS)和零电流开关技术(ZCS)。
MOS管原理:
MOS管是一个栅极电压控制漏极电流的器件。
栅极从外部来看的话可以等效成为一个电容的,控制MOS管的开关就是电容的充放电。一旦超过开启电压(2~4V)再继续增加就会进入可变电阻区,继续升高就会进入恒流区。
电容两端的电压不会突变,升降需要一个过程,这个过程越快也即是开关速度越快,对应的开关损耗也就越低。

2.栅极充放电等效电路
常情况下,电流越大,对应的栅极电容也就越大也就是说开关速度慢。但是电流越大,对应的功率也就越大,它们是相互制约又相互联系的,所以,在参数选择上,要做到均衡。
栅极电阻的作用
说一千道一万就是想尽可能高的提高开关速度,而栅极电阻的存在势必会影响开关速度,即电容的充放电速度。那为何还要保留呢?

3.栅极的寄生振荡
如果没有栅极电阻,由于各种杂散参数的影响,会产生栅极的寄生震荡。甚至还有严重的过冲现象的发生。
MOS管内部的二极管
通常在MOS管的DS之间是并有一个二极管的,性能堪比快恢复二极管。这就是为什么MOS管驱动感性负载不需要在额外并联二极管的原因。
MOS管驱动电路
驱动电路要求足够的充放电电流,在高速状态下,不能使用上下拉电阻来提供相应的高电平和低电平,否则将严重降低开关速度,增加通过可变电阻区的时间,降低效率。那该怎么办呢?
慢开快关场合驱动电路

4.简化后慢开快关电路
在避免寄生震荡的前提下(保留栅极电阻),在栅极电阻上并联一个二极管。
这样在是低电平的时,可以达到快速截止的效果。
负压截止场合驱动电路
先来说一下负压截止的好处
①、保证快速截止。由RC充电模型可知,在0~5V的参考区间内,-5~12的关断速度要远大于5~12的关断速度。
②、保证可靠截止。 因为MOS管的GD间有较大的电容存在,因此来自负载的高频干扰可能通过Cgd在栅极产生感应电压,该电压可能导致MOS管的误导通,而负压截止在一定程度上避免此种情况的发生。
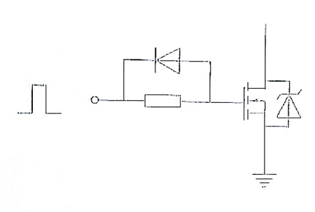
一般驱动电路设计

5.MOS管驱动电路参考
这里有一点不同了,就是那个R2和稳压管。
Q:R2啥作用?
A:MOS管栅极输入阻抗高,在引脚悬空的状态下,很容易在栅极形成较高的感应电压而使得管子误导通,R2的存在可以保证可靠的下拉截止。典型值10K。
Q:稳压管的作用?
A:将栅极电位钳位,避免击穿栅极电容,造成MOS管的损坏。
取值应高于驱动电压,低于最大承受电压。
电话:18923864027(同微信)
QQ:709211280
〈烜芯微/XXW〉专业制造二极管,三极管,MOS管,桥堆等,20年,工厂直销省20%,上万家电路电器生产企业选用,专业的工程师帮您稳定好每一批产品,如果您有遇到什么需要帮助解决的,可以直接联系下方的联系号码或加QQ/微信,由我们的销售经理给您精准的报价以及产品介绍

