极速快3

您好!欢迎光临极速快3品牌官网!

深圳市极速快3有限公司

ShenZhen XuanXinWei Technoligy Co.,Ltd
二极管、三极管、MOS管、桥堆

全国服务热线:18923864027

  • 热门关键词:
  • 桥堆
  • 场效应管
  • 三极管
  • 二极管
  • 几种负电压电源设计方案详解
    • 发布时间:2022-04-07 18:12:17
    • 来源:
    • 阅读次数:
    几种负电压电源设计方案详解
    在设计电路时,我们可能会遇到需要负电压供电的系统,例如使用负电压为IGBT提供关断负电压、运放系统中用正负对称的偏置电压供电。那么该如何产生一个稳定可靠的负电压呢?本文将介绍不同的解决方案。
    负电压设计根据不同的负载电流有很多不同方案,以下是给出几种目前市面比较常见的负电压方案,可以根据不同场合使用合适的方案。
    一、工频变压器输出正负电压
    负电压 电源
    图1 工频变压器正负输出电源
    各位工程师看到图1的电路是否有很强的亲切感,是否能想起大学时接触电子设计时的情景?此经典电路优点比较明显,电路结构简单、极低干扰噪声、稳定性好;
    同时此电路也有缺点,输入交流电范围窄(一般是220VAC±5%),体积重量大;虽然此电路缺点明显目前还有一些应用采用此方案设计。此方案主要是利用变压器产生负电压在通过线性稳压器7905进行稳压。
    二、电源模块输出负电压
    由于电子元件制造工艺技术越来越好,能量损耗越来越低,这样一来越来越有利于电源的模块化发展。而且在设计上也能做到小型化,轻型化设计。
    1、非隔离负压输出负电压
    负电压 电源
    图2 非隔离稳压输出模块
    负电压 电源
    图3 非隔离模块的正输出与负输出接法
    如图3所示,此电源模块应用与常用的LM7805类似,而且不需要安装散热片。如上图,我们需要正负电压给运放等供电时,只需要两个E78xxOS-500电源即可实现。
    2、隔离电源模块输出正负电压
    负电压 电源
    图4 E_URADD-6W电源典型应用
    在电力、工业、通讯等对抗干扰性能要求较高的场合,一般需要对电源进行隔离处理来隔离从总电源端的干扰。此种应用时如果需要用到负电压,可以直接采用隔离电源模块直接输出正负电压给系统供电。
    三、Buck-Boost拓扑设计输出负电压
    除了采用隔离模块方案,我们还可以选择芯片自己设计负压电路,此处我们介绍一下较容易设计的非隔离负压输出Buck-Boost电路。
    如图6此电路只需要主控芯片、电感、电容等芯片,目前MPS的DC-DC电源芯片都支持Buck-Boost的设计结构,可以根据不同输出电流选择合适型号。
    负电压 电源
    图5 Buck-Boost拓扑原理
    从图6的拓扑中可以看出输入电压与输出电压极性是相反的,因此Buck-Boost拓扑结构又简称为倒相拓扑。
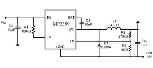
    图7是采用MP2359DT设计的-15V电源电路,MP2359DT是采用SOT23-6的封装,整个电路占用PCB面积较小。
    负电压 电源
    负电压 电源
    图7 MP2359负电压输出电路
    负电压设计方案多种多样,哪一个方案适合设计,还是需要综合考虑不同应用、不同技术要求而定。
    〈烜芯微/XXW〉专业制造二极管,三极管,MOS管,桥堆等,20年,工厂直销省20%,上万家电路电器生产企业选用,专业的工程师帮您稳定好每一批产品,如果您有遇到什么需要帮助解决的,可以直接联系下方的联系号码或加QQ/微信,由我们的销售经理给您精准的报价以及产品介绍
     
    电话:18923864027(同微信)
    QQ:709211280

    相关阅读
    79991cm德彩网 美彩国际7709 佰富彩采购大厅-欢迎您 名贯彩票-大发精准计划 88爱彩 - 欢迎您 美彩国际 - 欢迎您 德彩网 - 欢迎您 79991cm德彩网