晶体管的主要参数,如电流放大倍数、基极-发射极电压、集电极电流等,都与环境温度密切相关。因此,在晶体管电路中需要采取必要的温度补偿措施,才能获得较高的稳定性和较宽的使用环境温度范围。
采用NTC热敏电阻器的晶体管温度补偿电路,普遍存在高温(一般在50℃以上)补偿不足、输入阻抗随温度升高而下降,功耗较大等缺点。PTC热敏电阻 晶体管温度补偿电路能克服上述缺点,扩大晶体管使用环境温度范围。
原理电路

图 三种接法的基本补偿电路
图(a)(b)(c) 为三种不同接法的晶体管基本补偿电路,适用于不同的晶体管及工作电流,以求保证在较宽的温度范围内的最佳补偿效果。
此外,图(b)和图(c)除有稳定工作电流的作用外, 还兼有过热过流保护的功能,即当电流或环境温度超过设定值时,RT阻值剧增,从而使使晶体管截止。
应用举例
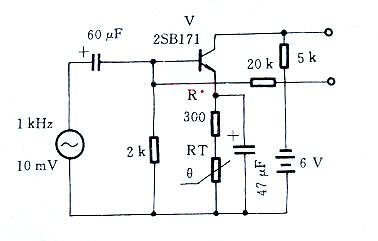
晶体管放大电路

图 晶体管放大电路
图为采用PTC热敏电阻的晶体管放大电路。 图中RT为25℃时阻值180Ω的PTC热敏电阻,当环境温度变化时,其阻值随之变化使晶体管发射极电压呈反向变化,从而使集电极电流保持稳定。

图 Ia、Av随环境温度Ta的变化
图是环境温度在-20~+60℃范围内,集电极电流Ic及电压放大系数Av的变化情况。
图中,曲线1、3是采用了PTC热敏电阻的补偿结果,曲线2、4是没有采用PTC热敏电阻补偿的结果。
由于引入了PTC热敏电阻器,集电极电流Ic及电压放大系数Av抗环境温度影响的能力得到显著改进。
电话:18923864027(同微信)
QQ:709211280
〈烜芯微/XXW〉专业制造二极管,三极管,MOS管,桥堆等,20年,工厂直销省20%,上万家电路电器生产企业选用,专业的工程师帮您稳定好每一批产品,如果您有遇到什么需要帮助解决的,可以直接联系下方的联系号码或加QQ/微信,由我们的销售经理给您精准的报价以及产品介绍

