共集电极放大电路的基本特点是放大电流,输出电压的幅度没有放大,常用作缓冲放大电路,输出信号的相位与输入相同,被称为射极输出器或射极跟随器,简称射随器。
共集电极放大电路的输入阻抗高,输出阻抗低,可用作阻抗变换器,适用于多级放大电路的输出级。
图为最基本的共集电极放大电路。

最基本的共集电极放大电路
提示
通过电路中的电路图形符号和标识可了解共集电极放大电路的组成,主要由三极管、偏置电阻、耦合电容和负载电阻等构成。
其中,电源通过两个偏置电阻R1和R2给三极管的基极(b)提供偏置电压;R3是三极管发射极(e)的负载电阻;C1、C2为耦合电容;RL为负载电阻。
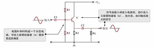
共集电极放大电路的识图分析如图所示。

共集电极放大电路的识图分析
图为高输入阻抗缓冲放大电路。该电路采用由共漏极和共集电极组合的放大电路结构,主要是由场效应晶体管VF1、三极管V2等组成的。

高输入阻抗缓冲放大电路
电话:18923864027(同微信)
QQ:709211280
〈烜芯微/XXW〉专业制造二极管,三极管,MOS管,桥堆等,20年,工厂直销省20%,上万家电路电器生产企业选用,专业的工程师帮您稳定好每一批产品,如果您有遇到什么需要帮助解决的,可以直接联系下方的联系号码或加QQ/微信,由我们的销售经理给您精准的报价以及产品介绍

