极速快3

您好!欢迎光临极速快3品牌官网!

深圳市极速快3有限公司

ShenZhen XuanXinWei Technoligy Co.,Ltd
二极管、三极管、MOS管、桥堆

全国服务热线:18923864027

  • 热门关键词:
  • 桥堆
  • 场效应管
  • 三极管
  • 二极管
  • 二极管应用电路故障处理方法解析
    • 发布时间:2022-05-06 15:11:38
    • 来源:
    • 阅读次数:
    二极管应用电路故障处理方法解析
    1. 二极管整流电路及故障处理
    利用二极管的正向导通、反向截止的特性,可以实现电路的整流。二极管构成的简易整流电路如图1所示。
    (1)故障检测方法。
    观察输出波形,若最后输出波形与整流前波形基本保持不变,则说明二极管存在短路现象,未能完成整流作用。若最后无法得到输出波形,则说明二极管存在断路现象,导致最后电路开路,未能完成整流作用。
    (2)电路故障分析。
    二极管整流电路属于电路中比较常见的整流方式,在半波整流电路中,可能会出现二极管被击穿的现象。
    利用万用表的欧姆档测量二极管的电阻值,在得到一组数据后,交换万用表笔与二极管接触的电极,进行再次测量,若两次所得数据相近且阻值很小,则说明二极管存在被击穿的可能,需要及时更换,以保障电路顺利工作,若阻值相差比较大,则说明二极管处于正常工作状态。
    二极管 电路 故障处理
    图1 二极管整流电路
    二极管 电路 故障处理
    图2 二极管构成的简易直流稳压电路
    2. 二极管简易稳压电路及故障处理
    硅二极管正向导通后,其管压降保持在0.7V左右。在低压稳压电路中,可根据电路输出电压的要求,选用n只二极管串联使用。如图2所示就是由二极管构成的简易直流稳压电路。
    (1)故障检测方法。
    通过测量二极管两端的直流电压,来判断3只二极管是否正常工作。
    (2)电路故障分析。
    如果图中A点的直流电压VA高于2.1 V,则说明电路中某只二极管损坏,存在开路故障。如果A点的电压VA小于2.1 V,说明某只二极管存在短路故障。每降低一个0.7 V,意味着有一只二极管短路。
    二极管 电路 故障处理
    图3 二极管温度补偿电路
    二极管 电路 故障处理
    图4 二极管构成的自动控制电路
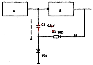
    3. 二极管温度补偿电路及故障处理
    PN结的压降与温度有关。图3中VT1的集电极电流Ic会随温度的升高而增大,VD1的管压降会随着温度升高而下降,从而形成了反馈,使三极管VT1的集电极电流Ic维持不变,所以VD1在电路中实现了温度补偿的作用。
    (1)故障检测方法。
    利用万用表的欧姆档测量二极管VD1正向电阻和反向电阻大小的方法。若两次所得数据相近且阻值很小,则说明二极管存在被击穿的可能,需要及时更换,以保障电路顺利工作,若阻值相差较大,则说明二极管能够正常工作。
    (2)电路故障分析。
    除了直接测量二极管正向和反向电阻大小之外,还可以观测其他数据,排查电路故障。如果VT1管基极直流偏置电压下降了0.7 V,说明VD1可能存在击穿故障,使三极管VT1的基极电流减小,电路容易进入截止状态。
    4. 二极管构成的控制电路及故障处理
    二极管导通之后,它的电阻值的大小与电流大小有关系。正向电流越大,正向电阻就越小;正向电流越小,正向电阻越大。利用二极管的这种特性,可以构成许多自动控制电路。图4是录音电路中的自动控制电路。
    当录音信号比较小时,经A、B两个集成模块后,输出电压Ui较小,Ui小于二极管VD1的导通电压,所以二极管VD1不工作,录音放大器输出的信号没有被衰减。
    当录音信号较大时,经A、B两个集成模块后,输出电压Ui较大,使二极管VD导通。录音信号越大,U;就越大,通过VD,的电流就增大,从而使VD的内阻越小。
    录音放大器A输出的一部分录音信号通过电容C,和二极管VD,被分流到地端,实现了对大录音信号的衰减作用。
    (1)故障检测方法。
    需要采用替代法进行检测,即通过观测录音结果来检测控制电路是否正常运行。
    (2)电路故障分析。
    如果录音信号很大时,声音出现了一会儿大一会儿小的起伏状失真,当录音信号很小时,能够正常录音,则说明二极管VD1存在开路故障,使得电路不具有控制作用。
    如果录音时,录音声音很小,则说明二极管VD1可能被击穿,使得录音信号被二极管VD1分流到地了,因此电路也不具有控制作用。
    5. 二极管限幅电路及故障处理
    在限幅电路中,当信号幅度超过限定值时,限幅电路使输出信号维持在限定值;当信号幅度没有达到限定值时,限幅电路不会工作。
    集成电路A1的①脚通过电阻R1与三极管VT1的基极相连,如果A1的①脚输出的电压低于2.1 V,二极管VD1、VD2和VD3没有导通,信号没有衰减。
    如果A1的①脚输出的电压高于2.1 V,二极管VD1、VD2和VD3导通,信号维持在2.1 V,起到了限幅的作用。集成电路A1的②脚工作原理一样。
    (1)故障检测方法。
    采用万用表欧姆档测量二极管正向电阻和反向电阻大小的方法。若两次测量数据相近且阻值很小,则说明二极管存在被击穿的可能;若阻值相差较大,则说明二极管正常工作。
    (2)电路故障分析。
    在限幅电路中,二极管工作在小信号状态下,所以出现被击穿故障的可能性较小。如果电路中没有起到限幅作用,则可能是二极管出现了开路故障。
    6. 二极管构成的开关电路及故障处理
    当S1闭合时,二极管处于导通状态,这样C2接入电路,L1与C1、C2构成LC并联谐振电路;当S1断开时,二极管处于截止状态,L1与C1并联构成LC并联谐振电路。
    S1的通断使得LC并联谐振电路中的电容值不同,导致LC并联谐振电路的谐振频率不同。
    (1)故障检测。
    利用万用表测量二极管VD1两端电压降的方法。VD1两端电压降正常在0.7V左右,如果测量值很小,说明VD1短路;如果测量值远大于0.7 V,说明VD1开路。
    (2)故障分析。
    如果这一电路中开关二极管VD1开路或短路,振荡频率将成为定值,与C2无关,起不到调节振荡频率的作用。因此针对可能出现的故障,要及时对二极管进行检测然后更换,以保障开关电路正常工作。
    7. 二极管构成的保护电路及故障处理
    由于继电器内部存在线圈的结构,所以在断电时,线圈会产生电压很大的反向电动势,从而对继电器造成损坏。
    在正常通电情况下,直流电压+V使二极管VD1处于反向截止状态,二极管不工作;当电路突然断电时,继电器J1两端产生了下正上负的反向电动势,这一反向电动势使二极管VD1正向导通,继电器J1两端的压降瞬间变为二极管导通后的管压降,从而起到了保护继电器的作用。
    (1)故障检测。
    由于二极管两端并联着继电器,继电器线圈的直流电阻很小,因此不能利用测量电压降的方法来判断二极管质量的好坏。需要采用替代二极管的方法来检查电路是否正常运行。
    (2)故障分析。
    当二极管VD1开路时,没有起到保护继电器的作用;当二极管VD1短路时,相当于继电器短路,继电器不能正常工作。
    从上述内容的介绍与分析,我们可以看出二极管在电路中具有极为广泛的应用,文中只是着重介绍了7种较为常见的应用电路及其相应的故障处理。熟悉这些电路的工作原理,掌握其故障检测和解决方案,对我们更好地使用二极管具有重要意义。
    〈烜芯微/XXW〉专业制造二极管,三极管,MOS管,桥堆等,20年,工厂直销省20%,上万家电路电器生产企业选用,专业的工程师帮您稳定好每一批产品,如果您有遇到什么需要帮助解决的,可以直接联系下方的联系号码或加QQ/微信,由我们的销售经理给您精准的报价以及产品介绍
     
    电话:18923864027(同微信)
    QQ:709211280

    相关阅读
    79991cm德彩网 美彩国际7709 佰富彩采购大厅-欢迎您 名贯彩票-大发精准计划 88爱彩 - 欢迎您 美彩国际 - 欢迎您 德彩网 - 欢迎您 79991cm德彩网