极速快3

您好!欢迎光临极速快3品牌官网!

深圳市极速快3有限公司

ShenZhen XuanXinWei Technoligy Co.,Ltd
二极管、三极管、MOS管、桥堆

全国服务热线:18923864027

  • 热门关键词:
  • 桥堆
  • 场效应管
  • 三极管
  • 二极管
  • 开关电源关于并联均流知识解析
    • 发布时间:2022-05-18 19:19:07
    • 来源:
    • 阅读次数:
    开关电源关于并联均流知识解析
    开关电源产品广泛应用于工业自动化控制、军工设备、科研设备、LED照明、工控设备、通讯设备、电力设备、仪器仪表、医疗设备、半导体制冷制热、空气净化器,电子冰箱,液晶显示器,LED灯具,通讯设备,视听产品,安防监控,LED灯袋,电脑机箱,数码产品和仪器类等领域。
    常用几种均流技术的工作原理
    1、改变单元输出内阻法(斜率控制法、电压下垂式、输出特性斜率控制式)
    实现方式:
    ·UO固定,改变斜率
    ·斜率固定,改变输出电压
    开关电源 并联均流
    (1)工作原理和特性曲线
    开关电源并联均流技术
    见图4(a)、(b),图中△Imax=△UOImax/△Uslope,内阻RO=△UO/△IO当单元输出电流IO1增加时,IO1在电流检测电阻RS上的压降增加,致使A1输出电压增加,与单元电压反馈信号Uf叠加后送至A2反相输入端,经A2放大后输出Ur变负,利用这个Ur电压控制单元输出电流,从而实现均流。
    由图4(b)可以看出:当典型值△UO=±0.1%,△Uslope=±2%,则△Imax=0.05Imax,即调整精度为5%。这种调节精度对大多数调节系统来说是能接受的。
    (2)改变单元输出内阻法(斜率法)特点
    ·小电流时均流效果较差,这点可从公式
    △Imax=0.05Imax看出。
    ·大电流时均流效果较好。
    ·对电压源来说,内阻RO(斜率)应越小越好,但是这种均流方法利用改变RO来实现均流,降低了电源输出的负载特性,即以牺牲电路的技术指标来实现均流。
    ·随着微处理器技术的发展,这种方法很容易实现程控,从而实现比较理想的均流控制特性。
    2、主/从控制法(Master/Slave)
    (1)工作框图
    见图5,在这种工作方式下用n个单元,其中一个单元(主控单元)工作在电压源(CV)方式,其余n-1个单元工作于电流源(CC)方式,利用来自输出电流的误差电压△U来实现均流控制。
    它实际上是由电压环(外环)和电流环(内环)构成电流控制型的双环控制,或说成是电压控制的电流源。
    开关电源 并联均流
    (2)主要特点
    ·一旦主控单元出现故障则整个系统崩溃。
    ·由于电压环工作频带宽,易受噪声干扰。
    ·主/从单元间必须要有通讯联系,所以整个系统较复杂。
    ·可靠性取决于主模块,只能均流,不能构成冗余系统。
    ·适用于n个功率单元的系统。
    3、外部电路控制法
    (1)工作原理
    每一个单元加一个输出电流检测电路来检测它的电流,产生的反馈信号调节每个单元的电流,从而达到各单元间输出均流的目的。在这种情况下,每个单元间应有公共总线。
    (2)优缺点
    ·这种控制方法均流效果较好,但是每个单元需附加一个电流控制电路,成为控制环路的一部分,需满足环路的总体要求,否则会降低单元的技术指标及工作稳定性,降低系统的动态响应特性。
    ·由于每个单元都需要一个控制电路,所以整个扩流系统连线较多。
    4、平均电流型自动负载均流法(自动均流)
    (1)工作框图
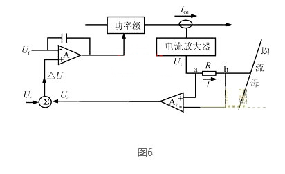
    见图6,这种均流方式采用一个窄带电流放大器,输出端通过阻值为R的电阻连到均流母线上,n个单元采用n个这种结构。
    开关电源 并联均流
    当输出达到均流时,电流放大器输出电流I1为零,这时IO1处于均流工作状态。反之,在电阻R上产生一个Uab,由这个电压控制A1,由A1再控制单元功率级输出电流,最终达到均流。
    (2)特点
    ·均流效果较好,易实现准确均流。
    ·在具体使用中,如出现均流母线短路或接在母线上的一个单元不工作时,母线电压下降,将使每个单元输出电压下调,甚至达到下限,以致造成故障。并且当某一模块的电流上升至Iomax时,电流放大器输出电流也达到极限值,同时致使其它单元输出电压自动下降。
    ·可以构成冗余系统,均流模块数理论上可以不限。
    ·缺点为了使系统在动态调节过程始终稳定,通常要限制最大调节范围,要将所有电压调节到电压捕捉范围以内。如果有一个模块均流线短路,则系统无法均流。单个模块限流也可能引起系统不稳定。在大系统中,系统稳定性与负载均流瞬态响应的矛盾很难解决。如果在图6中的R支路上串一只二极管,则构成所讲的最大电流自动均流法。
    5、最大电流自动均流法(民主均流法,自动主/从控制法)
    开关电源 并联均流
    (1)工作原理
    将图7所示均流框图中的电阻R用一个二极管代替,二极管正端接a,负端接b。这样只有当n个单元中输出电流最大的一个电流放大器输出才能使二极管导通,从而影响均流母线电压,进而达到该单元均流调节作用。这种方法一次只有一个单元参与调节工作。
    (2)特点
    ·在这种均流方式下,参与调节的单元由n个单元中的最大输出电流单元决定,一次只有这个最大输出电流单元工作,这个最大电流单元是随机的,所以有人把这种均流方法叫做“民主均流法”。 又由于一旦最大均流单元工作,它处于主控状态,别的单元则处于被控状态,因此又有人把这种方法叫做“自动主/从控制法”。
    ·由于二极管总有正向压降,因而主单元均流总有误差,而从单元的均流效果是较好的。美国优尼则公司的UC3907集成均流控制芯片就工作在这种方式下。最大均流法的特点和平均电流法的特点相似。
    6、强迫均流法
    所谓强迫均流,就是通过监控模块实现均流。实现方式主要有软件控制和硬件控制两种。
    软件控制是通过软件计算,比较模块电流,平均电流,然后再调整模块电压,使其电流与平均电流相等。软件方式易于实现,均流精度高,但其瞬态响应比较差,调节时间长。
    硬件控制方式原理如图7所示,取样电压Us与系统基准电压Ur相比较产生误差电压Ue,该电压送至每个模块,与模块电流相比较,调节模块参考电压,从而改变输出电压,调节输出电流,实现均流。这样,每个模块都相当于电压控制的电流源。这种均流方式精度高,动态响应好,可控制模块多,可以很方便的组成冗余系统。
    强迫均流依赖监控模块,如果监控模块失效,则无法均流,这一点使用时应注意。在强迫均流中,每个监控系统监控的模块数可达100个,参数设置好后(即使模块电压相差较大,如1伏或更大)不需任何调整,均流精度高于2.5%,负载响应快(在几百ms内),无振荡现象。
    〈烜芯微/XXW〉专业制造二极管,三极管,MOS管,桥堆等,20年,工厂直销省20%,上万家电路电器生产企业选用,专业的工程师帮您稳定好每一批产品,如果您有遇到什么需要帮助解决的,可以直接联系下方的联系号码或加QQ/微信,由我们的销售经理给您精准的报价以及产品介绍
     
    电话:18923864027(同微信)
    QQ:709211280

    相关阅读
    79991cm德彩网 美彩国际7709 佰富彩采购大厅-欢迎您 名贯彩票-大发精准计划 88爱彩 - 欢迎您 美彩国际 - 欢迎您 德彩网 - 欢迎您 79991cm德彩网