电磁干扰的定义
电磁干扰(ElectroMagneticInterference,简称EMI)是指任何在传导或电磁场伴随着电压、电流的作用而产生会降低某个装置、设备或系统的性能,或可能对生物或物质产生不良影响之电磁现象。
电磁干扰的产生
骚扰源、敏感设备与耦合途径并称电磁干扰三要素。对于开关电源模块来说,噪声的产生在于电流或电压的急剧变化,即di/dt或dv/dt很大,因此高功率和高频率运作的器件都是EMI噪声的来源。
具体来说,其来源主要有:
(1)外界耦合的干扰(主要在输入端和输出端产生);
(2)开关管;
(3)变压器;
(4)二极管;
(5)储能电感;
(6)PCB板布局和走线不合理从而产生的回路干扰。
抑制电磁干扰的对策
人们总是想方设法地将电磁干扰三要素之中的一个去掉:屏蔽掉骚扰源、隔离开敏感设备或者切断耦合途径。从能量的角度来讲,电磁干扰是一种能量,无法不让它产生,只有用一定的办法去减小其对系统的干扰。
可用到的方法可分为两大类:一种是让能量泄放掉;另一种是把能量给挡在外部。可以说一种方法是减小其产生的幅度,另一种则切断其传播途径。
下面针对具体的方面一一分析:
1、外界干扰的耦合(输入端和输出端)
(1)输入端
输入端是整个电源的入口处,电源内部的噪声也可由此传播到外部,对外界造成干扰。通常采用的策略是在输入加X电容、Y电容、差模电感和共模电感对噪声和干扰进行过滤。
图1就是一种比较常见的EMI滤波电路。

图1 EMI滤波电路
其中L1、CY1和CY2组成的滤波电路可以抑制电源线上存在的共模干扰信号。
当有共模干扰电流流经线圈时,由于共模电流的同向性,会在线圈内产生同向的磁场而增大线圈的感抗,使线圈表现为高阻抗,产生较强的阻尼效果,以此衰减共模干扰。
差模电感L2和X电容,组成的低通滤波可抑制电源线上的差模干扰。
(2)输出端
对于输出,特别是有长输出引线的情况,电源模块跟系统搭配后,电源内部一些噪声干扰就可能由输出线而耦合到外界,干扰其他用电设备。
对此,最好的办法是同对付输入端的干扰一样去加一些共模滤波和差模滤波。此外,还可以在输出线串套磁珠环;采用双绞线或是屏蔽线,以达到抑制EMI干扰的目的。
2、开关管
在电源模块的工作过程中,由于开关管结电容的存在,开关管在快速开关的时候就会产生毛刺和尖峰,这样就会有一些传递或发射出来。另外开关管的结电容和变压器的绕组漏感也有可能产生谐振而发出干扰。
对此可采用的对策有:
(1)开关管D极和G极串加磁珠环,这样等于加了一个小电感,减小开关管的电流变化率,从而达到减小尖峰的目的。
(2)在开关管处加缓冲电路或采用软开关技术,减小开关管在快速工作时的尖峰,使其电压或电流能缓慢上升。
(3)减小开关管与周边组件的压差,那么开关管的结电容可充电的程度会得到一定的降低。
(4)增大开关管的G极驱动电阻。
3、变压器
变压器是电源模块的储能组件,在能量的充放过程中,就可能会产生噪声干扰。漏感可以与电路中的分布电容组成振荡回路,使电路产生高频振荡并向外辐射电磁能量,造成电磁干扰。
一次绕组与二次绕组之间的电位差也会产生高频变化,通过寄生电容的耦合,从而产生了在一次侧与二次侧之间流动的共模传导EMI电流干扰。
对此可采用的对策有:
(1)变压器加屏蔽。
屏蔽可分为电屏蔽与磁屏蔽,电屏蔽主要的作用是将初级来的干扰信号与次级隔离开来。
可在初、次级之间包一层铜箔(内屏蔽),但头尾不能短路,铜箔要接地,这样在初级绕组与铜箔之间形成电容,共模传导干涉信号通过电容--铜箔--接地形成回路,不能进入次级绕组从而起到电屏蔽的作用。
磁屏蔽则在变压器外部线包包首尾相连的铜箔(外屏蔽)。铜箔是良导体,高频交变漏磁通穿过铜箔的时候会产生涡流,而涡流产生的磁场方向正好与漏磁通的方向相反,部分漏磁通就可以被抵消。
(2)采用三明治绕法,可以减少初级耦合至变压器磁芯的高频干扰。由于初级远离磁芯,次级电压低,故引起的高频干扰小。
(3)降低工作频率,减缓能量的快速充放。
(4)一次侧和二次侧的可靠隔离,一次侧和二次侧之间的地接Y电容。
(5)尽量减小变压器的漏感,改进电路的分布参数,能在一定程度减小干扰。
4、二极管
二极管在快速截止与导通的过程中会有尖峰的产生,特别是整流二极管,其在反向恢复过程中,电路的寄生电感、电容会发生高频振荡,产生电磁干扰。
对此可采用的对策有:
(1)加RC吸收电路,让二极管的能量能平缓的泄放。
(2)在其阴极管脚套一个磁珠环,使其电流不可突变以减小尖峰。
5、储能电感
(1)类似于变压器,可对其加屏蔽。
(2)调整其参数,避免与回路的电容产生振荡。
6、PCB板的布局和走线
准确的说,PCB是上述干扰源的耦合通道,PCB的优劣,直接对应着对上述EMI源抑制的好坏。同时PCB板上器件的布局和布线的不合理都会造成EMI干扰。
对此可采用的对策有:
(1)减少干扰的最有效方法就是减小各个电流回路的面积(磁场干扰)和带电导体的面积及长度(电场干扰)。
(2)电路中的不相同的地线特别是模拟地和数字地要分开。
(3)PCB的电源线和地线尽可能宽,以减小线阻抗,从而减小公共阻抗引起的干扰噪声。
(4)对于传输信号的线路一定要考虑阻抗匹配。

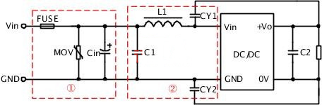
图2 两种PCB布局对比
对于体积较小的DC-DC电源模块,通常的做法是通过搭建外围电路来实现电磁干扰的抑制,以保证应用系统的可靠性。EMC推荐电路如图2所示,其中①部分用于EMS测试,②部分用于EMI滤波。

图3 DC-DC电源模块EMC推荐电路
电话:18923864027(同微信)
QQ:709211280
〈烜芯微/XXW〉专业制造二极管,三极管,MOS管,桥堆等,20年,工厂直销省20%,上万家电路电器生产企业选用,专业的工程师帮您稳定好每一批产品,如果您有遇到什么需要帮助解决的,可以直接联系下方的联系号码或加QQ/微信,由我们的销售经理给您精准的报价以及产品介绍

