电流检测电路
在电源等设备中通常需要做电流检测或反馈,电流检测通常用串联采样电阻在通过放大器放大电阻上的电压的方法,如果要提高检测精度这地方往往要用到比较昂贵的仪表放大器,以为普通运放失调电压比较大。
下面介绍几种巧妙、实用的电流检测电路。
1. 三极管电流检测电路

如果简单的用三极管导通与截止来检测电流的话,三极管开启要0.7V左右,电流比较小的时候需要串比较大的采用电阻,同时浪费较大的反馈电压,
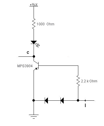
如上图方法,可以用比较小的电阻,消耗很小的电压就能检测到电流I,通过调整三极管基机电阻可以调整检测的灵敏度。这个电路可以用在充电器等需要显示有没有充电电流的地方。
2. 高灵敏度电流检测电路

这个电路用两个二极管做电流采样,灵敏度非常高,电流可以做到动态范围很大,在大功率或高电压应用场合比较合适,缺点是电压需要损坏掉约1.4V。
3. TL431电流反馈电路

TL431 价格低廉,在开关电源的反馈环路大量应用,但其FB电压为2.5V,直接用做电流反馈时要很大的采样电阻,浪费电压。
图中用两个TL431实现电流反馈,可以用比较小的采样电阻实现精密的电流反馈,如果还有电压反馈网络,再并上U3的电压反馈电路。
电话:18923864027(同微信)
QQ:709211280
〈烜芯微/XXW〉专业制造二极管,三极管,MOS管,桥堆等,20年,工厂直销省20%,上万家电路电器生产企业选用,专业的工程师帮您稳定好每一批产品,如果您有遇到什么需要帮助解决的,可以直接联系下方的联系号码或加QQ/微信,由我们的销售经理给您精准的报价以及产品介绍

