场效应管-电压
N沟道场效应管栅极(G极)电压是否可以大于漏极(D极)电压?为什么?答案:完全是可以的;场效应管完全导通时其G极电压就比D极电压高。
N沟道场效应管
场效应管有N沟道和P沟道两种类型,共有3个极:栅极(G极)、漏极(D极)和源极(S极),其中G极属于驱动端,G极与S极有相应的压差,管子才导通。
场效应管与三极管不同,属于压控元件(三极管属于电流元件),栅极输入阻抗很大(约10^7Ω~10^12Ω),电流很小几乎为零。
以N沟道场效应管为例进行说明,下图为N沟道场效应管的结构及符号。

场效应管也有三个工作区间:截止区(夹断区)、可变电阻区和恒流区(饱和区)。
截止区:VGS<VGS(th),VGS(th)为管子的开启电压,此期间漏极-源极之间的阻抗很大,ID电流几乎为零(一般μA级以下),相当于开路。
可变电阻区:VGS(th)<VGS<VGS(饱和),当VGS两端的电压达到管子的开启电压时,漏极开始有电流,此时漏极-源极的阻抗比较大,VGS持续增大,阻抗随之减小,此区间ID与VGS呈线性关系。
恒流区(饱和区):当VGS继续增大,漏极电流(ID)不再增大(趋于稳定)时,此区间属于恒流区,也就是管子完全饱和状态。
管子饱和时,漏极-源极的阻抗(内阻)很小,都是mΩ数量级,比如50mΩ、8mΩ等,质量较好的大电流场效应管其饱和内阻可达1mΩ/2mΩ,甚至更小。
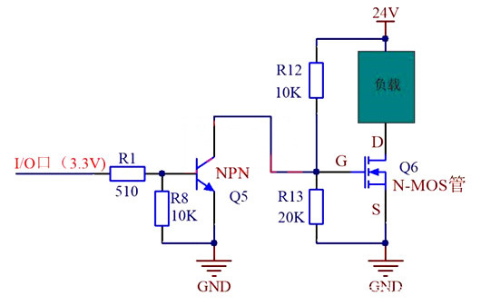
N沟道场效应管应用实例
如下图为使用3.3V的I/O口控制N沟道场效应管的原理,由于场效应管的饱和控制电压VGS一般6V~10V,因此不能直接使用3.3V电平的IO口直接控制场效应管。
该原理通过NPN三极管驱动场效应管,因为三极管属于电流驱动,一般电压大于0.6V即可驱动三极管。该原理的具体过程为:
当I/O口为高电平(3.3V)时,三极管Q1导通,将场效应管Q2的栅极电压拉低(几乎为0V),此时VGS≈0V,场效应管Q2截止,负载不工作;
当IO口输出低电平时,三极管Q1基极电压为0,三极管截止,场效应管Q2栅极电压由24V经10K和20K分压得到8V电压,即VGS=8V,场效应管Q2导通(饱和),负载工作。

实例是使用场效应管的截止/饱和区将场效应管当电子开关控制负载,在实际应用中,场效应管当开关的场合很多,但场效应管的作用不仅仅只是开关,场效应管的输入阻抗很高,可作为多级放大电路的输入级提高输入阻抗,也可以作为恒流源、可变电阻使用。
熟悉场效应管的原理及应用之后,答案已经很明了了,N沟道的场效应管的恒流区(饱和区)栅极(G极)和源极(S极)之间施加电压一般6V~10V(管子饱和驱动电压),当管子达到饱和时其内阻很小,都是mΩ级别,小的可达几mΩ。
如上图例子,假设该管子内阻为20mΩ,负载电流为5A,管子饱和时VDS=20mΩ×5A=0.1V,而驱动电压VGS=8V,源极S接地,因此G极的电压为8V而D极的电压只有0.1V,可见G极的电压明显比D极高。
总结:在管子各极所能承受的电压范围内,栅极(G极)的电压是可以高于漏极(D极)电压的,场效应管之所以能够广泛应用,是因为其有很多优点,比如输入阻抗高,稳定性好,输出端对输入端影响很小;
驱动负载能力强,在中小电流场合压降小;热稳定性好,噪声低,失真小。因此中小电流场合场效应管占优势,但在大电流场合晶体管、IGBT占优势。
电话:18923864027(同微信)
QQ:709211280
〈烜芯微/XXW〉专业制造二极管,三极管,MOS管,桥堆等,20年,工厂直销省20%,上万家电路电器生产企业选用,专业的工程师帮您稳定好每一批产品,如果您有遇到什么需要帮助解决的,可以直接联系下方的联系号码或加QQ/微信,由我们的销售经理给您精准的报价以及产品介绍

