上拉电阻与下拉电阻
上拉是将不确定信号通过一个电阻钳位在高电平,电阻同时限流作用;下拉是将不确定信号通过一个电阻钳位在低电平。
即,电路中加上拉电阻或下拉电阻的目的是确定某个状态电路中的高电平或低电平。
简单来说,电源到器件引脚上的电阻叫上拉电阻,作用是平时使用该引脚为高电平;地到器件引脚的电阻叫下拉电阻,作用是平时使该引脚为低电平。
对于非集电极(或漏极)开路输出型电路(如普通门电路,其提升电流和电压的能力是有限的,上拉和下拉电阻主要功能是为集电极开路输出型电路提供输出电流通道。
上拉是对器件注入电流,下拉是输出电流;强弱只是上拉或下拉电阻的阻值不同)。
上拉电阻与下拉电阻怎么接线?
上拉电阻:电阻一端接VCC,一端接逻辑电平接入引脚(如单片机引脚)
下拉电阻:电阻一端接GND,一端接逻辑电平接入引脚(如单片机引脚)

如上图,R13和R14,一端接到了3.3V,一端通过J17连接到单片机引脚,这两个电阻就是上拉电阻。

如上图,R18的一端连接到了GND,一端连接到了单片机的引脚(只不过是串了一个电阻后连接到了单片机引脚)。所以这个就是下拉电阻。
上拉电阻和下拉电阻有什么用?

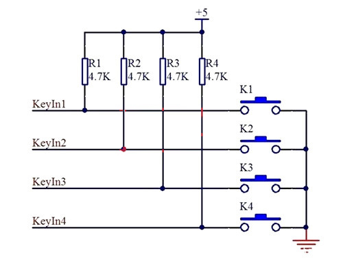
图3 按键检测的简单电路图
提高电路稳定性,避免引起误动作。
上图中的按键如果不通过电阻上拉到高电平,那么在上电瞬间可能就发生误动作,因为在上电瞬间电路引脚电平是不确定的,上拉电阻R的存在保证了其引脚处于高电平状态,就不会发生误动作;提高输出管脚的带载能力。
受其他外围电路的影响,电路在输出高电平时能力不足,达不到VCC状态,这会影响整个系统的正常工作,上拉电阻的存在就可以使管脚的驱动能力增强。
提高驱动能力:
例如,用单片机输出高电平,但由于后续电路的影响,输出的高电平不高,就是达不到VCC,影响电路工作。所以要接上拉电阻。
下拉电阻情况相反,让单片机引脚输出低电平,结果由于后续电路影响输出的低电平达不到GND,所以接个下拉电阻。
在单片机引脚电平不定的时候,让后面有一个稳定的电平:
例如上面接下拉电阻的情况下,在单片机刚上电的时候,电平是不定的,还有就是如果连接的单片机在上电以后,单片机引脚是输入引脚而不是输出引脚,那这时候的单片机电平也是不定的;
R18的作用就是如果前面的单片机引脚电平不定的话,强制让电平保持在低电平。
如果IE_DATA那个地方,不连接任何引脚,那么由于R18的下拉作用,IE_DATA就是低电平,所以三极管就不会导通。
电话:18923864027(同微信)
QQ:709211280
〈烜芯微/XXW〉专业制造二极管,三极管,MOS管,桥堆等,20年,工厂直销省20%,上万家电路电器生产企业选用,专业的工程师帮您稳定好每一批产品,如果您有遇到什么需要帮助解决的,可以直接联系下方的联系号码或加QQ/微信,由我们的销售经理给您精准的报价以及产品介绍

