尖峰吸收电路
开关电源的主元件大都有寄生电感与电容,寄生电容Cp一般都与开关元件或二极管并联,而寄生电感L通常与其串联。由于这些寄生电容与电感的作用,开关元件在通断工作时,往往会产生较大的电压浪涌与电流浪涌。
开关的通断与二极管反向恢复时都要产生较大电流浪涌与电压浪涌。而抑制开关接通时电流浪涌的有效方法是采用零电压开关电路。
另一方面,开关断开的电压浪涌与二极管反向恢复的电压浪涌可能会损坏半导体元件,同时也是产生噪声的原因。
为此,开关断开时,就需要采用吸收电路。二极管反向恢复时,电压浪涌产生机理与开关断开时相同,因此,这种吸收电路也适用于二极管电路。
本文介绍了RC、RCD、LC等吸收电路,这些吸收电路的基本工作原理就是在开关断开时为开关提供旁路,以吸收蓄积在寄生电感中的能量,并使开关电压被钳位,从而抑制浪涌电流。
尖峰吸收电路
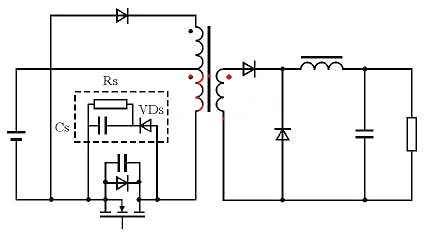
1.RC吸收电路

图1所示是一个RC吸收网络的电路图。
它是电阻Rs与电容Cs串联的一种电路,同时与开关并联连接的结构。若开关断开,蓄积在寄生电感中的能量对开关的寄生电容充电的同时,也会通过吸收电阻对吸收电容充电。
这样,由于吸收电阻的作用,其阻抗将变大,那么,吸收电容也就等效地增加了开关的并联电容的容量,从而抑制开关断开的电压浪涌。
而在开关接通时,吸收电容又通过开关放电,此时,其放电电流将被吸收电阻所限制。
2.RC吸收电路
RCD吸收电路如图2所示,它由电阻Rs、电容Cs和二极管VDs构成,其中电阻Rs也可以与二极管VDs并联连接。
若开关断开,蓄积在寄生电感中的能量将通过开关的寄生电容充电,开关电压上升。
其电压上升到吸收电容的电压时,吸收二极管导通,从而使开关电压被吸收二极管所钳位(约为1 V左右),同时寄生电感中蓄积的能量也对吸收电容充电。开关接通期间,吸收电容则通过电阻放电。

RC吸收网络电路
采用RC和RCD吸收电路也可以对变压器消磁,而不必另设变压器绕组与二极管组成的去磁电路。
变压器的励磁能量都会在吸收电阻中消耗掉。RC与RCD吸收电路不仅可以消耗变压器漏感中蓄积的能量,而且也能消耗变压器励磁能量,因此,这种方式同时降低了变换器的变换效率。
由于RCD吸收电路是通过二极管对开关电压钳位,效果要比RC好,同时,它也可以采用较大电阻,但能量损耗也比RC小。
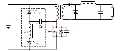
LC吸收电路
(LC电路是由电容、电感、电阻等元件和电子器件组成的能够产生振荡电流或具有滤波作用的电路,由电感线圈L和电容器C相连而成的LC电路是简单的一种LC电路)。

LC吸收电路如图3所示,它由Ls、Cs、VDs1和VDs2构成。
若开关断开,蓄积在漏磁或励磁等电感中的能量可通过VDs1经电容Cs放电,使吸收电容Cs电压反向,从而使变压器由电容电压消磁。
这期间,输入电压与吸收电容的电压加到开关上的电压极性再次反向。一般情况下,LC吸收电路不消耗能量。
要提高开关频率,同时提高开关电源产品的质量,电压浪涌与电流浪涌问题必须重点考虑。本文是在分析了干扰产生机理以及经过大量实践的基础上,提出了这种行之有效的抑制措施。
因此,要解决好浪涌问题,还要结合设计的实际,分析浪涌产生的机理,结合实际来设计浪涌吸收电路,以使开关电源的浪涌干扰降到点。
电话:18923864027(同微信)
QQ:709211280
〈烜芯微/XXW〉专业制造二极管,三极管,MOS管,桥堆等,20年,工厂直销省20%,上万家电路电器生产企业选用,专业的工程师帮您稳定好每一批产品,如果您有遇到什么需要帮助解决的,可以直接联系下方的联系号码或加QQ/微信,由我们的销售经理给您精准的报价以及产品介绍

