稳压二极管应用电路
1、稳压二极管典型直流稳压电路分析
稳压二极管主要用来构成直流稳压电路,这种直流稳压电路结构简单,稳压性能一般。下图所示是稳压二极管构成的典型直流稳压电路。电路中,VZ1是稳压二极管,R1是VZ1的限流保护电阻。

未经稳定的直流工作电压通过R1加到稳压二极管上,由于工作电压远大于VZ1稳压值,所以VZ1进入工作状态,其两端得到稳定的直流电压,作为稳压电路的输出电压。
当直流工作电压大小波动时,流过R1和VZ1的电流大小随之相应波动,由于稳压二极管VZ1稳压不变,这样直流电压大小波动的电压降在电阻R1上。
2、电子滤波器中的稳压二极管
下图所示是电子滤波器中的稳压二极管应用电路。电路中,VZ1是稳压二极管,VT1是电子滤波管,C1是VT1基极滤波电容,R1是VT1偏置电阻。

在稳压二极管导通后,VT1基极电压被稳定在13V,根据三极管发射结导通后的结电压基本不变特性可知,这时VT1发射极直流输出电压也是稳定的,达到稳定输出电压目的。
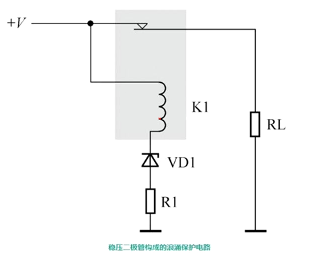
3、稳压二极管构成的浪涌保护电路
下图所示是稳压二极管构成的浪涌保护电路。电路中,K1是继电器,VZ1是稳压二极管,R1是限流保护电阻,RL是负载电阻。

当工作电压没有浪涌出现时,工作电压没有高到足以使稳压二极管VZ1导通的程度,这时VZ1截止,没有电流流过继电器K1,K1的触点保持导通状态,工作电压通过继电器触点为负载RL正常供电。
当工作电压出现浪涌时,由于电压升高,稳压二极管VZ1导通,这时有电流流过继电器K1,K1的触点断开,电压不能通过继电器触点为负载RL供电,达到保护负载RL的目的。
4、稳压二极管构成的过电压保护电路
下图所示是稳压二极管构成的过电压保护电路。电路中VZ1是稳压二极管,VT1是控制管,+115V是主工作电压。

电阻R1和R2构成115V直流工作电压的分压电路,分压后的电压通过稳压二极管VZ1加到VT1基极,当115V电压大小正常时,R1和R2分压后的电压不足以使稳压二极管导通,这时VT1基极电压为0,VT1截止,其集电极为高电平,此时待机保护电路不动作,电路正常工作。
当电压高于115V时,R1和R2分压后的电压足以使稳压二极管VZ1导通,这时VT1饱和导通,其集电极为低电平,通过待机控制线的控制使电路进入待机保护状态。
5、功率放大器中的过电压保护电路
下图所示是一种功率放大器中的过电压保护电路。电路中,VZ1和VZ2是保护二极管,是稳压比较高的稳压二极管。VT1和VT2是功率放大器中的两只输出管。

(1)直流工作电压正常时:稳压二极管VZ1和VZ2不导通,相当于开路,对功率放大器正常工作无影响。
(2)保护时电路分析:直流电压异常升高,稳压二极管VZ1、VZ2便击穿,钳住VT1和VT2管集电极与发射极之间直流工作电压,使VT1和VT2管集电极与发射极之间直流工作电压不会进一步增大,以达到保护功放输出管的目的。
6、稳压二极管构成的限幅电路
下图所示是稳压二极管构成的限幅电路。电路中,A1和A2是集成电路,VZ1和VZ2是稳压二极管。

从集成电路A1的1脚输出信号通过R1加到集成电路A2的1脚。当集成电路A1的1脚输出信号幅度没有超过VZ1稳压值时,这一信号完整的加到集成电路A2的1脚上;
当集成电路A1的1脚输出信号幅度超过VZ1稳压值时,幅度超过部分使VZ1导通,信号幅度的最大值被限制,达到限幅目的。
1)R2和VZ2构成的限幅电路与R1和VZ1构成的电路工作原理一样,只是它用来限制集成电路A1的2脚输出信号幅度。
2)R1和R2的作用一样,它用来传输集成电路A1和A2之间的信号,同时也是VZ1和VZ2的限流保护电阻。
3)限幅电路只是限去电压值超过稳压二极管稳压值的部分,对于信号电压幅度小于稳压二极管稳压值的部分无限副作用。
7、稳压二极管构成的电弧抑制电路
下图所示是稳压二极管构成的电弧抑制电路,这种电路通常用于一些功率较大的电磁吸铁控制电路中。电路中,VZ1是稳压二极管,L1是电感,R1是限流保护电阻,S1是电源开关。

这一电路的工作原理是:在电源开关S1从接通转为断开时,电感L1两端产生的方向电动势为上正下负,这一反向电动势很大,通过R1加到了稳压二极管VZ1两端,使之导通,这样将反向电动势能量释放,使开关S1上不会产生很大的电动势,从而不能产生电弧,达到了消弧目的。
电源开关S1正常接通时,直流电压通过R1加到VZ1上的电压不够大,不足以使VZ1导通,所以VZ1处于截止状态,不影响电路正常工作。
电话:18923864027(同微信)
QQ:709211280
〈烜芯微/XXW〉专业制造二极管,三极管,MOS管,桥堆等,20年,工厂直销省20%,上万家电路电器生产企业选用,专业的工程师帮您稳定好每一批产品,如果您有遇到什么需要帮助解决的,可以直接联系下方的联系号码或加QQ/微信,由我们的销售经理给您精准的报价以及产品介绍

