IGBT两端并联二极管作用
在逆变电路接感性负载的情况下,感性负载中的电流不能突变。在换相时,为了维持电感上的电流,IGBT中的电流会转移到反并联的二极管上,以维持电流的持续流动。
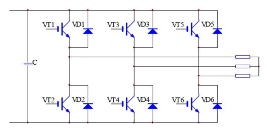
如下图,当下管IGBT T1开通时,负载电感上会产生一个电流,如红色箭头所示。当下管IGBT T1关闭后,电流不能再从T1上流过,于是电流就换流到上管的反并联二极管D2上。这就是反并联二极管,又叫续流二极管的作用。

对于mosfet来说不需要二极管,因为功率mosfet的工艺决定它做出来就带一个二极管,这个二极管用于电流电流反向时能够导通使得电流有通路不至于损坏器件。
而igbt不一样,它的工艺做出igbt本体晶圆是没有寄生二极管的,换句话说就是如果只有igbt电流反向的时候是没有通路的,这样在感性回路就会引起过电压损坏器件。
并联一个二极管就是为了提供电流续流通路的。当然igbt内部封装的二极管如果有些参数不够还可以在igbt外部再并联二极管,比如igbt内部二极管导通压降较高,外部可以并联导通压降低的二极管以降低损耗。
IGBT反并联二极管的功能

此图是三相双向逆变电路,图中我们可以看到反并联二极管的用法。
当输入直流电压高于负载反向电动势时,它是一个逆变电路,将直流电变成峰值等于(或小于)直流电压的交流电(波形由驱动信号决定,常用驱动信号是SPWM正弦脉宽调制,即正弦波交流电)。
当输入直流电压低于负载反向电动势时,它是一个三相整流桥,此时来自负载的反向充电电流经整流桥流回直流电源,实现电刹车。
为什么要把两者封装在一块。事实上大部分的IGBT应用都是上图的电路(两相、三相或更多相),封装在一起可以降低成本、简化电路、增加可靠性。
而IGBT单独使用时,反向二极管通常不起作用,也就不影响电路设计,只是要小心电线接反时可能导致电机误动。
电话:18923864027(同微信)
QQ:709211280
〈烜芯微/XXW〉专业制造二极管,三极管,MOS管,桥堆等,20年,工厂直销省20%,上万家电路电器生产企业选用,专业的工程师帮您稳定好每一批产品,如果您有遇到什么需要帮助解决的,可以直接联系下方的联系号码或加QQ/微信,由我们的销售经理给您精准的报价以及产品介绍

